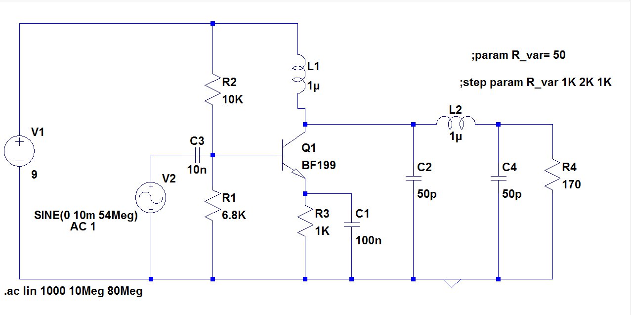
Hallo, gibt es eine Möglichkeit, den Einfluss einer Induktivität im Kollektorkreis eines HF-Verstärkers auf den nachfolgenden Oberwellenfilter zu reduzieren? Diese verändert den Betragsverlauf ziemlich ungünstig, sodass ich anstelle einer geringen Welligkeit im Durchlassbereich (Tschebycheff) ein Maxima kurz vor dem Sperrbereich erhalte, welches den Betragsverlauf ziemlich ungünstig ändert (ist nochmal ein Anstieg um 8dB!). Und kann mir jemand vielleicht einen Hinweis geben, wie ich meine Ausgangsimpedanz auf 50 Ohm transformieren kann, ohne das Tschebycheff-Verhalten groß zu beeinflussen (der Ausgangswiderstand des Verstärkers beträgt ungefähr 170 Ohm) Gruß Benny
Man könnte die Kollektordrossel so dimensionieren, das sie mit der Kollektorkapazität einen abgestimmten Schwingkreis bildet. Dann verschwinden die imaginären Anteile und übrig bleibt nur der Leitwert des Transistors. Den nachfolgenden Collinsfilter muss man dann entweder mit einen Widerstand entkoppeln, oder der linke Kondensator in die Schwingkreiskapazität des Kollektorkreises mit einbeziehen. In der Praxis macht man beide Kapazitäten des Filters abgleichbar. Ralph Berres
Den Abgleich mit den 2 Kapazitäten hatte ich auch soweit geplant. Die Kompensation mit der Kollektorkapazität hätte eine ziemlich große Induktivität zur Folge(>60uH). Gibt es noch eine alternative Möglichkeit? Gruß Benny
Eine Möglichkeit wäre noch mit einer Breitbanddrossel im Kollektorzweig. 6lochferritkern oder ähnliches. Dann sinkt aber die Verstärkung sehr stark, weil der Transistor dann nicht mehr als reine Stromquelle arbeitet. Ralph Berres
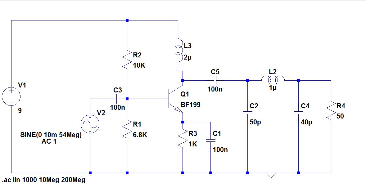
@Ralph Berres Die Resonanz zusammen mit der Kollektorkapazität wirkt dann aber nicht breitbandig. @Benjamin Du hast eine galvanische Verbindung zwischen der Betriebsspannung und dem Lastwiderstand. Da muß noch irgendwo ein Kondensator ~10nF zwischen L1 und C2. Probiers mal mit diesen Werten: L1=10µ, C2=56p, L2=180n, C4=39p, R4=50 Gruß, Bernd
Der Verstärker kann ruhig als Schmalbandverstärker arbeiten, das wäre kein Problem. Bei der galvanischen Verbindung habe ich eben auch das Problem, dass sie mir mein Filterverhalten verändert (aus diesem Grund habe ich sie zunächst weggelassen, was natürlich keine endgültige Lösung darstellt) Mit den vorgeschlagenen Werten weicht das Verhalten ziemlich stark vom gewünschten ab, im Anhang die Ergebnisse der Simulation (einmal mit und einmal ohne Koppelkapazität) Gruß Benny
Durch die Resonanz der L1 bei 54MHz komme ich nun auf einen Innenwiderstand von ~10,5k. Dadurch verschieben sich die Bauteilwerte nochmals ein wenig. Ich finde, die Kurve sieht gut aus. Möglicherweise unerscheiden sich unsere BF199 Modelle. Gruß Bernd
Kannst du mir mal deine Modell-Daten schicken? Danke schonmal im Voraus. Gruß Benny
Hier mal noch meine Modell-Daten: .MODEL QBF199 NPN(IS = 4.031E-16 NF = 0.9847 ISE = 9.187E-17 NE = 1.24 + BF = 122.5 IKF = 0.065 VAF = 135 NR = 0.991 ISC = 4.1E-13 + NC = 1.37 BR = 5.036 IKR = 0.04 VAR = 8 RB = 16 + IRB = 0.0004 RBM = 8 RE = 0.402 RC = 5 XTB = 0 + EG = 1.11 XTI = 3 CJE = 2.258E-12 VJE = 0.444 MJE = 0.136 + TF = 2.92E-10 XTF = 8 VTF = 8 ITF = 0.14 PTF = 20 + CJC = 9.333E-13 VJC = 0.2488 MJC = 0.1974 XCJC = 0.86 TR = 3.5E-08 + CJS = 0 VJS = 0.75 MJS = 0.333 FC = 0.9001 mfg=Philips) * Gibt es eigentlich ein Model für den BF199 für ADS? Gruß Benny
Hallo Benjamin Ich verwende dieses Model: .MODEL BF199 NPN ( + IS = 1e-14 BF = 100 BR = 1 RB = 0 RE = 0 + RC = 0 CJS = 0 CJE = 2e-12 CJC = 2e-12 VJE = 0.75 + VJC = 0.75 TF = 2.6126e-10 TR = 1e-08 MJE = 0.33 + MJC = 0.33 VA = 100 ISE = 0 IKF = 0.01 NE = 1.5 + NF = 1 NR = 1 VAR = 100 IKR = 0.01 ISC = 0 + NC = 2 IRB = 1e+30 RBM = 0 XTF = 10 VTF = 10 + ITF = 1 PTF = 0 XCJC = 1 VJS = 0.75 MJS = 0 + XTB = 0 EG = 1.11 XTI = 3 KF = 0 AF = 1 FC = 0.5 + ) Der Unterschied ist aber nicht groß, bei Deinem kommt 0,5 dB mehr raus. Bernd
Naja, bis auf dass mein Betragsverlauf (mit Koppelkapazität) ziemlich von deinem abweicht... Aber ich glaube ich habe eine Lösung gefunden, welche meinen Ansprüchen genügt: Hierzu habe ich zunächst einmal die Impedanztrafo im Smithdiagramm nachvollzogen und habe festgestellt, dass ich nach dem Pi-Netzwerk mit Hilfe einer weiteren (seriellen) Induktivität mit ca. 1.6uH nahezu Anpassung erhalte. Hier kann ich die Induktivität im Kollektorkreis verwenden, und es funktionierte auch noch mit der Koppelkapazität (natürlich bis jetzt nur in der Simulation, Schaltung wird morgen jedoch realisiert und getestet. Im Anhang noch die aktuelle Schaltung + Betragsverlauf. Über weitere Anregungen Verbesserungsvorschläge Kommentare wäre ich natürlich sehr erfreut. Danke auf jedenfall an der Stelle schonmal an alle, die mitdiskutiert haben. Gruß Benny
Bitte melde dich an um einen Beitrag zu schreiben. Anmeldung ist kostenlos und dauert nur eine Minute.
Bestehender Account
Schon ein Account bei Google/GoogleMail? Keine Anmeldung erforderlich!
Mit Google-Account einloggen
Mit Google-Account einloggen
Noch kein Account? Hier anmelden.






