Ahoi, ich habe die Situation, dass ich eone LEDs habe, deren Status (LED an oder aus) ich mit einem Atmega8 erkennen möchte. Es geht nicht darum zu erkennen ob die LED leuchtet, sondern einfach, ob die entsprechende LED bestromt wird oder nicht. Wie mache ich das? Mit einem Transistor? Die LED wird extern angesteuert - es soll einfach nur erkannt werden ob LED an oder aus. Galvansische Trennung oder Optokoppler ist nicht nötig. Wenn möglich mit Standartbauteilen. Dankeeee
Lars D. schrieb: > Wie mache ich das? Wie sieht die LED-Schaltung aus? Liegt die LED an Masse? Woher oder we wird sie angesteuert (Vorwiderstand)? > Galvansische Trennung oder Optokoppler ist nicht nötig. Du darfst also deine Masse mit der externen Masse (bzw. der der LED) verbinden?
Vorwiderstand auch auf deinem Board? Wenn ja, kannst du die Spannung an diesem messen.
Lothar Miller schrieb: > Wie sieht die LED-Schaltung aus? Treiber über Transistor - mehr ist nicht bekannt Lothar Miller schrieb: > Liegt die LED an Masse? Ja Lothar Miller schrieb: > Du darfst also deine Masse mit der externen Masse (bzw. der der LED) > verbinden? So ist es.
Transistor in Emitterschaltung mit Basis über Widerstand an Anode, Kollekor an uC Input, Pull-up aktiv. Evtl. Widerstand von Basis nach Emitter, abhängig von Art der LED Ansteuerung.
Lars D. schrieb: > Es geht nicht darum zu erkennen ob die LED leuchtet, sondern einfach, ob > die entsprechende LED bestromt wird oder nicht. Willst du wissen, ob die LED bespannungt wird, oder ob sie bestromt wird. In zweiten Fall mußt du den Strompfad der LED auftrennen und einen Shunt für eine Strommessung einbauen. Möglicherweise läßt sich hierfür auch direkt der Vorwiderstand der LED nutzen. Schaltplan?
Spannung hinter LED Messen, wenn 0V dann wird die Spanung über sie Abfallen und dem zufoge wird sie leuchten. wenn die Spannung nich abfällt, wird sie nicht leuchten!!! Dafür bräuchtest du nicht einmal einen ADC sondern könntest den Lowpegel an einem freien AVR-Pin einlesen.
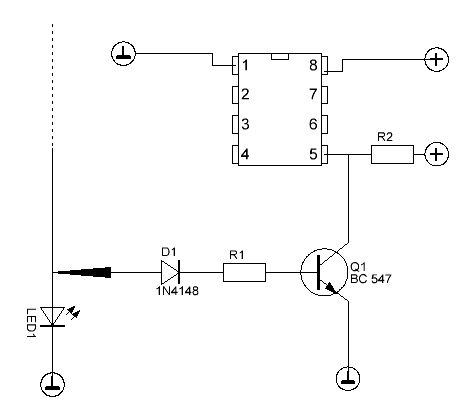
Wie wäre es mit dieser Schaltung? IC nur schematisch - welche Werte soll ich für R1 und R2 wählen? Diode 1N4148.
Lars D. schrieb: > Wie wäre es mit dieser Schaltung? Kannst du machen. Aber warum so kompliziert? Hat dein µC keinen ADC Eingang? Einfach mit dem ADC Eingang direkt an die Stelle auf die dein Pfeil zeigt und gut ists.
Karl Heinz Buchegger schrieb: > Aber warum so kompliziert? Hat dein µC keinen ADC Eingang? > Einfach mit dem ADC Eingang direkt an die Stelle auf die dein Pfeil > zeigt und gut ists. Die sind leider schon alle verbraten .... Karl Heinz Buchegger schrieb: > Lars D. schrieb: >> Wie wäre es mit dieser Schaltung? > > Kannst du machen. Wegen den Werten für R: R2 (Pullup) 10k ? R1 (Basiswiderstand) 1k ?
Wenn das eine rote LED(1.6V) ist wird das schon ein bisschen knapp. 1.6V - UDiode - Ube = 0.2V fuer den Widerstand. Lass die Diode weg und mach lieber einen Widerstand zwischen Basis und Emitter noch rein.
Lars D. schrieb: > Wie groß sollte dieser Rbe sein? Der sollte im ausgeschalteten Zustand die Basis unter die 0.7V ziehen. Das heist die Leckstrome deines ausgeschalteten LED Treiber abfuehren koennen. Als Faustregel kannst du 1/10 des Basisstromes annehmen den der Transistor braucht um durchzuschalten.
Lars D. schrieb: > Wie groß sollte dieser Rbe sein? Ich würde für einen Bastler 1206 SMD vorschlagen... ;-) Ach, wo ichs gerade sehe: der Wert von Rbe wurde noch nicht festgelegt. Nimm 10k und genauso 10k von Basis nach Emitter. Den Pullup kannst du weglassen, wenn du den vom uC-Pin einschaltest...
Bei grünen und blauen, vielleicht auch bei orangenen LEDs reicht bei µC-VCC = 5V ein gewöhnlicher Portpin. Den direkt an die Anode der LED hängen. Stichwort Flussspannung (ist abhängig von Farbe der LED) und Schaltschwellen der Portpins. Bei roten und gelben LEDs kann man den Original-Vorwiderstand in zwei Widerstände "aufteilen", dass sich am neu gebildeten Knoten eine für dein µC geeignete Logikspannung einstellt. In beiden Fällen evtl. 100k Pull down an den µC-Pin, um die genannten Leckströme abzuführen. mfg mf
So - ich konnte doch noch einen ADC Pin freimachen. =) Soll ich einfach ohne Vorwiderstand / Diode die Anode an den ADC Pin hängen ? Was passiert mit der ADC wenn ich versehentlich die Kathode erwische?
Pack besser einen Vorwiderstand (z.B. 100K) rein, dann zerschießt du dir im Fehlerfalle nichts.
Bitte melde dich an um einen Beitrag zu schreiben. Anmeldung ist kostenlos und dauert nur eine Minute.
Bestehender Account
Schon ein Account bei Google/GoogleMail? Keine Anmeldung erforderlich!
Mit Google-Account einloggen
Mit Google-Account einloggen
Noch kein Account? Hier anmelden.
