Guten Tag zusammen Ich habe ein kleines Problem und komme einfach nicht weiter. Und zwar brauch ich nur um einen OP zu speisen +/- 10V. Mir stehen 24V bereits zur Verfügung. Jetzt wie erzeuge ich die -10V am einfachsten? Da muss es doch irgendeinen fertigen Baustein geben?! Habe schon bei TI und Linear gesucht aber ich komme einfach auf keinen grünen Zweig. Danke schonmal im voraus. Werder
Werder schrieb: > Jetzt wie erzeuge ich die -10V am einfachsten? Das kommt arg auf die Anwendung an. Da musste also am besten mal nen Schaltplan oder ne Beschreibung liefern Werder schrieb: > Da muss es doch irgendeinen fertigen Baustein geben?! Den wird es so nicht geben, da es dafür kaum Anwendungen gibt. Oft reicht auch ein virtueller Offset. Gruss klaus
Klaus De lisson schrieb: > Oft reicht auch ein virtueller Offset. Dies dürfte die einfachste und billigste Lösung sein. Werder schrieb: > Da muss es doch irgendeinen fertigen Baustein geben?! Ja und zwar DC/DC Wandler: Conrad: 154317-62 157195-62 http://www.reichelt.de/Wandler-Module-DC-DC/SIM5-2412D/index.html?ARTICLE=35090
karadur schrieb: > Wie wäre es mit einem DC/DC Wandler? Dort habe ich nur Wandler ab einem Preis von 40.- gefunden, das muss doch günstiger gehen, nicht? Die Schaltung ist halt ziemlich simpel, es geht darum ein analoges Signal von +/-10V auf 0-5V zu wandeln. Dafür muss mein Operationsverstärker halt mit +/-10V gespiesen werden. Ansonsten werden diese Spannungen nicht mehr benötigt.
Okey bei conrad habe ich nicht gesucht, komisch dass die bei Farnell so teuer sind :-/ Naja auf jedenfall vielen Dank für die hilfreichen Antworten an alle! Freundliche Grüsse Werder
Warum denn einfach, wenns auch kompliziert geht. So eine Pegelanpassung wurde hier im Forum schon dutzend mal besprochen. Eine separate Spannungsversorgung brauchst Du jedenfalls dazu nicht. gk
> es geht darum ein analoges > Signal von +/-10V auf 0-5V zu wandeln. Dafür muss mein > Operationsverstärker halt mit +/-10V gespiesen werden So ein Blödsinn. Du musst nichts verstärken. Das ist ein simpler Spannungsteiler. Was willst du da mit +10V/-10V ?
Werder schrieb: > Die Schaltung ist halt ziemlich simpel, es geht darum ein analoges > Signal von +/-10V auf 0-5V zu wandeln. Wozu dient denn der erste OPV? Um ein Signal abzuschwächen, reicht doch ein Spannungsteiler. Die obige Schaltung wird wahrscheinlich schwingen. > Dafür muss mein > Operationsverstärker halt mit +/-10V gespiesen werden. Ansonsten werden > diese Spannungen nicht mehr benötigt. Du brauchst doch nur den zweiten OPV. Den beschaltest Du als Addierverstärker. Wenn Du da eine R2R-ausführung nimmst reicht eine einfache 5V-Versorgung. Gruss Harald
> Na ja, drei Widerstände braucht man schon!
Nicht wenn man 3.33V zur Verfügung hat...
Aber wenn ich die ganzen Antworten unserer anderen Helden hier lese
wundert es mich nicht, wenn alle Firmen aus Deutschland nach China
gehen, nach die sie zuvor vergeblich Fachkräfte gesucht haben.
Nokiafachhändler schrieb: > Es sind sowieso oben nur Volldeppen hier im Forum. Was du gerade bewiesen hast (zumindest das das auf einzelne zutrifft) :-) Was ist eigentlich 'oben' im Forum? Und wenn es ein 'hier' im Forum gibt, gibt es auch ein 'dort'? Zum Thema. Frank schrieb: > Na ja, drei Widerstände braucht man schon! MaWin schrieb: > Nicht wenn man 3.33V zur Verfügung hat... Zumindest um die Offsetspannung niederohmig zu erzeugen und um die Ausgangsspannung zu entkoppeln können ein oder zwei OPs als Impedanzwandler Sinn machen. @Werder: Falls die 24V potentialfrei sind und du auf symmetrische Versorgung bestehst, kannst du mit einem OP als Impedanzwandler und einem einfachen Spannungsteiler eine virtuelle Masse erzeugen, dann hast du +- 12V oder auch ein anderes Verhältnis, je nachdem wie du es einstellst.
U.R. Schmitt schrieb: > Zumindest um die Offsetspannung niederohmig zu erzeugen und um die > Ausgangsspannung zu entkoppeln können ein oder zwei OPs als > Impedanzwandler Sinn machen. Ein Sinn kann sich ergeben, er wird nicht gemacht. Du bietest ein Lösung und suchst jetzt das passende Problem? :-)
> Zumindest um die Offsetspannung niederohmig zu erzeugen
Das tun nur Deppen.
Die anderen erzeugen sie gleich in der benötigten Impedanz.
Dann sind wir bei 3 Widerständen, falls keine 3.33V sondern 0V und 5V
vorhanden sind.
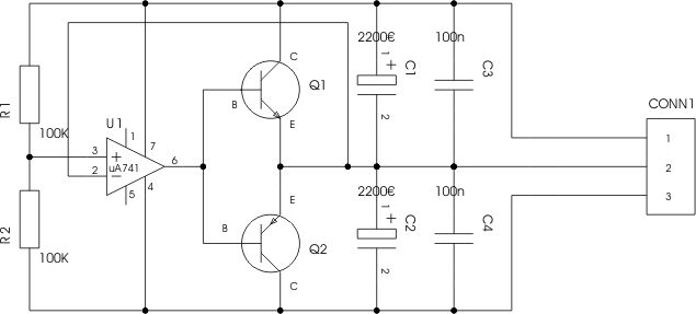
OT: Als reiner Hobbyist (und dazu noch Anfänger) habe ich nicht den Überblick über den deutschen Elektrotechnik-Arbeitsmarkt, aber wenn es sich hier ähnlich verhält, wie im IT-Bereich, wo ich zwei Jahrzehnte Berufserfahrung habe, gibt es wohl tatsächlich eine Menge Spreu im Weizen. Nur würde ich das nicht an Postings in diesem Forum festmachen wollen, auch wenn der Gedanke nahe liegt. Wir haben in Deutschland viele fähige Leute, die sich über den Rahmen ihrer professionellen Ausbildung hinaus in einer Tiefe mit ihrem Thema beschäftigen, wie es in anderer kultureller Umgebung nicht so häufig zu finden ist. Dies wird leider überschattet durch ganze Armeen von Hochschulabsolventen, die ihren Abschluss durch reines Pauken erreicht haben, mit Ehrgeiz als Antrieb, ohne die Liebe zum Thema. Aber zum Glück gibt es fähige Leute wie MaWin, die hier einen Kontrastpunkt bieten. Wenn hier zu einer Frage verschiedene Antworten kommen, liegt das meines Empfindens nach auch an unpräzise gestellten Fragen. Der Punkt ist, dass daraus gerne Konflikte zwischen Antwortenden entstehen, ohne das diesen der Ursprung des Konflikts, nämlich die Ambiguität der Frage auffällt und jeder die Antwort des anderen auf seine Interpretation der Frage bezieht, was sie in seinen Augen unqualifiziert erscheinen lässt. Zum Thema: Ob man ein Signal mit wechselnder Polarität mit einem Spannungsteiler in einen bestimmten (positiven) Bereich ziehen kann, hängt meines Verständnisses nach davon ab, ob die Impedanz der Signalquelle und des Eingangs des Messverstärkers das zulassen. Wenn die Signalquelle hochohmig ist, wird ein Spannungsteiler nicht nur das Messergebnis beeinflussen, sondern auch den zu messenden Wert selbst. Dann muss ein Impedanzwandler dazwischen geschaltet werden, und der wiederum braucht eine Versorgungsspannung, die mindestens dem Bereich des Eingangssignals (gegenüber dem gemeinsamen Bezugspunkt) entspricht. Wenn hingegen die Signalquelle niederohmig ist, wie z.B. die Sekundärwicklung eines Netzteil-Trafos, kann man natürlich das Signal mit einem Spannungsteiler in den positiven Bereich ziehen und dann auswerten. Ich habe gerade gestern ein kleines Modul für mein Steckboard gebaut, um eine symmetrische Spannungsversorgung zum Spielen zu haben. Ein Spannungsteiler halbiert die Eingansspannung, ein OP (uA741) füttert damit eine Gegentakt-Endstufe (BD139/BD140) deren Ausgang an den "-"-Eingang des OPs gegengekoppelt wird, um die Schaltung als Impedanzwandler zu betreiben. Der Ausgang der Endstufe ist dann auch das neue GND-Potential. (Ich denke mal, das ist das, was kolisson mit virtuellem Offset meinte.) (Siehe Anlage) Nachtrag: Die Elkos sind nicht so teuer. :D das soll eigentlich ein Mü sein, dein Euro.
> Wenn die Signalquelle hochohmig ist...
...muss man ihre Ausgangsimpedanz eben einrechnen.
Das ist so schwierig nicht, Subtraktionsaufgaben
macht man in der Grundschule. Ich weiß, viele hier
im Forum sind damit überfordert.
Nur wenn wechselnde Quellen drangesteckt werden
können, dann muss man definierte Impedanzen schaffen,
eben z.B. mit einem Buffer Impedanzwandler.
MaWin schrieb: > ...muss man ihre Ausgangsimpedanz eben einrechnen. Diese Mühe kann man sich hier sparen, da das obige Schaltbild von 0 Ohm Quellimpedanz ausgeht.
MaWin schrieb: > ...muss man ihre Ausgangsimpedanz eben einrechnen. Oder das. :-) MaWin schrieb: > Nur wenn wechselnde Quellen drangesteckt werden > können, .. Davon war ich ausgegangen, da der TO nicht erwähnt hat, mit welcher Signalquelle er zu hat. - Womit wir wieder bei der Problematik der unzureichenden Fragestellung wären. :-D
Also ob man nun 2 oder 3 Widerstände braucht und eventuell noch einen OP als Impedanzwandler (für den AD) das hängt von den Gegebenheiten der Restschaltung des TE's ab. Die kenner wir aber nicht. Eine zusätzliche Spannungsversorgung braucht man höchstens bei einer galvanischen Entkopplung des Eingangs. @Philipp Klostermann Die obige Schaltung bringt den Nachteil, dass nun der µC z.B mit seinem GND an der "virtuellen Masse" angeschlossen werden müsste. Von der schlechten Leistungsbilanz ganz zu schweigen. NWE gk
Sorry, da war noch ein Fehler im Layout. (Abgesehen von der saumäßigen Platzierung des "-"-Anschlusses von C1 und der Tatsache, dass Q1 und Q2 in Realität gegen R1 und R2 stoßen und kein Kühlkörper vorgesehen ist, was ich aber erst mal ignoriere, da es funktioniert und ich am eigentlichen Projekt weiter arbeiten möchte.) Nachtrag: gk schrieb: > Die obige Schaltung bringt den Nachteil, dass nun der µC z.B mit seinem > GND an der "virtuellen Masse" angeschlossen werden müsste. Von der > schlechten Leistungsbilanz ganz zu schweigen. Was ist der Nachteil daran, einen uC mit einem solchen GND zu versorgen? Zur Leistungsbilanz: Dass die nicht so toll sein kann, ist klar. Aber das ist bei einem Steckboard-Modul nicht ganz so wichtig. Hier ging es nur darum, mal eben schnell eine symmetrische Versorgung zum Spielen zu realisieren, und zwar innerhalb eines Mittagsschlafs meiner Tochter. (Testsufbau mit Steckboard, Schaltplan und Layout mit gschem und pcb, Ausschneiden und besprühen der Platine, trocknen unter der Dunstabzugshaube auf der Kaffemaschine, ausdrucken auf OHP-Folie, belichten, entwickeln und ätzen in insgesamt 3:30 Stunden, und nebenbei noch die Küche aufgeräumt. :-) )
> Sorry, da war noch ein Fehler im Layout. Nicht nur das. Schlechtes Layout, schlechte Schaltung. Schau mal wie man das richtig macht: http://www.dse-faq.elektronik-kompendium.de/dse-faq.htm#F.9.2
Philipp Klostermann schrieb: > Was ist der Nachteil daran, einen uC mit einem solchen GND zu versorgen? Ich möchte nicht wissen, wie gut unser 741-Schätzchen die steilflankigen Masseströme eines Mikrocontrollers ausregelt. Philipp Klostermann schrieb: > Hier ging es nur darum, mal eben schnell eine symmetrische Versorgung zum Spielen zu realisieren Dafür ist das auch OK. Aber für das Ausgangsproblem des TE ist das Murks. gk
Frank schrieb: > Ein Sinn kann sich ergeben, er wird nicht gemacht. jawoll Herr OberTeutschprofessöör! Ich zitiere mal aus Wikipedia: Bei den Beispielen „Sinn machen“[3] und bei der transitiven Verwendung von „erinnern“ ist anzumerken, dass diese Wendungen in früheren Jahrhunderten im Deutschen gebraucht wurden. Die genannten Formen sind also im Literaturkanon aufzufinden. Sie als Denglisch zu kritisieren, kann als Hyperkorrektur betrachtet werden. Gegner des Denglischen werden hingegen anmerken, dass die alten Formen längst ausgestorben sind und nur der heutige Sprachgebrauch ausschlaggebend ist, ob eine Form als denglisch einzustufen ist oder nicht. Also Frank du hyperkorrigierst :-) Hier machts mal wieder Spass heute MaWin ist ja wieder scheiße drauf, was ist dir denn passiert. Irgendwie schade, weil fachlich hast du richtig was drauf.
U.R. Schmitt schrieb: > MaWin ist ja wieder scheiße drauf, was ist dir denn passiert. > Irgendwie schade, weil fachlich hast du richtig was drauf. Ich bin noch nicht so lange dabei, habe mich aber mit dem etwas raueren Ton abgefunden, bzw. ignoriere ihn. gk schrieb: > Ich möchte nicht wissen, wie gut unser 741-Schätzchen die steilflankigen > Masseströme eines Mikrocontrollers ausregelt. Muss er gar nicht, denn dazu sind die phatten Elkos und die 100nF Kerkos da. Außerdem gehört an jeden uC noch ein weiterer 100nF dran. gk schrieb: > Aber für das Ausgangsproblem des TE ist das > Murks. 1. Woher kennst Du das Ausgangsproblem des TE? (S.o.) 2. Ich hatte auch nicht behauptet, dass das die Lösung des Problems ist, aber es ist eine einfache Lösung, und danach wurde gefragt. Sicher ist die Lösung von MaWin im Elektronik-FAQ noch einfacher, aber die kannte ich da noch nicht. MaWin: (Mein <AltGr>+Q geht plötzlich nicht mehr !?) Über das Layout brauchen wir nicht zu reden. Das wird mit jedem mal, wo ich drauf schaue, schlechter. :-D Aber wegen der schlechten Schaltung muss ich nochmal nachfragen: Im Prinzip sind sich unsere Schaltungen ja ähnlich. Ein Spannungsteiler und ein Impedanzwandler. Beide verbrauchen unbelastet einstellige mA, meine hat halt noch eine Stromverstärkung, um höhere Lasten über GND bedienen zu können. (Was ja auch sein kann, auch wenn Du mit "Der OpAmp muss i.A. nur wenig Strom liefern können, weil meist sowieso nur ein paar Widerstände an der virtuellen Masse hängen.." sicherlich recht hast.) Ich verstehe noch nicht den Sinn der beiden 10R-Widerstände. Sollen die die bei Last Gegenkopplung verringern, um einen möglichen Spannungsabfall zu kompensieren? Funktionieren tut mein Teil jedenfalls. Ich habe Stromverbrauch und Ausgangsspannungen unbelastet und mit einer Glühbirne wahlweise zwischen + und GND und - und GND gemessen, und die Stabilität war OK.
> Ich verstehe noch nicht den Sinn der beiden 10R-Widerstände.
Die sind notwendig, weil OpAmps, gerade solche wie der nicht dafür
ausgelegte steinalte uA741, bei zu grossen kapazitiven Lasten die
Eigenart haben zu schwingen, insbesondere bei kleinen Verstärkungen, die
hier nur 1 beträgt.
Ohne die Widerstände funktioniert die Schaltung nur mit Glück, nur
montags morgens, und nur wenn man kein Scope hat.
Zudem ist der uA741 zu schwach, weswegen du ihn mit den Transistoren
verstärkst statt daß du erkennst daß er die falschew Wahl war, und die
Transistoren in der beidseitigen Emitterschalt7ng führen zu 1.2V
Totzone. Es müsste in deiner Schaltung ein 33 Ohm Widerstand (20mA bei
0.7V) zwischen Basis und Eimtter des einen Transistors (damit
automatsich zwischen B und E des anderen) damit diese Totzone nicht
entsteht und die Transis nur bei mehr als 20mA Last zuschalten.
Denn mit Totzone schwingt der OpAmp noch mehr, der weiss ja gar nicht
was er tun soll wenn kein Strom fliesst.
U.R. Schmitt schrieb: > Hier machts mal wieder Spass heute > > MaWin ist ja wieder scheiße drauf, was ist dir denn passiert. > Irgendwie schade, weil fachlich hast du richtig was drauf. Also entweder "denn fachlich hast Du richtig was drauf" oder "weil Du fachlich richtig was drauf hast". Mal sehen, wielange Du diesmal für eine faule Ausrede brauchst :-)
Danke @MaWin (Das war jetzt <Alt>+64) für das Gehirnfutter! :-) Ich werde mit beiden Schaltungen mal ein wenig herumspielen, sie nach Deinen Tips variieren, und messen, was so passiert. - Aber später, nun muss ich mich erst mal wieder den väterlichen Pflichten widmen..
Frank schrieb: > Mal sehen, wielange Du diesmal für eine faule Ausrede brauchst :-) Nein nein, keine Ausrede. Hyperkorrigiere ruhig weiter, da du in einem technischen Forum offensichtlich keine sinnvollere Beschäftigung findest :-)
U.R. Schmitt schrieb: > da du in einem > technischen Forum offensichtlich keine sinnvollere Beschäftigung findest > :-) Mist, ich bin entlarvt! Nichts desto weniger glaube ich, die Lösung mit den drei Widerständen ist einfach und zweckmäßig. Feierabend :-)
Philipp Klostermann schrieb: > Muss er gar nicht, denn dazu sind die ?phatten Elkos und die 100nF Kerkos > da. Außerdem gehört an jeden uC noch ein weiterer 100nF dran. Dann lassen wir den OP halt einfach weg ;-) Sind ja ideale Kondensatoren. > Woher kennst Du das Ausgangsproblem des TE? (S.o.) Von Potentialtrennung hat er nichts geschrieben. Also reichen die 2 - 3 Widerstände, zumal das auch mit der obigen Symetrieschaltung nicht funzt. Auch hier gilt weniger ist manchmal mehr. > 2. Ich hatte auch nicht behauptet, dass das die Lösung des Problems ist Das hat Dir auch niemand vorgeworfen. > aber es ist eine einfache Lösung, und danach wurde gefragt. Ein OP zwei Transistoren (+ Kühlkörper) plus Hühnerfutter, und das musst Du erstmal vernünftig ans Laufen bringen. Einfach ist was anderes. Aber Egal, die Halbleiterindustrie freut sich. gk
Aufgrund der Aussage: Nokiafachhändler schrieb: > Es sind sowieso oben nur Volldeppen hier im Forum. und der darauffolgenden Feststellung Nachfrage U.R. Schmitt schrieb: > Was du gerade bewiesen hast (zumindest das das auf einzelne zutrifft) > :-) > Was ist eigentlich 'oben' im Forum? > Und wenn es ein 'hier' im Forum gibt, gibt es auch ein 'dort'? hätte ich eine Theorie. Diese gilt solange sich oben und unten so verhält wie z.B. elektrische Spannungen. .. indem Nokiafachhändler aussagt das die vermeintlichen Deppen nun oben sind , lässt sich locker Schlussfolgern dass dieser derzeit davon ausgeht gerade unten zu sein. .. sollte dem so sein und es bisher keine Aussage darüber gab, wie weit unten das nun seinkönnte eröffnet natürlich auch den freiraum für die Spekulation, dass dieses Unten soweit von Oben weg ist , dass er gar nicht realistisch sagen könnte, ob das was er da sieht wirklich Deppen sind. Liebe Grüsse
gk schrieb: > Von Potentialtrennung hat er nichts geschrieben. Häh? Potentialtrennung? Davon hatte ich auch nichts geschrieben. Es geht um die Impedanz der Signalquelle. Wie kommst Du auf Potentialtrennung? Das ist etwas ganz anderes, hat mit Relais, Optokopplern oder Trafos zu tun und hat meines Erachtens rein gar nichts mit dem Thema dieses Threads zu tun.
Die Verwirrung kommt von Autor: U.R. Schmitt (Gast) : der schrieb @Werder: Falls die 24V potentialfrei sind und du auf symmetrische Versorgung... Kam mir auch schräg vor. Wozu eine Spannung wenn die potenzialfrei sein soll. Klaus
Bitte melde dich an um einen Beitrag zu schreiben. Anmeldung ist kostenlos und dauert nur eine Minute.
Bestehender Account
Schon ein Account bei Google/GoogleMail? Keine Anmeldung erforderlich!
Mit Google-Account einloggen
Mit Google-Account einloggen
Noch kein Account? Hier anmelden.

