Hallo, Ich brauche eine sichere Aussage über die Phasenverschiebung zwischen den Leiter-/Strangströmen und Spannungen in einer im Dreieck geschalteten Drehstrommaschine. Wo ich mir sicher bin: Phasenverschiebung zwischen Strangstrom/-Spannung ist Frequenzabhängig, als bei Drehzahl ca. 0 sind die Strangströme/-Spannungen in Phase. Phasenverschiebung zwischen Strangstrom und Leiterstrom ist immer 30 Grad (Strangstromamplitude ist Leiterstromampl./sqrt(3)). Wo ich mir nicht sicher bin: Nach meiner Simulation in Simulink (in Simplorer ist es genauso)läuft je nach Drehrichtung des Feldes der Strangstrom dem Leiterstrom nach bzw. vor. Das Leistungsmessgerät, das am realen Motor angeschlossen ist und die Ströme/Spannungen darstellen kann, zeigt den Leiterstrom der Leiterspannung immer nacheilend an. Da nach Simulation ja zumindest bei kleinen Drehzahlen die Leiterpannung dem Leiterstrom nacheilen müsste (wie im Bild "Drehfeld_rechts"), ist es ziemlich verwirrend. Habe ich etwas falsch verstanden oder falsch gemessen? Den Drehrichtungswechsel in der Simulation erreichte ich übrigens durch tauschen zweier Phasen und an der Maschine durch Ändern der Steigung des Vorgabedrehfeldwinkels am Umrichter von pos. auf neg. Vielen Dank zumindest fürs Durchlesen)
mach in den Simulinkplots doch bitte eine Legende mit rein. Dann wissen wir auch, welche Kurve welchem Signal zuzuordnen ist.
>Das Leistungsmessgerät, das am realen Motor angeschlossen ist und die >Ströme/Spannungen darstellen kann, zeigt den Leiterstrom der >Leiterspannung immer nacheilend an. Was erwartest Du denn? Solange Du die Maschine nicht übersynchron betreibst ist das ein (überwiegend) induktiver Verbraucher, der den Strom verzögert. guude ts
Thomas S. schrieb: >>Das Leistungsmessgerät, das am realen Motor angeschlossen ist und die >>Ströme/Spannungen darstellen kann, zeigt den Leiterstrom der >>Leiterspannung immer nacheilend an. > > Was erwartest Du denn? Solange Du die Maschine nicht übersynchron > betreibst > ist das ein (überwiegend) induktiver Verbraucher, der den Strom > verzögert. > > guude > ts Der Leiterstrom ist in Dreieck nicht gleich Strangstrom. Wie gesagt: um 30° verschoben...nur in welche Richtung?
...wie oben geschrieben, mit der Ergänzung: bezogen auf die jeweilige Spannung!, verzögert, also nacheilend. Mach Deine Messungen mal auf EINE Spule bezogen, und nicht so ein Durcheinander. Dann wirst Du erkennen, dass der Strom auf die (unter Umständen) phasenbezogene Spannung nacheilt. guude ts
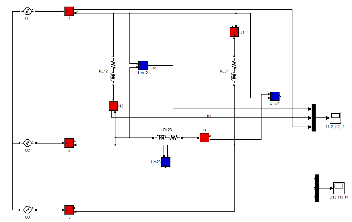
Der Plot ist bei geringer Frequenz (f=5Hz) aufgenommen worden. Darum sind i12 zu u12 in Phase. Es geht um die Phasenbeziehung zwischen i12 und i1.
Bitte melde dich an um einen Beitrag zu schreiben. Anmeldung ist kostenlos und dauert nur eine Minute.
Bestehender Account
Schon ein Account bei Google/GoogleMail? Keine Anmeldung erforderlich!
Mit Google-Account einloggen
Mit Google-Account einloggen
Noch kein Account? Hier anmelden.




