Hallo Ich brauche Flip Flops mit negativer Flankensteuerung, allerdings weiß ich nicht so recht wo ich das kaufen kann.VIeleicht könnte mir jemand weiterhelfen? MfG
> Flankengeteuertes Flip Flop
auf jeden fall wird es durch die flanken nicht teurer! ;)
SCNR
Marco V. schrieb: > Ich brauche Flip Flops mit negativer Flankensteuerung, allerdings weiß > ich nicht so recht wo ich das kaufen kann.VIeleicht könnte mir jemand > weiterhelfen? Was für ein FF und wozu? ..und was spricht gegen Invertieren vor dem Eingang?
http://de.wikipedia.org/wiki/Flip-Flops Vielleicht findest Du bei http://www.zalando.de/ welche? Im Ernst: Was für eines darf es denn sein? RS, D, JK, JK-MS? Hier ist eine Übersicht: http://www.domnick-elektronik.de/elekttl.htm Bestellen kann man z.B. bei reichelt.de, elpro.org, conrad.de, distrelec.de, de.rs-online.com, buerklin.com, kessler-electronic.de, de.farnell.com, voelkner.de.
hey, du könntest einen CD4538 nehmen. ist eigtl da um einen Puls zu erzeugen...aber den kann man ja auch gegen unendlich gehen lassen;-) Siehe Datenblatt. Oder normales D-FF mit inverter vorm clk!
Also, ein Rs Flip Flop wäre gut. Benutzrn möchte ich es in einer Steurung für die Beleuchtung eines Unimog Modells.Da zum schalten nur 1 bzw 0 habe, also nur ein Signal bzw. nur einen Taster an der Fernbediening, muss die Steuerung so ausehen: einmal tasten, erstes FF=1, zweitemal tasten zweites FF=1 und drittesmal tasten werden beide zurüchgesetzt.Da es mit nicht flankengest. zu Problemen kommt, bräuchte ich eben ein RS das erst bei der negativen Flanke des Eingangssignals setzt. MfG
wenn die Schaltung nicht mehr machen soll, würde ich einen Zählerbaustein nehmen. zB.den 4017ner Entsprechenden Zähl-Ausgang auf Reset, damit nicht zu hoch gezählt wird. Die 2 Ausgänge für die Beleuchtung über Dioden verschalten, um quasi ein oder-Gatter zu erzeugen.
Danke für den Tip. Hab es mir grade angeschaut, ist ne super Sache.Wenn ich einen Binären nehme hab ich sogar die Möglichkeit die Scheinwerfer einzeln zu bzw. in verschiedenen Kombinationen zu schalten, ohne dafür weitere Gatter nehmen zu müssen.
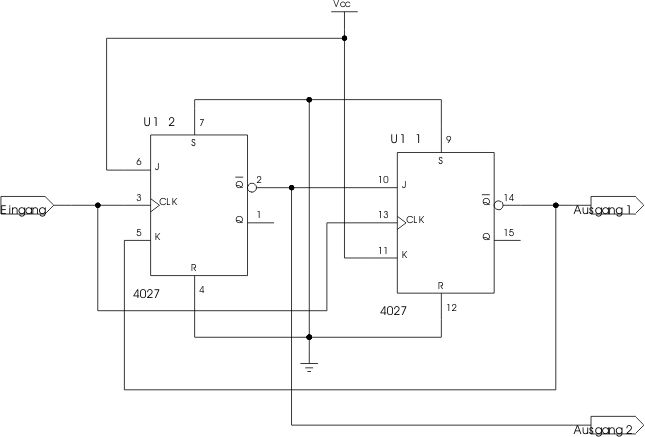
Hin und her schalten tut man gerne mit JK-FFs, z.B. 4027. Marco V. schrieb: > einmal tasten, erstes FF=1, zweitemal tasten zweites FF=1 und > drittesmal tasten werden beide zurüchgesetzt. Schade, zu spät. Mein Vorschlag wäre wie im Schaltbild gewesen. (Einen Inverter hättest Du noch selbst davor basteln können.)
Bitte melde dich an um einen Beitrag zu schreiben. Anmeldung ist kostenlos und dauert nur eine Minute.
Bestehender Account
Schon ein Account bei Google/GoogleMail? Keine Anmeldung erforderlich!
Mit Google-Account einloggen
Mit Google-Account einloggen
Noch kein Account? Hier anmelden.
