Hallo, ich habe gerade ein Mikrocontroller programmiert (Atmega8) mit dem Avrstudio und über ein USBProg. Das war nicht das erste mal, dass ich das gemacht habe und alles ging auch gut. Ich habe den MC dann auf ein eigenes Board eingebaut und bemerkte, dass er nicht richtig funktionierte und wollte ihn nochmal umprogrammieren. Jetzt kommt aber plötzlich die Meldung: Setting mode and device parameters.. OK! Entering programming mode.. FAILED! Leaving programming mode.. OK! wenn ich etwas machen will. Mein Programmierboard ist nicht kaputt, da ich andere MC immer noch beschreiben, lesen.. etc kann. Kann es sein das mein MC einfach einen Schaden genommen hat oder gibt es eine Art "recovery" mit der man doch irgendwie wieder drauf kommt um ihn zu lesen, zu schreiben... aber ich denke mal eher nicht, oder? Gruß Moe
Die Dinger sind normalerweise sehr robust. Vielleicht stimmt deine Beschaltung nicht. Evtl. hast du auch die Fuses verstellt. Mehr gibt meine Glaskugel gerade nicht her.
Hi, wie kann es denn dazu kommen, dass die Fuses verstellt werden?? Gruß
Nur mit Absicht ! Wenn man die Fuses konfiguriert und etwas falsch macht, also immer Datasheet lesen (lieber 2 mal oder 3 mal nachlesen welche man denn für das gewünschte Verhalten setzen muß). Der Datasheet ist eigentlich das WICHTIGSTE Dokument bei der Entwicklung und würde viele Fragen hier im Forum gar nicht aufkommen lassen !!!
> Ich habe den MC dann auf ein eigenes Board eingebaut
Schematic, PCB und Foto(s) vom Board liefern. Alles andere hat keinen
Zweck...
Moe schrieb: > Kann es sein das mein MC einfach einen Schaden genommen hat oder gibt es > eine Art "recovery" mit der man doch irgendwie wieder drauf kommt um ihn > zu lesen, zu schreiben... aber ich denke mal eher nicht, oder? Recovery kann man mit High Voltage (HV) programming versuchen. Kann z.B. STK500 oder AVR Dragon.
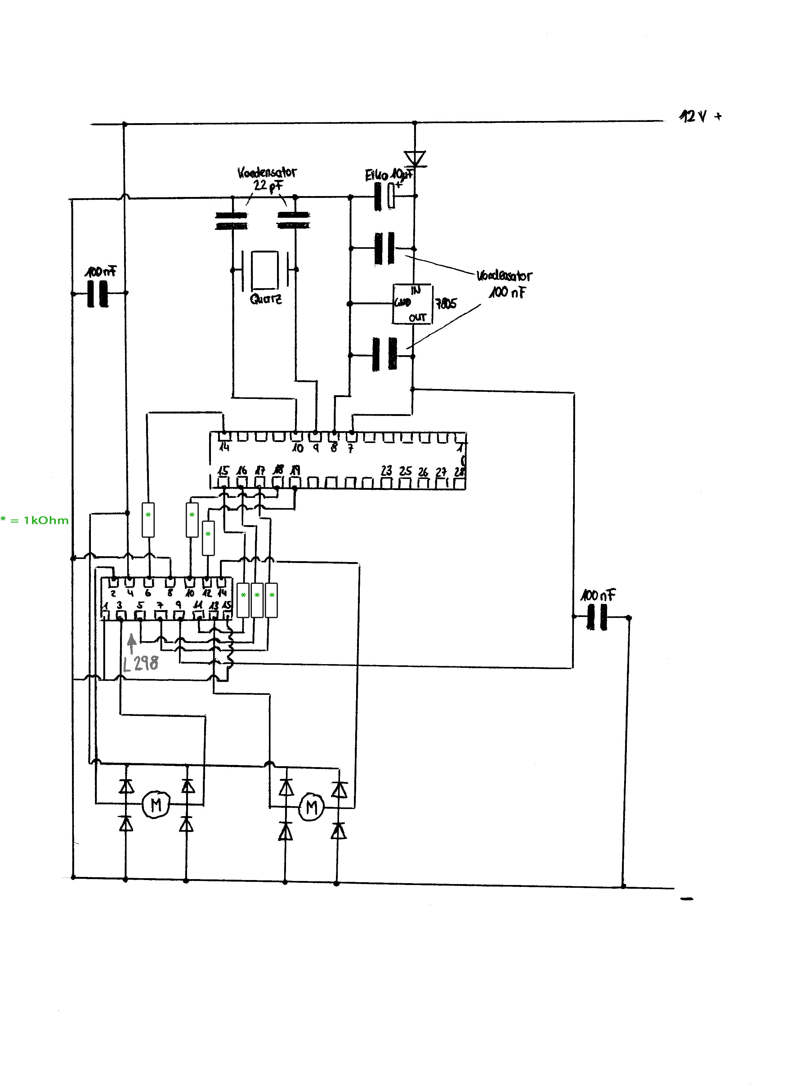
Hier ist noch die Schaltung-Platine auf der es passiert ist. (Sie ist nicht genau so gelötet, bzw schon so aufgebaut nur ich hab es ein wenig anderst dargestellt, um es besser (überscihtlicher) zeichnen zu können.. In der Mitte ist eben der Atmega8, welcher ein Motor über eine H-Brücke steuert. Und wie schon gesagt, ab dem Zeitpunkt, als ich den Mikrocontroller da eingestetzt habe, kommt der Fehler in dem AvrStudio.. Gruß
Bitte melde dich an um einen Beitrag zu schreiben. Anmeldung ist kostenlos und dauert nur eine Minute.
Bestehender Account
Schon ein Account bei Google/GoogleMail? Keine Anmeldung erforderlich!
Mit Google-Account einloggen
Mit Google-Account einloggen
Noch kein Account? Hier anmelden.
