Forum: Mikrocontroller und Digitale Elektronik Mit MC regelbarer Konstantstrom


von Florian M. (micro-flo)


Lesenswert?

Hallo zusammen,
Für ein neues Projekt brauche ich 4 Ausgänge, auf die ich 7mA, 14mA oder 
28mA geben kann.
Die Umschaltzeit zwischen den Strömen sollte max. 2µs betragen.

Ich dachte an einen LM317, dem ich unterschiedliche Feedback Widerstände 
per Transistor zuschalte.
Oder einen AD5439, bei ich ehrlich gesagt die Funktionsweise nicht 
verstehe...

Vielleicht habt ihr gute Tipps für mich?
Danke!

von Lehrmann M. (ubimbo)


Lesenswert?

Hallo,

gooogle doch mal nach 'KSQ' oder 'Konstantstromquelle'. Ist im Bereich 
der LED-Leute seh bekannt. Die sind entweder fixiert (seltener) oder 
einstellbar mittels sog. PWM (Pulsweitenmodulation, 
http://www.rn-wissen.de/index.php/Pulsweitenmodulation)

Florian Micro schrieb:
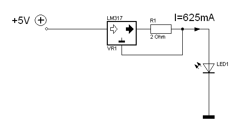
> Ich dachte an einen LM317, dem ich unterschiedliche Feedback Widerstände
> per Transistor zuschalte.

Das ist die Quick n' Dirty - Methode, funktioniert, ist aber nichts 
besonderes, schlechter Wirkungsgrad.
Verschaltung sieht dann meistens so aus: 
http://www.ledhilfe.de/download/file.php?id=10318&sid=4e10e8387bf23ad22baa30e4a86fb37d

Florian Micro schrieb:
> Oder einen AD5439, bei ich ehrlich gesagt die Funktionsweise nicht
> verstehe...

Das ist ein Digital-Analog-Wandler (digital einstellbare 
Spannungsquelle) - eher weniger als Stromquelle geeignet =)

von MaWin (Gast)


Lesenswert?

Ein LM317 ist ein SPANNUNGSregler,
für 7mA ist der kaum geeignet, er braucht schon 5mA Grundlast.

2µs ist recht flott, 28mA recht wenig.

Reichen keine Vorwiderstände direkt am Portausgang des uC ?

Ansonsten stellt sich erst mal die Frage, ob der Strom nach Masse 
abgeleitet werden soll oder von (5V?) geliefert werden soll, und welche 
Spannung (Bürde) dabei an der Last abfallen könnte, welche Restspannung 
also für die Regelschaltung übrig bleibt.

> schlechter Wirkungsgrad

Der Wirkungrad, sorry, wird so was von egal sein bei 28mA, es wid wohl 
kaum eine Koplianz bis 100V nötig sein.

von Michael (Gast)


Lesenswert?

Florian Micro schrieb:
> Ich dachte an einen LM317

Ein Strom von 7 mA könnte damit knapp werden. Der minimale Laststrom 
kann laut Datenblatt bis 10 mA betragen.
Zwei FETs zum Parallelschalten von Feedbackwiderständen sollte klappen.

von Dennis (Gast)


Lesenswert?

Wenn dir der Preis nichts ausmacht, dann besorg dir einen DA-Wandler wie 
den AD420/421. Nur zwei us ist etwas sportlich!

von mhh (Gast)


Lesenswert?

+ Ub ----------------
     |      |       |
   KSQ1   KSQ2    KSQ3
   7 mA   7 mA    14mA
     |      |       |
     |      |       |
     |      |-|     |-|
     |      | |     | |
     D      D |     D |
     |      | |     | |
     |      | |     | |
     ---------(-------(------------------  Ia
              |       |
              |       |
        gegen Masse schalten
      zum umschalten der Ströme

Spontane Idee in der Theorie. Da die KSQn eingeregelt sind, sollte das 
schneller sein als eine KSQ umzustellen.

von Michel (Gast)


Lesenswert?

Lehrmann Michael schrieb:
> Das ist ein Digital-Analog-Wandler (digital einstellbare
> Spannungsquelle) - eher weniger als Stromquelle geeignet =)

Wie würdest du denn - abgesehen davon, dass der AD5439 einen digital 
einstellbaren Strom liefert - die Sollwertvorgabe für den Strom machen, 
wenn nicht mit einem ADC?

von Jobst M. (jobstens-de)


Lesenswert?

Vielleicht reicht auch schon der Gegenkopplungszweig eines geeigneten 
OPs ...


Gruß

Jobst

Bitte melde dich an um einen Beitrag zu schreiben. Anmeldung ist kostenlos und dauert nur eine Minute.
Bestehender Account
Schon ein Account bei Google/GoogleMail? Keine Anmeldung erforderlich!
Mit Google-Account einloggen
Noch kein Account? Hier anmelden.