Hallo, ich arbeite zurzeit an meiner Diplomarbeit im Bereich Maschinenbau bei der ich im praktischen Teil dünne Stahlbleche (ja 50µm) mit dem Kondensatorentladungsschweißverfahren im Überlappstoß verbinden möchte. Dazu habe ich mir schon einen einfachen Aufbau zusammengebaut mit dem das Schweißen einzelner Punkte gut funktioniert. Allerdings fehlt mir ein wenig der elektrotechnische Sachverstand bei manchen Details und hoffe, dass ihr mir helfen könnt. Um eine bessere Reproduzierbarkeit zu erreichen und die ganze Handhabung einfacher zu gestalten, möchte ich jetzt eine Schaltung bauen, bei der die drei Elektrodenpaare nacheinander in einer beliebigen Reihenfolge geschaltet werden können. Genauer gesagt sollen es drei veränderbare Kondensatorpakete geben, die über eine Stromquelle geladen und jeweils per Knopfdruck einzeln entladen werden können. Die Eingangsdaten sind: • Laden bei einer Spannung von 12V und 16V (momentan über einen 100Ω Widerstand) • Kondensatorkapazität veränderbar zwischen 22.000µF und 62.000µF (in 10.000µF Schritten) Ich habe jetzt im Netz eine Schaltung gefunden, die grundsätzlich dem entspricht was ich bauen möchte (siehe Dateianhang). Allerdings werde ich nur den türkisfarbenden Teil einsetzen. Nun zu meinen Fragen. Im türkisfarbenden Bereich sind MOSFETs eingesetzt, die nach meiner Recherche pro Stück ca. 14Euro kosten. Besteht die Möglichkeit mehrere „kleinere“ MOSFETs parallel zu schalten, um nicht die teuren MOSFETs nutzen zu müssen? Ich habe mir auch sagen lassen, dass die Kondensatoren am besten über einen Widerstand entladen werden sollte (Haltbarkeit). Wie kann ich sowas auslegen oder könnt ihr mir über die Eingangsdaten einen Daumenwert nennen? Über eine kurze Rückmeldung würde ich mich freuen. Falls ihr noch mehr Details braucht steh ich euch gerne zu Verfügung. Besten Dank schon mal! Gruß Robert
Wenn die Ergebnisse reproduzierbar sein sollen, muss jedesmal annähernd die gleiche Strom-Zeit-Kurve bei der Entladung durchlaufen werden. Das geht am besten mit einer gesteuerten Stromquelle. Für die Mosfets gibt es bei Reichelt wesentlich günstigere Austauschtypen.
Hallo, von dem genannten IXYS Typ habe ich zwar noch 28 Stück vorrätig, es sollte aber auch IRF3205 gehen. ( 55V 110A TO-220 ) Der Nachteil, die TO-247 lassen sich besser kühlen, wegen der größeren Gehäusefläche haben aber keine Bohrung, also anpressen notwendig. Wenn man die Symetrierwiderstände geringfügig größer wählt und 10 von den IRF3205 nimmt, sollte nichts schiefgehen. Großzügiger Kühlkörper natürlich wichtig, damit auf Dauer das Temperaturniveau nicht zu hoch wird. Da die Potenziale gleich sind, ist der Aufbau relativ einfach. Die Teile gab es bei Eb.. im Bastelset relativ günstig, ich glaub ehemals Angelika hat die auch im Angebot. MfG Murkel
Hallo, noch eine kleine Ergänzung zu meinem Beitrag. Um eine Reproduzierbarkeit der Ergebnisse zu erreichen, spielen viele Faktoren eine größere Rolle als z.B eine Stromregelung. Elektrodenmaterial, Luftspalt und Übergangswiderstand. Da ich mich auch mit dem Thema befasst habe, in meinem Fall einen Schweißtrafo genutzt und eine zusätzlich Wicklung aufgebracht, geringe Spannung aber reichlich Strom, muss der Anpressdruck immer konstant sein. Das erreicht man durch Federbelastete Elektroden und einen Wegendschalter, der den Schweißstrom freigibt. Entweder der Impulsstrom wird in seiner Zeit begrenzt oder pulst sowieso. Ladefunktion der Elko's in Deinem Fall je nach Speisung zeitlich konstant. Also kannst Du den Ladezustand über die Zeit so ausnutzen, das die verfügbare wirksame Energie für den Schweißvorgang genutzt wird. Wenn der Strom die untere Schwelle unterschritten hat, bringt das nicht mehr das gewünschte Ergebnis. Also kann man, in Abhängigkeit der Nennspannung des Kondensators einen Timer verwenden, der die Einsatzfähigkeit des Impulses signalisiert. Das Elektrodenmaterial ist im einfachsten Fall Kupfer, hier muss man aber mit Abbrand rechnen und damit verbunden einen erhöhten Übergangswiderstand über die Nutzungsdauer. Es gibt spezielle Legierungen, die dafür besser geeignet sind. Diese werden z.B in der Autoindustrie für die Schweißroboter verwendet. Früher wurde das noch mit pneumatischen Zangen gemacht, die von Mitarbeitern bedient wurden. Das Material hat eine sehr hohe Dichte, ich habe ca. 30 cm davon bevorratet, daher die Erkenntnisse. Noch verschärfter ist die Verwendung von Schweißwalzen als Elektroden. Das bewirkt ein sehr gleichmäßiges Nahtbild und kann je nach Verfahren sogar gasdicht werden. Beispiel Flugzeugturbinen. MfG Murkel
62 mF bei 12 oder 16 V reicht nicht. Bei 15 V sind 1F schon knapp. Ich habe momentan 3 F, die ich mit einem Strassenbahnthyristor schalte. Auch die Kabel müssen bei den zu erwartenden Strömen recht grosszügig bemessen sein. Dicke Lautprecherkabel - beide Adern parallel. Als Kondensatoren eignen sich Audiokondensatoren für Prolautos, die somit einer sinnvollen Anwendung zugeführt werden.
Günter K. schrieb: > geringe Spannung aber reichlich Strom, muss der Anpressdruck immer > konstant sein. Die Stromdichte und nicht der Anpressdruck erzeugt die Wärmewirkung und damit die Schweißstelle. Günter K. schrieb: > Entweder der Impulsstrom wird in seiner Zeit begrenzt oder pulst sowieso. Ähhhh...??? Günter K. schrieb: > Wenn der Strom die untere Schwelle unterschritten hat, bringt das nicht > mehr das gewünschte Ergebnis. Ja klar, zu wenig Strom -> keine Schweißung, wer hätte das gedacht. Günter K. schrieb: > Also kann man, in Abhängigkeit der > Nennspannung des Kondensators einen Timer verwenden, der die > Einsatzfähigkeit des Impulses signalisiert. Na bloß gut... Günter K. schrieb: > Das Material hat eine sehr hohe Dichte, ich > habe ca. 30 cm davon bevorratet, daher die Erkenntnisse. Da bin ich aber froh. Man, trink nicht so viel
Hallo Robert, vielleicht auch hier mal gucken: Beitrag "[V] Diverse Leistungshalbleiter IGBTs MOSFET schnelle Dioden 1200V" Gruß, D. Ps.: Gruß auch an C.D. Dann ist es ja angekommen, klasse!
Hi ArnoR, Stromdichte geht nur , wenn sich das Blech berührt, vollflächig! Aber egal Du hast recht, reicht Dir das. Murkel
> Die Stromdichte und nicht der Anpressdruck erzeugt die > Wärmewirkung und damit die Schweißstelle. Leider nein. Es ist komplizierter. Eigentlich ist die Schweisstelle, zweier zwischen die Elektroden geklemmte Bleche, die direkt aufeinanderliegen und vielleict direkt daneben schon zusammengeschweisst wurden, so gut leitend wie ein Stück Draht, und es ist vollkommen aberwitzig, daß gerade an dieser Stelle die Energie aus dem Kondensator landen sollte. Ebensogut hätte sie sich im ESR des Kondensators selbst, im Widerstand der Leitungen und Elektroden, und vor allem im Schaltelement, das einen deutlich höheren Widerstandswert hat als die Schweissstelle, in Wärme umsetzen können. Warum also wird gerade die Schweisstelle so heiss, nimmt gerade die Schweisstelle die Energie aus dem Kondensator an? Weil sie eben nicht so gut leitend ist. Und das liegt am Anpressdruck. Der muß ausreichen, daß nur eine kleine Stelle des etwas unebenen und vielleicht mit einer Passivierungsgsschicht versehenen Blechs elektrischen Kontakt hat, aber wenn dort der Strom fliesst, muß sie klein genug sein, damit es heiss wird und Metall verdampft. Nur dadurch bildet sich ein Lichtbogen aus ausdehnendem Luftplasma, der die Bleche auseinanderdrückt, so daß der Strom nicht von Metall zu Metall wie in einem Draht, sondern vom Blech in Plasma ins andere Blech geht, und die Stelle wegen des im Verleich zur Restschaltung eher hohen Widerstandes heiss wird. Lässt der Schweisstrom nach, lässt der Drck des verdampfenden Metalls im Plasma nach und der Anpressdruck muß beide heissen angeschmolzenen Bleche sofort aneinanderdrücken. Der Anpressdruck ist also fast das wichtigste beim Punktschweissen. Rein physikalisch würde sonst 90% der Energie im schaltenden Thyristor oder MOSFET beiben, 9% im ESR des Kondenstaors, und 1% in den Leitungen, von denen 0.01% an der Berührungsstelle der Bleche, also dem eigentlichen Schweisspunkt, landen würde. Also ein mieser Wirkungsgrad, bei dem vor allem die Thyristoren verschweisst werden. Dummerweise ist das richtige Kondensatorschweissen nicht so viel anders. Es wäre VIEL sinnvoller, vor die Schweisselektroden einen Trafo zu setzen und auf der primären Seite den niedrigeren Strom bei deutlch höherer Spannung zu schalten. Das verZEHNfacht sicherlich den Wirkungsgrad sofort.
Hallo MaWin, ich muss gestehen, das hätte ich nicht besser erklären können. Trotzdem werde ich mich aus dem Thread ausklinken, da ich ja noch trinken muss. Gruß Murkel
MaWin schrieb: > das einen deutlich höheren Widerstandswert hat als die Schweissstelle, > Warum also wird gerade die Schweisstelle so heiss, > nimmt gerade die Schweisstelle die Energie aus dem Kondensator an? > Weil sie eben nicht so gut leitend ist. Hier widersprichst du dir wohl selbst. Erst sind andere Beteiligte schlechter leitend als die Schweißstelle, dann ist die Schweißstelle selbst nicht so gut leitend. MaWin schrieb: > aber wenn dort der Strom fliesst, muß sie klein genug sein, > damit es heiss wird und Metall verdampft. Naja zunächst mal verflüssigt sich das Metall und wird durch den Anpressdruck ineinander gepresst. Die Fläche und damit die Stromdichte wird durch die Elektroden bestimmt.
> Hier widersprichst du dir wohl selbst
Ich wollte den Denkweg aufzeicgen.
Man glaubt, die Schweisstelle wäre quasi Metall auf Metall leitend,
aber erkennt, daß das doch nicht so sein darf, sonst würde es nicht
funktionieren.
Im Prinzip stimmt alles von MaWin gesagte, nur den "schlechten Widerstand" muss man ein bisschen verschieben, nämlich zwischen Blech und Elektrode. Denn man stelle sich vor man hat schon ein paar Schweisspunkte zwischen Blech-Blech gesetzt, dann gibts da fast keinen Widerstand mehr zwischen Blech-Blech an dem sich Wärme entwickeln könnte.
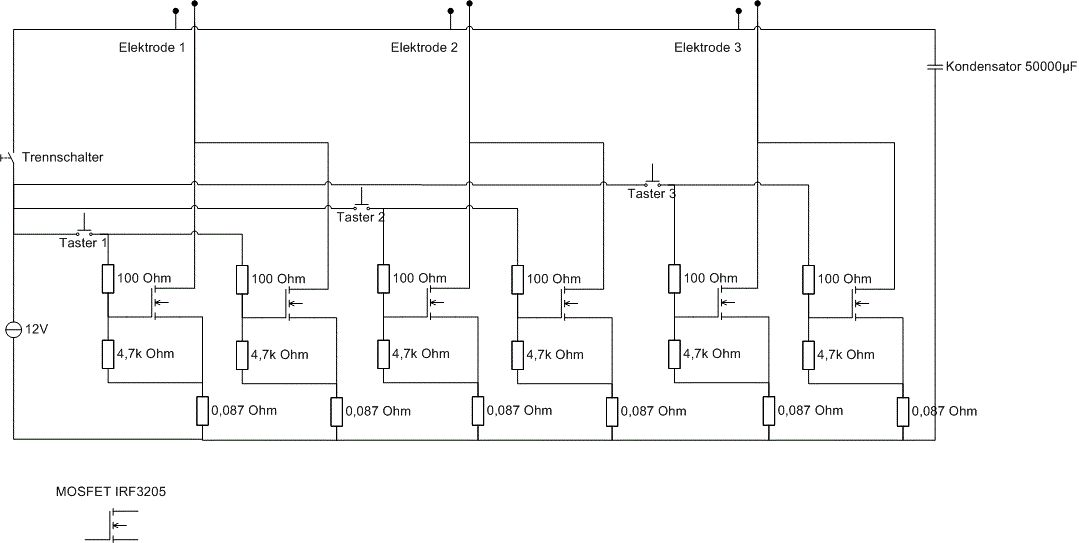
Hallo, erstmal möchte ich mich für die vielen Antworten bedanken. Mittlerweile habe ich die Schaltung auch aufgebaut. Im Anhang ist der Aufbau der Schaltung zu finden. Die Schaltung funktioniert grundsätzlich auch: - Trennschalter an - Kondensator laden - Trennschalter zu - Kondensator über Taster entladen Allerdings kommt an den Elektroden nicht genug Spannung an, um die Bleche (je 20-50μm) zu verschweißen. Das heißt ab und zu kommt es doch zu einem Schweißpunkt, aber das passiert eher unregelmäßig und ist nicht zu reproduzieren. Der Schweißpunkt ist dann auch nicht so gut ausgeprägt, wie bei einer direkten Entladung der Kondensatoren ohne Schaltung. Wenn ich den Kondensator über die Schaltung lade und dann manuell entlade kommt es immer zu einem Schweißpunkt. Daher denke ich, dass die Spannung irgendwo innerhalb der Schaltung verloren geht. Ich nutze noch Banandenstecker und Buchsen. Kann es sein, dass darüber Leistung verloren geht? Vielleicht könnt ihr mir ja noch einen Tipp geben, woran es liegen könnte. Besten Dank schon mal! Gruß Robert
@ Robert (Gast) > Ausloeser.gif Komische Schaltung. Was sollen die 87 mOhm an den MOSFETs? Sind deine Schaltungsverluste noch nicht hoch genug? >- Trennschalter an Der Fachmann nennt das schließen. >- Kondensator laden >- Trennschalter zu Der Fachmann nennt das Öffnen, und hier beginnen die Irritationen. >- Kondensator über Taster entladen >Schaltung. Wenn ich den Kondensator über die Schaltung lade und dann >manuell entlade Wie? >nutze noch Banandenstecker und Buchsen. Kann es sein, dass darüber >Leistung verloren geht? OMG! Wie naiv kann man sein?
Die 87m versteh ich nicht. Du willst doch da nix Stromgegenkoppeln...
Die Gatewiderstände sollten an Masse und nicht an Source gelegt werden. Die 12V Ladequelle würde ich immer dran lassen und nicht über den Trenner abschalten, denn einen Kurzschluss muss die Quelle beim Aufladen der 50mF eh aushalten und so hast du etwas mehr Schweißstrom. Die Gatespannung mit einer Diode von der Kondensatorspannung entkoppeln, sonst werden die Fets schnell hochohmig und entladen den Kondensator nicht richtig.
Bitte melde dich an um einen Beitrag zu schreiben. Anmeldung ist kostenlos und dauert nur eine Minute.
Bestehender Account
Schon ein Account bei Google/GoogleMail? Keine Anmeldung erforderlich!
Mit Google-Account einloggen
Mit Google-Account einloggen
Noch kein Account? Hier anmelden.

