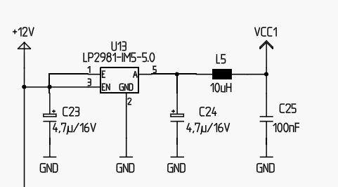
Guten Morgen, ich würde gerne wissen, was das für eine Beschaltung für den Spannungsregler ist. In habe so etwas noch in keinem Datenblatt zu einem Spannungsregler gesehen. Danke!
Da hat sich jemand Gedanken um Restwelligkeit des Reglers gemacht und versucht diese per Drossel zu dämpfen. Der Grund vermutlich, alle Regler schwingen etwas und diese kleine Schwingung soll gedämpft werden. Ob es was bringt ist wieder ne andere Frage und der Verwendungszweck natürlich auch. Kann man machen.
Ich habe vermutet, dass es hier um die "Filterung" der Versorgungsspannung geht. Auf diesem Board sind 2 12-Bit AD-Wandler mit zugehörigen Referenzen drauf. Ich habe schon angetroffen, dass man so eine "Filterschaltung" vor dem Vcc-Eingang (sehr nahe an den Pins) eines AD-Wandlers macht, damit die Versorgung ganz stabil ist. Wäre das nicht sinnvoller als am Ausgang des Reglers?
Und wie dimensioniert man die Drossel richtig in so einem Fall?
Oder welche Frequenzeh filtert die angehängte Schaltung raus? Es ist ja ein LC-Tiefpass mit der Grenzfrequenz (Resonanzfrequenz) 1/Wurzel(LC). Setzt man die Werte aus der Schaltung ein, kommt man auf ca. 160 kHz, stimmt es so?
> Und wie dimensioniert man die Drossel richtig in so einem Fall? Empirisch. Rein theoretisch hat man einen Schwingkreis gebaut, der zu heftigen Oszillationenn mit der Verstärkung des Spannungsreglers führen kann. Die Theorie hilft also nicht, die Konstruktion funktioniert nur wegen der Nebenwerte und Anordnung der Bauteile. Normalerweise findet man so eine Konstruktion am AVCC --10uH--+-- | 100nF | Anschluss eines AVR, um die Analogspannung von der gestörten Digitalspannung vor Störeinflüssen zu isolieren. Die Frequenz im Digitalteils liegt irgendwo bei der Oszillatorfrequenz des uC, aber mit vielen Anteilen darüber und darunter, man will also im Megehatzbereich gut dämpfen. Gar zu hohe Ferquenzen haben aber keinen Einfluss mehr aus den Analogteil, hunderte Megahertz muß man also nicht mehr so gut dämpfen. Also sucht man sich aus KONKRETEN Bauteilen bei einem KONKRETEN Platinenlayout die aus, bei der die Filterwirkung optimal ist. Dabei gilt nicht "viel bringt viel" weil grosse Drosseln hohe Frequenzen duirch kapazitive Kopplung der Windungen wieder durchlassen und grosse Kondensatoren bei hohen Frequenzen eher den Strom nicht annehmen. Die 100nF/10uH sind nur ein Anhaltspunkt. Wenn man es simulieren will, sollte man ESR und ESL der Kondensatoren, ESR und Windungskapazität der Spulen, besser noch deren Frequenzgang, einsetzen und die Induktivität, Kapazität und Widerstand der Leiterbahnen nicht vergessen.
>Ich habe schon angetroffen, dass man so >eine "Filterschaltung" vor dem Vcc-Eingang (sehr nahe an den Pins) eines >AD-Wandlers macht, damit die Versorgung ganz stabil ist. Wäre das nicht >sinnvoller als am Ausgang des Reglers? ja, solche Entkopplungen direkt am BT sind oft sehr sinnvoll. Was die Dimensionierung der Drossel angeht, so muß man sich überlegen, ob man eine relativ konstante Last anlegt, oder ob die auch stark und mit niedriger Frequenz schwanken kann. Wenn letzteres zutrifft, muß die Drossel sehr niederohmig sein, um den wechselnden Spannungsabfall klein zu halten.Außerdem muß der Sättigungsstrom der Drossel natürlich größer sein als der Versorgungsstrom. Der Induktivitätswert selbst kann meist nur durch probieren ermittelt werden, weil man die Versorgungssystem-resonanzfrequenz im Normalfall nicht kennt. Grüße
Ich danke für die Antworten geb schrieb: > Der Induktivitätswert selbst kann meist > nur durch probieren ermittelt werden, weil man die > Versorgungssystem-resonanzfrequenz im Normalfall nicht kennt. Und welchen Zusammenhang gibt es zwischen Induktivitätswert und der Versorgungssystem-Resonanzfrequenz. Meine Vermutung: Bei der Resonanzfrequenz gibt es die Überhöhung, was in dem Fall nicht gewünscht ist. Das heißt, der Induktivitätswert darf nicht so liegen, dass Resonanz eintritt. Richtig?
Ja, richtig. Generell sind solche Lösungen nicht unkritisch, richten, vor allem bei schlechter Dimensionierung, oft mehr Schaden an als sie nutzen. Grüße
Bitte melde dich an um einen Beitrag zu schreiben. Anmeldung ist kostenlos und dauert nur eine Minute.
Bestehender Account
Schon ein Account bei Google/GoogleMail? Keine Anmeldung erforderlich!
Mit Google-Account einloggen
Mit Google-Account einloggen
Noch kein Account? Hier anmelden.
