Guten Abend, ich habe hier mal ein kleines Problemchen. Ich google schon die ganze Zeit, aber leider nutze ich wohl die falschen Begriffe. Ich bräuchte ein Bauteil, dass mir bei Anliegen eines Low Pegels eine Reihe von Leds mit Strom versorgen kann (~100mA) und bei Anliegen eines High Pegels, eine andere Reihe. Dafür gibt es doch bestimmt einen Baustein oder etwas ähnliches, oder? Dankeschön schon mal. Grüße, Alois
einmal direkt auf ein FET (Highpegel => An) und einmal über einen Inverter an ein FET (Lowpegel => An)
Vielleicht ein ULN2003A (7 Darlingtons): Einer der Darlingtons schaltet die erste LED-Reihe, einer die zweite, einer invertiert den Eingang des zweiten (dazu ist noch ein Pullup-Widerstand erforderlich) und 4 bleiben unbenutzt.
Oder nur mit zwei FETs. Je nach Spannung/Umgebung brauchts halt noch etwas dazu.
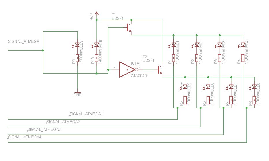
Ok, dankeschön für die Antworten! Ist mein erstes mal mit FETs Transistoren usw., daher noch etwas holprig! So wie "Bastler" habe ich es jetzt erst mal umgesetzt, das schien mir am leichtesten. Mit dem ULN2003A das schaue ich mir noch mal an. Ich habe noch mal meinen Schaltplan angehangen, da der Transistor ja 0,6V Verlust gegenüber dem Collector hat müsste ich doch bei einer roten LED mit Flussspannung 2V und meinem Lowpegel vom ATmega bei 0,2V, wegen einem Optokopplerm auf einen Vorwiderstand von 110 Ohm kommen oder? Also ((5-0,2-2) / 0,02) = 110 Ohm. Hoffe das passt soweit. Die Lösung von Markus kuck ich mir auch noch mal an, da kannte ich mir ja den Inverter sparen. Brauche ich eigentlich für die Basis noch einen Vorwiderstand? Grüße, Alois
Ich dachte eigentlich auch an etwas ähnliches wie Markus dir gezeigt hat. Deine Schaltung finde ich etwas verwirrend. (liegt vielleicht auch am Freitag!)
Markus schrieb: > Oder nur mit zwei FETs. Je nach Spannung/Umgebung brauchts halt noch > etwas dazu. Auf jeden Fall Vorwiderstände für die LEDs! Gruss Harald
Alois schrieb: > Brauche ich eigentlich für die Basis noch einen Vorwiderstand? In der von Dir gewählten Kollektorschaltung (ausnahmsweise) nicht. Allerdings wird die Schaltung so nicht funktionieren.
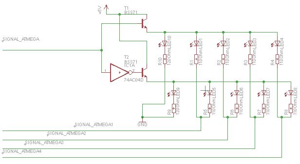
Hallo, dürfte ich bitte auch noch erfahren wieso meine Schaltung nicht funktionieren wird? Eigentliche sollte je nach High oder Low Pegel, die eine Reihe oder die andere Reihe Leds bestromt werden. Das soll auch durch LED9 bzw. 10 angezeigt werden. Zusätzlich sollen dann die einzelnen LEDs einer Reihe durch auf Masse ziehen mit dem ATmega geschaltet werden können. Eine Aufklärung wäre sehr hilfreich. Danke Ps: Ich habe das Ganze noch mal etwas abgeändert, verstehe aber immer noch nicht, warum meine erste Variante nicht gehen solle
Weil ich jedes Pärchen einzeln ansteuern möchte, ansonsten brauchte ich doch mehr Transistoren oder?
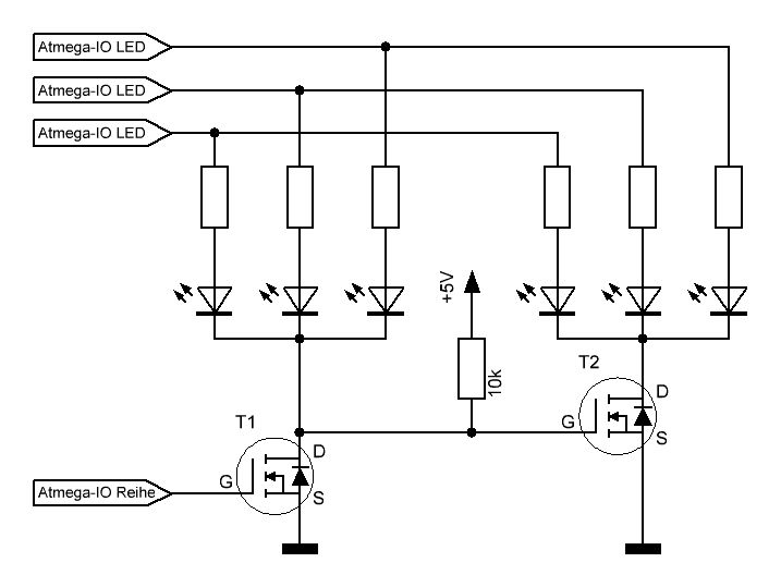
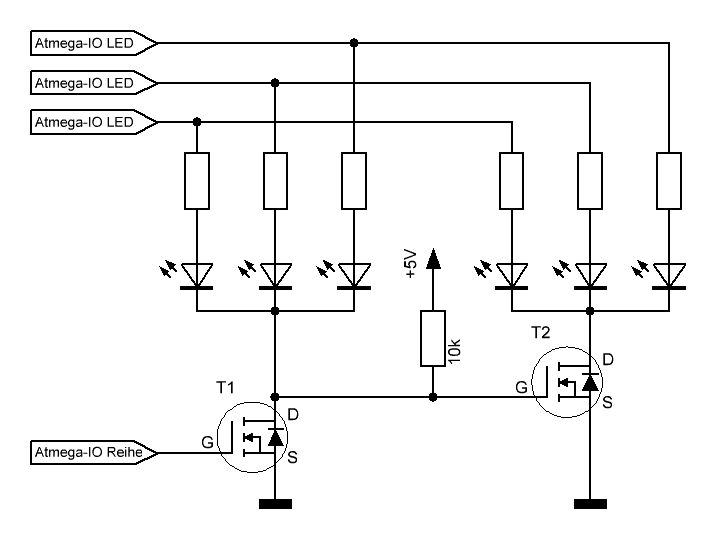
Hab mal noch was aufgezeichnet. So sollte es auch gehen. Mit zwei LL-FETs ohne zusätzlichen Inverter.
Ich perönlich würde am Gate des ersten FET einen 100k gegen Masse schalten. Kommt aber drauf an ob die "Treiberstufe" immer am Controller hängt oder nicht.
Bitte melde dich an um einen Beitrag zu schreiben. Anmeldung ist kostenlos und dauert nur eine Minute.
Bestehender Account
Schon ein Account bei Google/GoogleMail? Keine Anmeldung erforderlich!
Mit Google-Account einloggen
Mit Google-Account einloggen
Noch kein Account? Hier anmelden.



