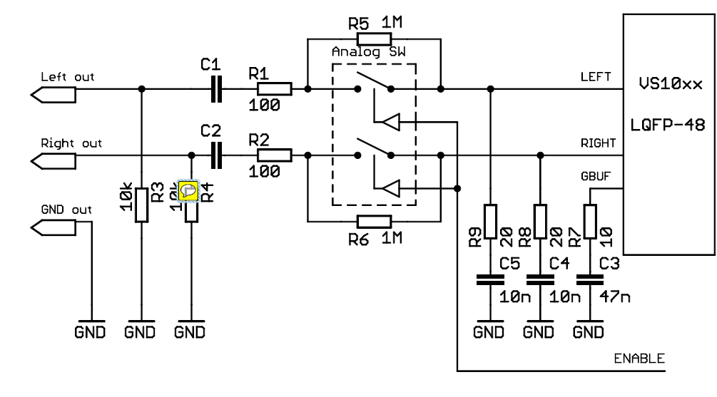
Hallo Leute. In den Appnotes von VLSI zum VS1011 ist in die Audio-Leitungen eine Art schalter eingebaut (Analog SW = analog switch?). Kennt jemand einen geeigneten Typ? im Anhang ist der Schaltplan. Wäre dankbar, da ich nicht so recht weiss was ich bei meinem Freung Google eintippen muss. Gruß M.H.
M. H. schrieb: > In den Appnotes von VLSI zum VS1011 ist in die Audio-Leitungen eine Art > schalter eingebaut (Analog SW = analog switch?). Tipp, kauf dir lieber nen VS1003 oder aufwärts (nicht die alten Viecher). Da ist diese Schaltung nicht mehr notwendig, weil intern. Gruß
Wenn ich mir mal nen richtigen Player bauen will, dann werde ich wahrscheinlich einen VS1053b verbauen. Aber für meine Testzwecke bin ich mit dem VS1011 von Reichelt besser bedient, da er nur 13,... € kostet und den VS1053b bekomm ich nur bei VLSI im Shop für 16€ (wenn ich weniger als 250 oder so kaufe).
Bitte melde dich an um einen Beitrag zu schreiben. Anmeldung ist kostenlos und dauert nur eine Minute.
Bestehender Account
Schon ein Account bei Google/GoogleMail? Keine Anmeldung erforderlich!
Mit Google-Account einloggen
Mit Google-Account einloggen
Noch kein Account? Hier anmelden.
