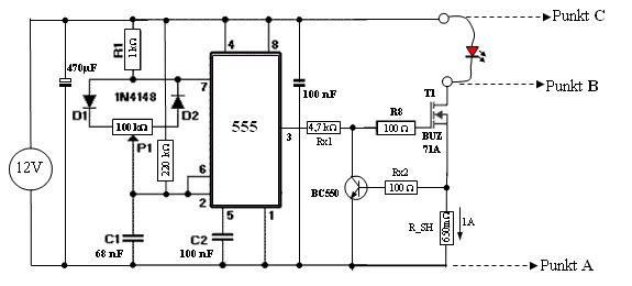
Ich habe eine PWM und dann eine Konstantstromquelle für die LED. Die Schaltung ist beigefügt. Mein Gedanke war, das die PWM die Konstantstromquelle periodisch ein- und ausschaltet. Über PIN 3 des NE555 wird die Konstantstromquelle an und ausgeschaltet. Die Schaltung funktioniert auch soweit, das heißt mit Poti 1 kann ich die Helligkeit der OLED verstellen und mit dem 2. Poti die Stromstärke über der LED. Nun wollte ich mit dem Oszilloskop die Spannung über der LED messen , doch ich messe nur Mist. Eine OLED brauch ca. 2 V an Spannung Das Osziiloskopbild habe ich beigefügt. Ich habe von Punkt C (Tastkopf) an Punkt B (Masse) gemessen. Habe ich falsch gemessen ? Und warum geht die Spannung nicht auf 0V runter ? Liegt das eventuell am MOSFET usw. oder wie muss ich messen das ich die Spannung über der OLED messe?
Parallel zur LED einen 1 kOhm Widerstand für das Messen. Wie sieht es dann auf dem Oszi aus? (für die Schaltung wird der Widerstand nicht benötigt)
Ist dein Oszilloskop massefrei oder besteht eine Beziehung zwischen Schaltungsmasse und Oszilloskopmasse? Mit einer zweikanalige Messung (an B, C) und Differenzdarstellung im Oszilloskop sollte das besser gehen.
Wenn du Oszilloskop Masse an Punkt C gegen Tastkopf Punkt B misst, muss die Spannung negativ sein!!! Bei dir ist sie plosiv!
Deine Konstant- under Referenz liegt auf der 12V-Ebene. Wenn es kein wie oben geschildertes doppeltes Masseproblem ist (Erdung des Oszi und der Versorgungsspannung), dann kannst Du einfach die Null-Linie des Oszi entsprechend verdrehen. (12V = 0-Linie und Masse ist geschalten!) Bei 650mOhm ergeben sich ca. 15A-20A If für die LED, wenn die Regelung ausfällt - ist das eine Cluster-LED? Bei solchen Schaltungen hilft eine kleine Induktivität, damit der Stromanstieg nicht im BUZ verraucht wird. Die veschliffenen Signale vom Oszi deuten auf die etwas träge Regelung hin. Cu st
Hallo ich habe einen 100 Ohm Messwiderstand parallel zur LED geschaltet und schon war die Spannung über der LED bei 0V. Weiß jemand woher jetzt diese Veränderung kommt. Die retlichen Funktionen waren alle identisch. Ich habe ein digitales Oszi also ohne zusätzlichen Massenanschluss. Was mich nur noch stört ist der exponentielle Verlauf wenn die LED ausgeschaltet wird. Weiß jemand wie man die Flanke beschleunigen kann ? Danke
StefanBAch schrieb: > Hallo ich habe einen 100 Ohm Messwiderstand parallel zur LED geschaltet > und schon war die Spannung über der LED bei 0V. > Weiß jemand woher jetzt diese Veränderung kommt. Die retlichen > Funktionen waren alle identisch. > > Ich habe ein digitales Oszi also ohne zusätzlichen Massenanschluss. > > Was mich nur noch stört ist der exponentielle Verlauf wenn die LED > ausgeschaltet wird. Weiß jemand wie man die Flanke beschleunigen kann ? Die schwarze Leitung vom Oszilloskop (Masse) sollst du auf C legen und mit der roten an B messen. Die Spannung wird dir als negative Spannung angezeigt. Bei einer Flussspannung von zwei- bis 3V und einem 100 Ohm Widerstand parallel zur LED, fließen 20 bis 30mA über diesen Widerstand. Du solltest lieber 1kOhm (wie empfohlen) oder 10kOhm nehmen. Zur Flankenversteilerung wurde dir ja schon ein Tipp gegeben. http://www.elektronik-kompendium.de/forum/forum_entry.php?id=145055&page=3&category=all&order=time
StefanBAch schrieb: > Weiß jemand woher jetzt diese Veränderung kommt Im Mosfet gibt es parasitäre Kapazitäten und Du hast ein Wechselsignal an seinem Gate. Durch diesen Widerstand hast Du den Effekt verringert und eine zufriedenstellende Anzeige auf dem Oszi erhalten. StefanBAch schrieb: > Was mich nur noch stört ist der exponentielle Verlauf wenn die LED > ausgeschaltet wird. Weiß jemand wie man die Flanke beschleunigen kann ? Schalte ein Diode mal parallel zu den 4,7 kOhm am Ausgang des 555 - Kathode zum 555, Anode Richtung R8/BC550.
mhh schrieb: >> Weiß jemand woher jetzt diese Veränderung kommt Wenn der Mosfet gesperrt ist, liegt am punkt B kein definiertes Signal an. Und die Diode lässt die positive Spannung vom Plus nicht durch. (Wegen ihrer Flussspannung) Durch den Widerstand Parallel zur Diode entsteht wieder ein eindeutiges Potential.
Bitte melde dich an um einen Beitrag zu schreiben. Anmeldung ist kostenlos und dauert nur eine Minute.
Bestehender Account
Schon ein Account bei Google/GoogleMail? Keine Anmeldung erforderlich!
Mit Google-Account einloggen
Mit Google-Account einloggen
Noch kein Account? Hier anmelden.

