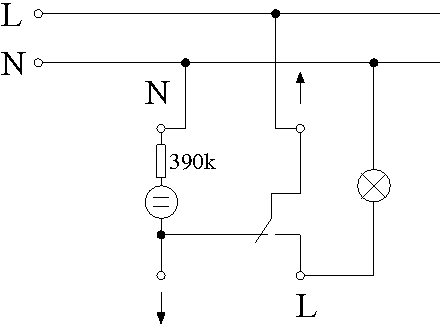
Ich habe einen Wechselschalter mit Kontrollleuchte und möchte den so anklemmen, dass die Glimmlampe leuchtet, wenn der Verbraucher aus ist. Also habe ich hinten auf den Schalter geschaut, wie der intern verschaltet ist. (Bild Schalter.png, ist korrekt, hab ich extra noch mal nachgemessen) Nun hab ich mir gedacht, ich klemme den so an wie im Bild Schalter_Lampe.png zu sehen ist. Zusätzlich hab ich auf der Homepage des Herstellers nachgeschaut und als Vorschlag für die Verschaltung das gefunden, was im Bild Schaltung.png zu sehen ist. Das kann doch nicht funktionieren, oder? Bei meinem Schalter ist die Glimmlame horizontal eingebaut und ich vermute mal man kann die drehen, dass sie genau so ist wie im Bild. Aber selbst dann kann das doch eigentlich nicht funktionieren weil N am Schalter nicht angeschlossen ist. Spricht etwas gegen meine Variante? (mit nicht gedrehter Glimmlampe)
... schrieb: > Bild Schalter.png, ist korrekt, hab ich extra noch mal > nachgemessen Bist Du Dir wirklich wirklich sicher, daß L nicht wechselweise auf die beiden Ausgänge gelegt wird? ... schrieb: > ich vermute mal man kann die drehen, dass sie genau so ist > wie im Bild. So ist das häufig. ... schrieb: > Aber selbst dann kann das doch eigentlich nicht > funktionieren Doch, funktioniert. Warum sollte es denn nicht funktionieren? Gruß Jobst
Ich bin mir 100%ig sicher, dass der Schalter intern so funktioniert wie auf der Skizze zu sehen ist. Wenn N nicht am Schalter angeschlossen ist, wo fließt dann der Strom lang, um die Glimmlampe leuchten zu lassen, wenn der Verbraucher ausgeschaltet ist?
... schrieb: > Ich bin mir 100%ig sicher, dass der Schalter intern so funktioniert wie > auf der Skizze zu sehen ist. Wenn Du Dir dann auch noch sicher bist, daß das mit der Bezeichnung mit L und Pfeilen genau so ist, wie von Dir angegeben, Dann bin ich mir sicher, daß Du einen Produktionsfehler in den Händen hältst. ... schrieb: > wenn der Verbraucher > ausgeschaltet ist? Und durch einen 'ausgeschalteten' Verbraucher, kann warum kein Strom fliessen? Wurde die Lampe aus der Schaltung entfernt? Gruß Jobst
... schrieb: > Wenn N nicht am Schalter angeschlossen ist, wo fließt dann der Strom > lang, um die Glimmlampe leuchten zu lassen, wenn der Verbraucher > ausgeschaltet ist? Der fliest durch die Lampe. Der Verbrauch der Glimmlampe ist so gering das die grosse Lampe nicht leuchtet.
@Jobst Die interne Verschaltung des Schalters ist auch genau so auf der Rückseite als Skizze ins Plastik eingepresst. Hat mich auch gewundert, deshalb habe ich das nochmal nachgemessen. @Jobst und Helmut Ist es üblich das man das so verschaltet, dass der Strom durch den Verbraucher fließt? Aus Sicherheitsgründen würde ich eine Schaltung bevorzugen, wo der Schalter im ausgeschalteten Zustand auch wirklich trennt. Spricht etwas dagegen, es so zu machen, wie ich es im Bild "Schalter_Lampe.png" gezeichnet habe?
Hallo, es gibt drei Wechselschaltungen, wobei eine verboten ist. Nur bei der normalen Wechselschaltung kannst Du die Glimmlampe über die Lastlampe bei ausgeschalteten Zustand zum leuchten bekommen. Hier der Link zum nachlesen: http://de.wikipedia.org/wiki/Wechselschaltung Zeichne mal uns die komplette Schaltung auf. Gruß Frank
Frank Wa schrieb: > Hallo, > es gibt drei Wechselschaltungen, wobei eine verboten ist. Ja, die sog. Hamburger Schaltung. Verb. ist sie aber nur im Bereich des VDE. Zur Anschalten eines Gleichstrommotors in Niederspannungs- Gleichspannungskreisen ist sie dagegen sehr gut geeignet. :-) Gruss Harald
Das ist die Schaltung so wie ich es geplant habe. Der Schalter soll eine Lampe schalten und die Glimmlampe soll leuchten wenn die Lampe aus ist, damit man den Schalter im dunkeln findet. Wenn nichts dagegen spricht, möchte ich es auch genau so anklemmen und nicht so, das der Strom durch die Glimmlampe auch durch den Verbraucher fließt wenn ausgeschaltet ist.
... schrieb: > Das ist die Schaltung so wie ich es geplant habe. Natürlich geht die auch. Aber es verwundert mich schon ein wenig, daß L vom Schalter nicht auch an L geht ... Gruß Jobst
Hallo, wo ist nun die komplette Schaltung? Eine Wechselschaltung besteht immer aus zwei Schaltern und einem Leuchtmittel. Gruß Frank
@Frank Ich hab schon mehrfach geschrieben, dass ich mit einem Wechselschalter mit Glimmlampe einen Verbraucher schalten will genau wie in der Skizze zu sehen. Von einer Wechselschaltung, also zwei Schalter für einen Verbraucher, war nie die Rede.
Bitte melde dich an um einen Beitrag zu schreiben. Anmeldung ist kostenlos und dauert nur eine Minute.
Bestehender Account
Schon ein Account bei Google/GoogleMail? Keine Anmeldung erforderlich!
Mit Google-Account einloggen
Mit Google-Account einloggen
Noch kein Account? Hier anmelden.


