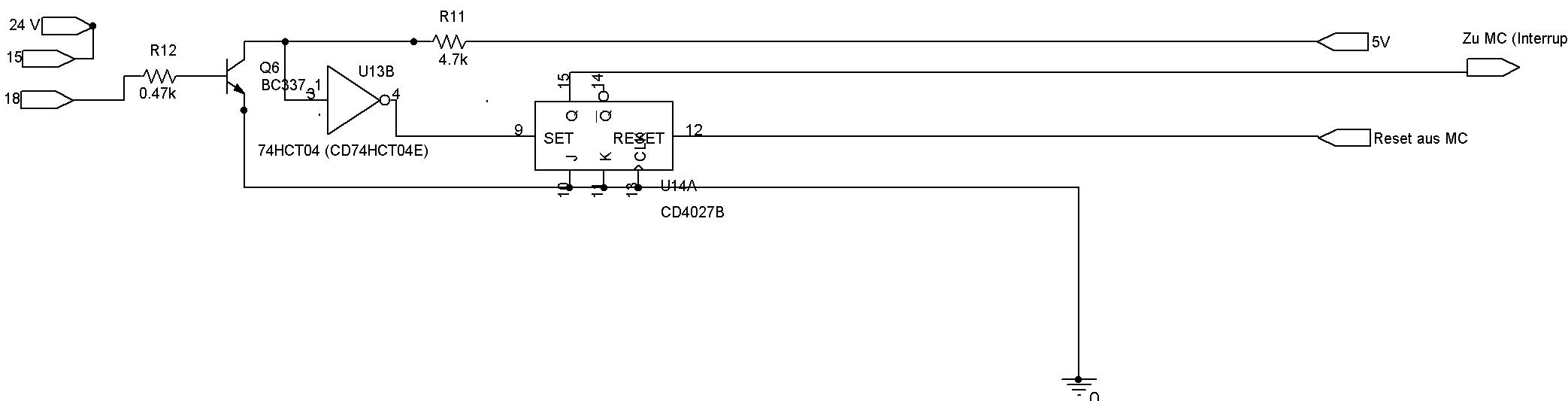
Hallo Zusammen. Ich habe eine Frage, die mich seit Tagen beschäftigt habe. Auf der Schaltung sieht man Eingang 15 mit 24 V verbunden und Eingang 18 mit Basiswiderstand. 15 und 18 sind Relaiskontakte, die schliesst wenn ich an der Spulenrelais Spannung anliege. Also, 15 und 18 sind nur reine mechanische Kontakte. D.h. Sobald 15 und 18 geschlossen ist, schaltet der Transistor ein und Ich kriege 1 /High zu Interrupt. Es funktioniert aber nicht. Wenn ich mit einer z.B. Laborbuchse oder Zange oder Schraubenzieher den Eingang 18 berühre, geht ein High-Signal an der FF-Ausgang.. Da verstehe ich wirklich nicht?
Me schrieb: > Wenn ich mit einer z.B. Laborbuchse oder Zange oder Schraubenzieher den > Eingang 18 berühre, geht ein High-Signal an der FF-Ausgang.. Das isr genau das Verhalten das man nach dem Plan auch erwartet !!! Was erwartest du ???
Bitte melde dich an um einen Beitrag zu schreiben. Anmeldung ist kostenlos und dauert nur eine Minute.
Bestehender Account
Schon ein Account bei Google/GoogleMail? Keine Anmeldung erforderlich!
Mit Google-Account einloggen
Mit Google-Account einloggen
Noch kein Account? Hier anmelden.
