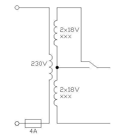
Hallo, hm, geht diese Schaltung so in Ordnung?(Trafoumschaltung) ...Danke
Tom schrieb: > Hallo, hm, geht diese Schaltung so in Ordnung?(Trafoumschaltung) > > ...Danke Kommt drauf an, was Du willst. Wenn Du anschliessend gleichrichtest, wäre es besser, wenn Du zwischen Mittelanzapfung und Minuspol des Gleichrichters umschaltest. :-) Gruss Harald
Das funktioniert beides. Du bekommst je nach Schalterstellung eine andere Spannung. Gruß Jonathan
2x18V~ sind nur effektive Angabe. Deine Spitzenspannung könnte im Leerlauf *1,4 UND höher sein je nach Trafo. Dann haben Deine Eklos dicke Backen.
Tom schrieb: > Dann wäre das so richtig? > +Warum? Wenn Du, so wie ich gesagt habe, zwischen Mittelanzapfung und Minus umschaltest, verteilt sich die Leistung bei der niedrigeren Spannung auf beide Wicklungen. Gruss Harald
Harald Wilhelms schrieb: > Wenn Du, so wie ich gesagt habe, zwischen Mittelanzapfung und > Minus umschaltest, verteilt sich die Leistung bei der niedrigeren > Spannung auf beide Wicklungen. > Gruss > Harald Oh Mann!
Bist du mit zulässigen Primärstrom deines Trafos sicher. Wenn der Kern nicht gerade 1 kW übertragen kann, wäre wahrscheinlich eine kleinere, träge Sicherung geeigneter?
Jörn Paschedag schrieb: > Harald Wilhelms schrieb: >> Wenn Du, so wie ich gesagt habe, zwischen Mittelanzapfung und >> Minus umschaltest, verteilt sich die Leistung bei der niedrigeren >> Spannung auf beide Wicklungen. >> Gruss >> Harald > > Oh Mann! Eventuell hat er ja die Umschaltung zwischen B2 und M2 Gleichrichtung gemeint...
Frank Xy schrieb: > Jörn Paschedag schrieb: >> Harald Wilhelms schrieb: >>> Wenn Du, so wie ich gesagt habe, zwischen Mittelanzapfung und >>> Minus umschaltest, verteilt sich die Leistung bei der niedrigeren >>> Spannung auf beide Wicklungen. >>> Gruss >>> Harald >> >> Oh Mann! > > Eventuell hat er ja die Umschaltung zwischen B2 und M2 Gleichrichtung > gemeint... Ja, ergibt sich eindeutig aus meiner Beschreibung. Ich hatte allerdings den Eindruck, das Tom eine Beschreibung wie die deinige nicht verstehen würde. Gruss Harald
Harald Wilhelms schrieb: > Frank Xy schrieb: ... >> Eventuell hat er ja die Umschaltung zwischen B2 und M2 Gleichrichtung >> gemeint... > > Ja, ergibt sich eindeutig aus meiner Beschreibung. Ich hatte > allerdings den Eindruck, das Tom eine Beschreibung wie die > deinige nicht verstehen würde. > Gruss > Harald Ich habe allerdings den Eindruck dass er Deine Beschreibung auch nicht verstanden hat. mfg
Frank Xy schrieb: > Harald Wilhelms schrieb: >> Frank Xy schrieb: > ... >>> Eventuell hat er ja die Umschaltung zwischen B2 und M2 Gleichrichtung >>> gemeint... >> >> Ja, ergibt sich eindeutig aus meiner Beschreibung. Ich hatte >> allerdings den Eindruck, das Tom eine Beschreibung wie die >> deinige nicht verstehen würde. >> Gruss >> Harald > > Ich habe allerdings den Eindruck dass er Deine Beschreibung auch > nicht verstanden hat. > > mfg May be, may be no, may be rain, may be snow... :-) Gruss Harald
> Oh Mann!
Das sagt "mann" wenn "Mann" es nicht verstanden hat.
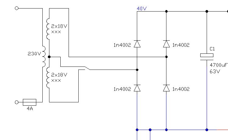
Trafo Gleichrichter
o--+ +--------+-|>|-+--------+-- +
| | | | |
S:S +-|>|-+ | |
S:S | | |
S +--(-----------(--+ Elko
S:S | | | |
S:S +-|>|-+ | | |
| | | | | o\ |
o--+ +--(-----+-|>|-+ \o--+-- GND
+--------------o
Ah, ihr meint wohl die sekundärwicklungen einmal in Serie(doppelte Spannung) und einmal parallel(doppelter Strom)!?
Tom schrieb: > Ah, ihr meint wohl die sekundärwicklungen einmal in Serie(doppelte > Spannung) und einmal parallel(doppelter Strom)!? Wenn Du die von MaWin aufgezeichnete Schaltung nachbaust, ergibt sich das "automatisch" mit einem einfachen Umschalter. Wenn Du das wechselspannungsmässig machen wolltest, brauchst Du einen doppelpoligen Schalter. Wenn Du uns erzählen würdest, was Du eigentlich machen willst, wäre es wesentlich einfacher, passende Antworten zu geben. Gruss Harald
Tom schrieb: > Sollte ein Netzgerät werden... Du meinst, ein sog. Labornetzteil? Da ist eine Spannungsumschaltung sinnvoll. Und bei den meisten wird es so gemacht, wie wir es hier beschrieben haben. :-) Gruss Harald
Bitte melde dich an um einen Beitrag zu schreiben. Anmeldung ist kostenlos und dauert nur eine Minute.
Bestehender Account
Schon ein Account bei Google/GoogleMail? Keine Anmeldung erforderlich!
Mit Google-Account einloggen
Mit Google-Account einloggen
Noch kein Account? Hier anmelden.

