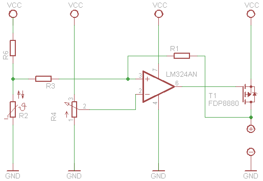
Hallo, ich habe eine Frage zu der Schaltung im Anhang. Diese ist dazu da, um die Spannung eines Lüfters (Uout) Temperaturabhängig (mit NTC) zu regeln. Dazu vergleicht der OPV die Spannungen U3 (Spannungsteiler abhängig vom NTC R5) und U1 (Spannungsteiler abhängig vom Poti R8) und gibt den Unterschied verstärkt an den Mosfet weiter. Dieser schaltet durch und der Lüfter bekommt Spannung. Über das Polti stellt man sozusagen ein, ab welcher Temperatur der Lüfter Spannung bekommt. Was ich aber nicht verstehe (ich habe die Schaltung selbst nur nachgebaut): Über diese Mitkopplung, also R2 kann man irgendwie die Härte der Regelung einstellen sprich ob schon bei +-5K oder +-10K von der Solltemperatur die Spannung angefangen wird zu regeln. Wie funktioniert das? Wie gesagt die Schaltung funktioniert und die Temperatur wird einwandfrei geregelt aber ich will das auch verstehen. Es bringt ja nichts wenn man immer nur Schaltungen nachbaut. PS: Wozu dient R1? Verfälscht der nicht irgendwie die Spannung, die dann am nichtinvertierenden Eingang vom OPV ankommt bzw. was würde passieren wenn man den weg lässt? Vielen Dank! Bin in dem Bereich leider noch etwas unerfahren und eine Erklärung würde mir sehr weiterhelfen. Gruß Benjamin
Hier der richtige Anhang, habe mich in der Abbildung vertan, sorry.
Benjamin schrieb: > Über diese Mitkopplung, also R2 kann man irgendwie die Härte der > Regelung einstellen sprich ob schon bei +-5K oder +-10K von der > Solltemperatur die Spannung angefangen wird zu regeln. Wie funktioniert > das? Benjamin schrieb: > Wozu dient R1? Für die Mitkopplung (Hysterese) zusammen mit R2, um Benjamin schrieb: > +-5K oder +-10K zu erreichen. Das Benjamin schrieb: > Wozu dient R1? Verfälscht der nicht irgendwie die Spannung, die dann > am nichtinvertierenden Eingang vom OPV ankommt ist Voraussetzung für eine Hysterese.
Bitte melde dich an um einen Beitrag zu schreiben. Anmeldung ist kostenlos und dauert nur eine Minute.
Bestehender Account
Schon ein Account bei Google/GoogleMail? Keine Anmeldung erforderlich!
Mit Google-Account einloggen
Mit Google-Account einloggen
Noch kein Account? Hier anmelden.

