Hallo! ich habe eine Schaltung mit dem Atmega 32 aufgebaut (Steckbrett). 1 Taster und 8 LEDs 16 MHz programmiert über STK500 ISP Taster ist richtig entprellt und alles funktioniert einwandfrei. Ziel ist es jedoch später über eine H-Brücke einen DC-Motor mit PWM anzusteuern (OC0). Auf dem Steckbrett habe ich nun versuchteine einfache LOW-Side Schaltung aufzubauen. VCC 12V VCC 12V + + | | | o----o | | | | C| | | Motor C| - | max 0.3A C| ^ .-. | | | | 1K o----o | | | '-' | | __ ||-+ o----------| \ ||<- BUZ11 | | )o------||-+ o----------|__/ | | CD40106 | | Schmitttrigger | ||-+ | OC0 _ ||<- | -|___|- -||-+ IRLZ34N | | | 10R | | | | === === GND GND In dieser Schaltung habe ich 3 Ein- und Ausgänge des 40106 parallel verwendet. Sobald ich jetzt den Motor pulse wird kein Tastendruck mehr registriert und die LEDs spielen verrückt. PWM-Frequenz 1kHZ. Ich habe jetzt versucht einen Kondensator an beide Motorpins zu geben (0,1µF). Effekt: LEDs spielen nicht mehr verrückt, Tastendruck wird aber keiner vernommen. Vermutung: Ich habe keine galvanische Trennung und nehme ein Netzteil für µC und Motor. µC wird mit 7805 versorgt. Liegt hier das Problem? mfg markus
Markus K schrieb: > Ich habe keine galvanische Trennung und nehme ein Netzteil für µC und > Motor. µC wird mit 7805 versorgt. Liegt hier das Problem? Sehr wahrscheinlich sind das immer noch Störungen von deinem Motor. Großzügig mit Blockkondensatoren arbeiten. An jedes VCC/GND Pärchen deines µC gehören mindestens 100nF Das Netzteil ist in der Lage genügend Strom für den Motor bereit zu stellen?
Hast du einen zentralen Massepunkt? Der 10R Widerstand ist zu klein. Am Gate des BUZ11 kann ein Widerstand auch nicht schaden. Du speist sonst sehr niederohmig große Sperrschichtkapazitäten und erzeugst riesige Stromspitzen, die an den Induktivitäten deines fliegenden Aufbaus ungesunde Spannungsabfälle produzieren. Ein solcher Aufbau funktioniert nur mit sehr guter Masse und guter Entkopplung. Würde mich nicht wundern, wenn sich der µC aufhängt...
Siehe auch hier: http://de.wikipedia.org/wiki/Blockkondensator http://de.wikipedia.org/wiki/Schutzdiode#Freilaufdiode Die Freilaufdiode sollte ein recht flottes Exemplar sein. Zur Schaltung: 1. Ich halte die beiden MOSFETs (besonders den IRLZ34N) für einen ziemlichen Overkill (oder hast du damit noch was vor?). Hier würde es wahrscheinlich auch ein BD138/BD139 tun (die kannst du auch direkt vom µC ansteuern, und die sind billiger). 2. Die Funktion des Schmitt-Triggers kann auch durch ein ziemlich beliebiges anderes Gatter ersetzt werden: z.B. das NAND, das ich da im Schaltplan zu sehen glaube ;)
Den ganzen rechten Teil der Schaltung kannst du weglassen. Der IRLZ34N macht das auch ganz alleine.
1 | VCC 12V |
2 | + |
3 | | |
4 | o----o |
5 | | | |
6 | C| | |
7 | Motor C| - Schottky-Diode |
8 | max 0.3A C| ^ |
9 | | | |
10 | o----o |
11 | | |
12 | | |
13 | ||-+ |
14 | ___ ||<- IRLZ34N |
15 | OC0--|___|----||-+ |
16 | | |
17 | 10R | |
18 | | |
19 | === |
20 | GND |
Markus K schrieb: > Ich habe jetzt versucht einen Kondensator an beide Motorpins zu geben > (0,1µF). Gute Idee, allerdings nicht größer machen. > Ich habe keine galvanische Trennung und nehme ein Netzteil für µC und > Motor. µC wird mit 7805 versorgt. Liegt hier das Problem? Wahrscheinlich. Bau mal ein paar Kondensatoren in die Stromversorgung:
1 | Diode |
2 | o--------+----------+---->|----+----------+---- LM7805 ----+-------o |
3 | | | | | | | |
4 | 220µF --- 100nF --- 100µF --- 100nF --- | --- 100nF |
5 | 25V --- --- 25V --- --- | --- |
6 | | | | | | | |
7 | o--------+----------+----------+----------+--------+-------+-------o |
Ina schrieb: > Hast du einen zentralen Massepunkt? Gute Idee. > Der 10R Widerstand ist zu klein. Am Gate des BUZ11 kann ein Widerstand > auch nicht schaden. Du speist sonst sehr niederohmig große > Sperrschichtkapazitäten und erzeugst riesige Stromspitzen Der CD40106 treibt gerade mal 10mA, der AVR etwa 50mA. Da entstehen keine "riesigen Stromspitzen".
>Der CD40106 treibt gerade mal 10mA, der AVR etwa 50mA. Da entstehen >keine "riesigen Stromspitzen". Naja, bei einer guten Masseführung eigentlich kein Problem, aber mit dem Drahtverhau eines Steckbretts...
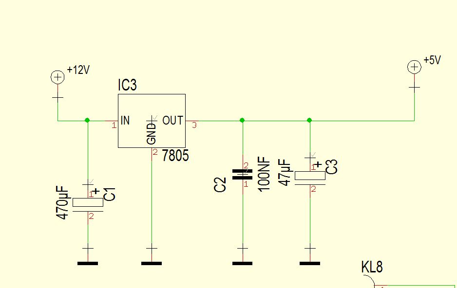
@Karl Heinz Buchegger Das Netzteil schafft 3A Blockkondensatoren muss ich morgen probieren. @Sebastian G. Das mit dem IRLZ34N weiß ich, dass der zu groß ist. Trotzdem danke. Der Schmitttrigger wird erst dann in der H-Brücke benötigt, wenn ich eine Totzeit mit einem RC-Glied einbaue um das ShootThrough zu vermeiden. BUZ11 hat auch seine Berechtigung, weil der Motor später stärker sein wird. Wie gesagt das Zeug jetzt ist nur zum Testen. Was es einmal werden soll: Beitrag "Vermeiden von Shoot Through in einer H-Bruecke" @Ina Ein zentraler Massepunkt bedeutet, dass ich egal von welchem Bauteil direkt zu diesem Punkt gehe und nicht einfach eine Kette bilden? @Alexander Schmidt Ich brauche das Zeugs alles --> oben Meine aktuelle Beschaltung des 7805 ist im Anhang zu finden. Reicht die aus oder soll ich sie mal so probieren wie du sie aufgezeichnet hast? Es ist bereits eine Schottkydiode verbaut. Was ich morgen versuchen werde: Blockkondensatoren zentraler Massepunkt vlt. Beschaltung des 7805 ändern Habe ich noch iwas vergessen? mfg markus
Markus K schrieb: > Meine aktuelle Beschaltung des 7805 ist im Anhang zu finden. Reicht die > aus oder soll ich sie mal so probieren wie du sie aufgezeichnet hast? Probier es mal so aus wie ich geschrieben habe. Vor allem die Diode ist wichtig.
SO es gibt Neuigkeiten! Spannungsreglerkondensatoren hab ich noch nicht verändert, muss ich erst kaufen. Die Blockkondensatoren habe ich verbaut, hat aber noch nicht den gewünschten Effekt gebracht. Dann habe ich gesehen, dass die Masseleitung, die von LEDs und Motorschaltung kommt auf den Massepin (31) von Atmega32 geht und von dort weiter zu Masse Netzteil. Jetzt bin ich mit dieser Leitung direkt zum Netzteil und jetzt funktioniert das Ganze. Perfekt ist es noch nicht, da der Taster manchmal nicht funktioniert, aber ich habe bis dato nur diese eine Leitung "umverlegt". Ich werde das mit dem zentralen Massepunkt verfeinern und auf die ganze Schaltung übertragen. Mal sehen wie das dann aussieht. Danke schon Mal ihr wart eine Riesenhilfe. mfg markus
>Ein zentraler Massepunkt bedeutet, dass ich egal von welchem Bauteil >direkt zu diesem Punkt gehe und nicht einfach eine Kette bilden? Ja, genau, zumindest bei denen Bauteilen, die große Störungen auf der Masse verursachen oder die eine besonders saubere Masse brauchen. Du könntest zum Beispiel die gesamte µC-Schaltung mit dem +5V-Regler mit einer Leitung zum sternförmigen Massepunkt führen und die Source-Leitung des MOSFETs mit einer getrennten Leitung dort hinführen. Auch die Masse des 12V Versorgungsspannung verbindest du direkt mit diesem Massepunkt. Wichtig ist, daß diese Masseleitungen möglichst kurz und niederimpedant sind, so wie das, was du erhälst, wenn du mit großen Masseflächen arbeitest. Überlege dir einfach, wie die Ströme fließen, wenn du ein Signal von high nach low schaltest oder umgekehrt und was die zugehörigen Spannungsabfälle an "Mist" produzieren. Mit Entkoppelkondensatoren kannst du die Ströme in geordnete Bahnen leiten und ihnen einen besseren Strompfad liefern, als wenn sie durch die ganze Schaltung fließen müßten. Überlege dir auch hier, wie die Ströme fließen und du wirst schnell herausfinden, wo die Entkoppelcaps ihre beste Wirkung entfalten können. Profis verstärken gerne die Wirkung von Entkoppelcaps, in dem sie statt dessen RC-Filter oder LC-Filter verwenden, also in dem sie noch kleine Impedanzen in genau die Leitungen einfügen, in denen sie die Ströme verringern wollen. Da kann eine kleine Drossel oder ein Widerstand von ein paar Ohm wahre Wunder wirken. Aber versuche du erst mal das Konzept der sternförmigen Masseführung auszureizen...
Bitte melde dich an um einen Beitrag zu schreiben. Anmeldung ist kostenlos und dauert nur eine Minute.
Bestehender Account
Schon ein Account bei Google/GoogleMail? Keine Anmeldung erforderlich!
Mit Google-Account einloggen
Mit Google-Account einloggen
Noch kein Account? Hier anmelden.
