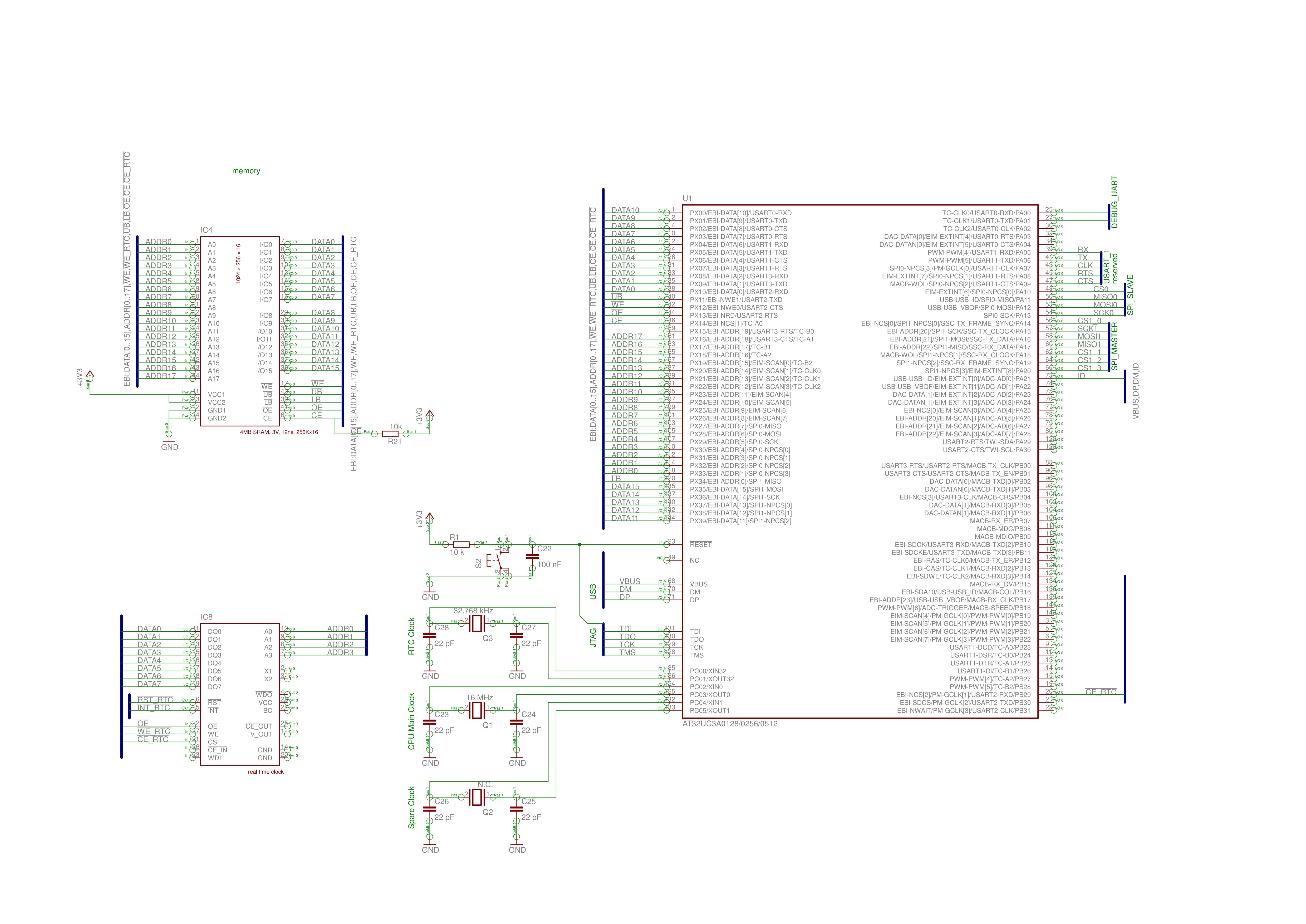
Hallo, ich erstelle gerade meinen ersten Schaltplan in Eagle und möchte u. a. den EBI-Bus vom AVR32 verwenden. Er soll einen SRAM (18-Bit Addressleitungen) und einen RTC (8-Bit Addressleitungen, mit SRAM-basierender Pinbelegung) bedienen. Ich bin jedoch total verwirrt ob ich die Adressleitungen nun richtig angeschlossen habe oder nicht. Am meisten Bedenken habe ich, ob die Leitung /LB am Pin PX43(EBI-ADDR[0]) vom AVR wirklich an der richtigen Stelle ist. Deshalb würde ich bitten ob jemand mal einen Blick drauf werfen könnte. Die restlichen Leitungen (soweit sie denn schon eingetragen sind) sollte bereits ok sein.
Irgendwie will sich mein Anhang nicht öffnen lassen und ich habe ihn deshalb noch mal als PDF angehängt. Ich hoffe das ist in diesem Fall ok. Der RTC hat übrigens nur 4 und keine 8 Adressleitungen. Hatte ich eben falsch angegeben.
ruhig Brauner. Gut Ding will Weile haben
Woher wusstest du, dass ich braune Haare habe? ;)
Bitte melde dich an um einen Beitrag zu schreiben. Anmeldung ist kostenlos und dauert nur eine Minute.
Bestehender Account
Schon ein Account bei Google/GoogleMail? Keine Anmeldung erforderlich!
Mit Google-Account einloggen
Mit Google-Account einloggen
Noch kein Account? Hier anmelden.
