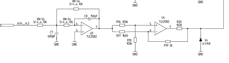
Hallo, sehe so eine OpAmp-Schaltung zum 1. Mal. Wenn ich es richtig verstehe, ist das ja ein Differenzverstärker, nur das auf beide Eingänge das gleiche Signal geschaltet wird. Wird hier die gleiche Spannung mit unterschiedlicher Gewichtung von sich selbst substrahiert?
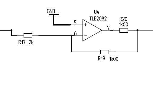
Der positive Eingang wird durch R16 und R18 immer auf Ue/2 gehalten, die Rückkopplung sorgt dafür, daß durch R17 immer der Strom Ue/2000 fliesst. Dieser Strom muss also auch durch R19 fliessen. Den Rest solltest du dir selbst ausrechnen können...
W. G. schrieb: > Ua ist dann -Ue/2, richtig? Das würde ich auch aus dem Kopf sagen. Wofür R20 da ist ist mir nur mit dem Ausschnitt nicht klar. Es ist die Frage ob Strom über dir Verbindung nach rechts fliesst. Falls nicht wäre das evt. eine spannungsgesteuerte Stromquelle für R20.
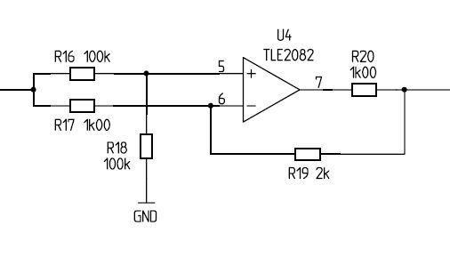
Das gleiche könnte man aber auch so erreichen wie im Anhang. Was ist der Vorteil der 1. Lösung?
R19 ist ein 2kΩ-Poti. Damit kann man die Verstärkung von -0,5 (R19=2kΩ) bis +0.5 (R19=0) einstellen. Ein gewöhnlicher invertierender Verstärker wie in deinem zweiten Bild kann nur Verstärkungen <=0. Oder R19 ist fest, aber parallel dazu liegt ein Schalter, Jumper o.ä. Damit kann man die fertige Schaltung zwischen invertierend und nicht invertierend konfigurieren. R20 dient der Strombegrenzung des Ausgangs. Damit wird die Schaltung kurzschlussfest. Der Ausgangswiderstand der Schaltung im Normalbetrieb wird dadurch kaum negativ beeinflusst. Das nur mal so als Vermutung. Wenn du uns sagst, wo du die Schaltung her hast, kann man vielleicht noch etwas mehr dazu erzählen.
> Wenn du uns sagst, wo du die Schaltung her > hast, kann man vielleicht noch etwas mehr dazu erzählen. Vor dem Schaltungsauschnitt ist noch eine invertierende OP-Schaltung. AIN_A3 kommt von einem optischen Sensor (U ~ Beleuchtung). > Was passiert rechts von deinem ersten Schaltungsausschnitt? Der Ausgang geht auf einen A/D-Wandler.
zumindest ist jetzt klar, daß R20 der Strombegrenzung dient wenn via Diode V4 die negative Ausgangsspannung zum AD Wandler hin begrenzt wird. Ansonsten fällt mir nur ein: Durch den Trick die Eingänge des OPs auf Ue/2 statt auf Masse zu halten sinkt der Eingangsstrom fast um Faktor 2. Aber da hätte man auch die Widerstandswerte des inv. Eingangs vergrößern können. Insofern ist mir der Nutzen von R16 R18 auch nicht ganz klar. Vieleicht kann jemand mit mehr Ahnung noch Licht ins Dunkel bringen.
Hallo W. G., ich tippe auf ein bipolares Koeffizientenglied, mit dem sich durch eine Änderung der Dimensionierung eine positive oder negative Verstärkung erzielen lässt. Allerdings ergibt eine solche Schaltung nur dann einen Sinn, wenn irgendwo ein variabler Widerstand eingesetzt ist oder ein Widerstand erst bei der Inbetriebnahme eingesetzt wird. Gruß, Alexander
Hängt da am Eingang vom A/D-Wandler noch ein Kondensator? Wenn ja, dann könnte die Schaltung Sinn machen um Schwingenneigung zu reduzieren da die Gegenkopplung geringer ist. Welcher A/D-Wandler?
Ich habe die beiden Schaltungen mal simuliert und kann sagen, daß die aufwendigere Schaltung in jeder Hinsicht unvorteilhafter ist: Z.B. verharrt sie etwas länger in der Übersteuerung und auch die Offsetspannung des OPamp macht sich doppelt so stark am Ausgang bemerkbar. Der einzige gravierende Unterschied für mich ist jedoch die Noise Gain. Die ist beim Originalentwurf mit NG=4 erstaunlich hoch für einen herunterteilenden Invertierer. Wahrscheinlich wurde die Schaltung aus einem anderen Design übernommen, in dem ein dekompensierter OPamp verwendet wurde.
Ina schrieb: > Ich habe die beiden Schaltungen mal simuliert und kann sagen, daß die > aufwendigere Schaltung in jeder Hinsicht unvorteilhafter is Danke, auch wenn ich nicht der TO bin. Auch bei AC sollte sie sich schlechter verhalten, da der nichtinv. Eingang über den 100K Spannungsteiler relativ hochohmig am Eingang hängt und sich mit der Eingangskapazität des + Eingangs ein Tiefpass bildet.
Bitte melde dich an um einen Beitrag zu schreiben. Anmeldung ist kostenlos und dauert nur eine Minute.
Bestehender Account
Schon ein Account bei Google/GoogleMail? Keine Anmeldung erforderlich!
Mit Google-Account einloggen
Mit Google-Account einloggen
Noch kein Account? Hier anmelden.


