Hi, hat schonmal einer das Board bis auf das nötigste abgespeckt? Hintergrund ist der, ich will das Board in ein Gehäuse einbauen um div. Verbraucher zu schalten. Dazu brauch ich aber keine ISP, RS 232 und auch den 5V Netzteil Teil nicht. Nur die reine Steuerung mit entsprechend Relais. Wie gesagt, hat das schonmal jemand gemacht? Bzw wie stell ich das am besten an, woher weiß ich welche Teile ich unbedingt brauche und wie bring ich das auf ein Layout? MFG Alexander
Alexander H. schrieb: > Bzw wie stell ich das am besten an, woher weiß ich welche Teile ich > unbedingt brauche [...] Schau Dir den Schaltplan an und streiche die Module raus, die Du nicht brauchst, also MAX232 + 4 Kondensatoren, 7805 nebst Dioden etc. Wenn Du das nicht kannst, dann solltest Du erstmal lernen, Schaltpläne zu verstehen. > und wie bring ich das auf ein Layout? Mit einem geeigneten Layout-Programm.
Isp finde ich persönlich gar nicht so unwichtig, wenn man keine Möglichkeit hat das Ding fremd zu flashen... Oder willst Du die original Firmware verwenden?!
ISP kann man auch mit 6-pol Micromatch machen, habe ich bei einigen Boards.
Am meisten kann man bei den Anschlüssen sparen, alles in Micromatch, Zuleitungen über Flachband. Den MAX kannst Du ja weglassen, die RS232-Anschlüsse des AVR solltest Du aber rausführen. Den AVR würde ich im DIP-Gehäuse lassen, damit man ihn bei Defekt ggf. auswechseln kann, den Rest in SMD. Für die 3.3-Volt-Versorgung einen LT1117-3.3 Poste mal Deine Eagle- oder Target-Files, wenn Du fertig bist.
Ich würde dann den NET-IO gleich komplett auf 3.3 Volt umrüsten, der ENC braucht das sowieso und der AVR läuft damit auch. Dir geht es ja offensichtlich um ein möglichst kleines Gehäuse, da ist dann auch die verminderte Wärmeentwicklung interessant.
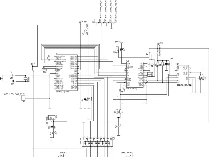
So, hab mir mal die Mühe gemacht und das ein Layout in Target3000 erstellt. Hab jetzt einfach mal Relais genommen die in etwa die Leistungsdaten haben was ich brauche. Zusätzlich fehlen die Anschlußklemmen für das Relais noch. Kann da mal jemand eventuell drüber schauen? Danke Gruß Alex
Von dem Beschriftungsdruck sieht man halt nicht viel. Links die 4 Schraubklemmen sind die Eingänge. Die untere Schraubklemme die Stromversorgung. Oben sind die 8 Relais.
Ausversehen 2 mal das gleiche angehängt und kann die Anhänge irgendwie nicht bearbeiten.
> Kann da mal jemand eventuell drüber schauen?
drüber schauen fängt mit dem Schaltplan an und nicht mit dem gerouteten
Layout bzw. der 3D Ansicht.
Und der Beschriftungsdruck interessiert auch keinen.
Sorry Unter dem ULN sind dann nur noch die 8 Relais mit zugehörigen Freilaufdioden.
Für was braucht es die Dioden, sind bereits im ULN integriert. Ev. würde ich optionale Leds sowie Widerstände vorsehen. Ev. kann man sich ein Quarz sowie die Kondensatoren einsparen, eventuell auch ein solder-jumper. Weiters würde ich die Mac-EEproms vorsehen, wenn man damit mal eine Serie machen muss mit offiziellen Mac-Adressen und auch zwei Zustandsleds würden nicht schaden sowie ev. ein button-switch sowie Resettaster was alles optional bestückt werden kann.
Alexander H. schrieb: > Sorry > Unter dem ULN sind dann nur noch die 8 Relais mit zugehörigen > Freilaufdioden. Sag mal gehts dir noch gut? 7000 * 5000 Pixel? Ich skalier das mal runter.
Naja, es wäre halt mal super wenn einer den Schaltplan wirklich querlesen würde ob so alles paßt, auch das Target file. Wenn dann will ich mir gleich 10 Platinen machen lassen und da wäre schon ordentlich Geld in den Sand gesetzt. Wie will ich denn ein Quarz sparen? Der µC will ja eine andere Taktung als der ENC. Was ist ein Solder Jumper? Wie funzt das mit den Mac Adressen? Ich hätte mir einfach 10 Boards von Pollin geholt. Für was sollte man die Zustands LEDs brauchen, auf dem Orginal Board ist auch nur eine Netz LED und in einem Gehäuse kann ich getrost drauf verzichten. Gleiches gilt für den Reset Button. Trotzdem danke für deine "Kritik" Gruß
Alexander H. schrieb: > Naja, es wäre halt mal super wenn einer den Schaltplan wirklich > querlesen würde ob so alles paßt, auch das Target file. > Wenn dann will ich mir gleich 10 Platinen machen lassen und da wäre > schon ordentlich Geld in den Sand gesetzt. > > Wie will ich denn ein Quarz sparen? > Der µC will ja eine andere Taktung als der ENC. CLKOUT > Was ist ein Solder Jumper? sowas http://www.mikrocontroller.net/attachment/109045/SMD_solder_jumper.jpg > Wie funzt das mit den Mac Adressen? http://www.microchip.com/stellent/idcplg?IdcService=SS_GET_PAGE&nodeId=2018&mcparam=en538890 Kostet unter 30Cent . > Ich hätte mir einfach 10 Boards von Pollin geholt. ???, hol dir dann eventuell 10 Boards von Futurlec http://www.futurlec.com/Mini_Ethernet.shtml Könnte eventuell was für dich sein. Die machen auch Platinen. > Für was sollte man die Zustands LEDs brauchen, auf dem Orginal Board ist > auch nur eine Netz LED und in einem Gehäuse kann ich getrost drauf > verzichten. > Gleiches gilt für den Reset Button. Normalerweise macht man solche Sachen drauf, auch einfaches PoE (2 Dioden + Vreg) und bestückt sie nicht, weil wenn man die im nächsten Projekt braucht, dann braucht man keine neuen Platinen zu machen. > > Trotzdem danke für deine "Kritik" > Gruß
Das Board von Futurelec nützt mir ja gar nichts. Wenn ich das richtig verstehe ist das ja "nur" die Schnittstelle Ethernet zum µC. Da fehlt mir aber dann noch der µC und die Platine muß ich auch wieder unterbringen. Wenn ich mir die Platinen so herstellen lasse wie mein Layout ist, hab ich eigentlich alles drauf was ich brauche und die Platine ist in etwa so groß wie das orginal AVR Board. Die Boards von Pollin würd ich ja nur kaufen um gleich alle Teile zu haben. Interessant wäre vielleicht nur noch den Code auf ein Atmega8 abzuändern um das Board noch etwas kleiner zu machen.
> Interessant wäre vielleicht nur noch den Code auf ein Atmega8 abzuändern
und wo bringst Du dann den ganzen Code für Deine Seiten unter?
Warum meine Seiten? Die Platine soll nur eines machen. Div. Verbraucher einschalten bzw Rückmeldungen an einen PC geben.
Du meinst sowas, http://www.instructables.com/id/A-credit-card-sized-Ethernet-Arduino-compatable-co/ bzw http://www.instructables.com/id/A-Remotely-Programable-Relay-Controller-Christmas/
Bitte melde dich an um einen Beitrag zu schreiben. Anmeldung ist kostenlos und dauert nur eine Minute.
Bestehender Account
Schon ein Account bei Google/GoogleMail? Keine Anmeldung erforderlich!
Mit Google-Account einloggen
Mit Google-Account einloggen
Noch kein Account? Hier anmelden.



