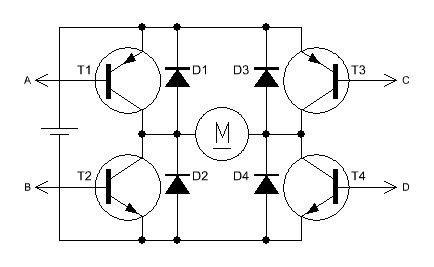
Hallo Leute, Für ein 3D Drucker Projekt habe ich eine H-Brücke gelötet. Habe Folgende Bauteile verwendet: bd241C bd242C 1N5401 Jetzt habe ich das Problem, das wenn ich NUR die Spannung anschließe (nichts am Transistor), der Strom Sofort auf 4A Hochschnellt. (habe natürlich sofort abgeschalten) Habe die Ganze Platine schon nach Kurzschlüssen abgesucht aber ich komme nicht auf eine Lösung. Habt ihr ne Idee was ich falsch gemacht haben könnte? habe ich evtl. die falschen Bauteile verwendet? Danke Lotterix
Verbinde mal A und C mit PLUS, und B und D mit MINUS. Dann sollte das weg sein, unter der Annahme, dass du nicht E und C vertauscht hast beim Aufbau
Du solltest dir den ganzen Lehrgang auf www.DieElektronikerseite.de durchlesen. Dort wird auch gezeigt, wie die einzelnen Transistoren anzusteuern sind.
Aber wenn auf a und C PLUS hängt, dann tut is doch auf am motor beidseitig Plus... was bringt das dann? denn eig. sollte ja wenn an den Transistoren nix dranhängt an der Basis, kein Strom Durch fließen. und da ich auch keinen Motor angeschlossen habe, kann der hohe strom ja eig. nur durch einen Kurzschluss verursacht worden sein (oder?), denn alle transistoren waren recht heiß....
> Für ein 3D Drucker Projekt habe ich eine H-Brücke gelötet.
Die glückt es euch eigentlich mit penetranter Zuverlässigkeit,
immer gerade den grössten Griff ins Klo zu tun,
bei den Schaltungen die ihr euch so aussucht ?
Man muß übrigens keinen H-Brücken selber bauen,
wenn man es nicht kann, die gibt es fertig als IC.
Da kann man eine aussuchen, die den BLOCKIERSTROM = Anlaufstrom
des Motors aushält, also Betriebsspannung/Innenwiderstand,
dann reicht das auch ohne Überstromabschaltung.
Und wenn man meint, daß man durch den Selbstbau etwas lernen
könnte, dann sicher nicht aus solcher Murks-Quelle, aus der
diese unsägliche Schaltung stammt.
Also n Fertiger IC is dafür nicht geeignet, da das Gestell so schwer ist und die motoren desshalb auch größer sind und mehr Leistung aufnehmen. Desshalb dachte ich, man könnte ja einfach eigene Brücken mit größerer Leistung Löten. Was stimmt denn mit dieser Quelle nicht?
> Was stimmt denn mit dieser Quelle nicht? Es ist nicht mal eine Prinzipschaltung. Natürlich könnte man Brücken grösserer Leistung zusammenlöten, aber was willst du da mit den lächerlichen 3A eines BD241 ? Ab 30A macht es vielleicht Sinn, die Brücken diskret aufzubauen. Die anderen kaufen sich bei Pollin einen BTS7741 und sind glücklich.
Sebastian dfs schrieb: > das wenn ich NUR die Spannung anschließe Welche Spannung? > (nichts am Transistor) Was heißt das? Da ist mindestens C und E am Transistor angeschlossen... Und die Basis eines Transistors lässt man NIEMLAS unbeschaltet!!! Und ganz lustig wird es, wenn du dann bei einer Versorgungsspanung von 12V einen uC mit 5V am Portpin anschließt. Da wirst du Augen machen, wie hoch der Strom quer durch deine Schaltung werden kann...
Bitte melde dich an um einen Beitrag zu schreiben. Anmeldung ist kostenlos und dauert nur eine Minute.
Bestehender Account
Schon ein Account bei Google/GoogleMail? Keine Anmeldung erforderlich!
Mit Google-Account einloggen
Mit Google-Account einloggen
Noch kein Account? Hier anmelden.
