Hallo! Ich hoffe ihr könnt mir hier weiterhelfen. Ich habe mir für ein Projekt ein Rekonstruktionsfilter 4. Ordnung von einem Programm entwerfen lassen. Dieses bringt mir einen Pegel von 0.6V PP Auf 5V PP und hat besselmässig 30Khz bei -3db. Schon mit leiterplatte verbaut. Jetzt habe ich ein leichtes Problem mit dem SNR und wollte die Bauteile im Filter so modifizieren dass ich auf 9V PP komme. Leider finde ich das damals verwendete Programm nicht mehr... Änderungen im Spannungsteiler der Gegenkopplung nach U1:A resultieren leider auch in einer Verzerrung des Frequenzganges. Ich bin mir aber fast sicher dass nicht alle Bauteile anzupassen sind. Weiss jemand auf die schnelle welche Bauteilverhältnisse hierfür relevant sind? Fg m.
Hallo, R4 und R5 haben nichts mit der Filterfunktion zu tun sondern bestimmen die Verstärkung. Gruss Klaus.
>R4 und R5 haben nichts mit der Filterfunktion zu tun sondern bestimmen >die Verstärkung. Beim klassischen Sallen-Key-Filter mit gleichen Komponenten stellt man mit den Gegenkopplungswiderständen erst mal die Dämpfung ein! Daraus resultiert dann am Ende auch eine gewisse Verstärkung. Ein Rekonstruktionsfilter, daß sein Signal von digitalen Komponenten erhält, sollte am Anfang erst mal rein passiv filtern, weil OPamps bei höheren Frequenzen immer schlechter arbeiten und die steilen Flanken von digitalen Signalen durchlassen.
Wie gesagt , das Ändern von R5 und R4 verzerrt die filterfunktion. siehe bild!
Hallo, Noch eins, der NE5532 hat zwar auf den ersten Blick gute Werte, die Leistungsbandbreite ist jedoch ziemlich beschränkt. Nach einer Faustformel sollte man mindestens die 10 fache Bandbreite zur Verfügung haben. Das hiesse hier bei fg 30KHz wären das 300KHz. Wenn Du jetzt eine Verstärkung von 10 haben willst, wird das für einen NE5532 etwas eng. Dazu kommt noch, -UB beträgt 5V. Wie willst Du da auf 5Vpp kommen? Gruss Klaus.
dotmarkus schrieb: > Leider finde ich das damals verwendete Programm nicht mehr... Dann empfiehlt sich als Alternative der Klassiker Halbleiter-Schaltungstechnik, Tietze, U., Schenk, Ch., Gamm, E.
mal abgesehen von dem Zweck des filters (ob rekonstruktionsfilter oder nicht...) ich stelle meine verstärkung mit der gegenkopplung ein , daher : Klaus Ra. schrieb: > Hallo, > > Noch eins, der NE5532 hat zwar auf den ersten Blick gute Werte, die > Leistungsbandbreite ist jedoch ziemlich beschränkt. Nach einer > Faustformel sollte man mindestens die 10 fache Bandbreite zur Verfügung > haben. Das hiesse hier bei fg 30KHz wären das 300KHz. Wenn Du jetzt eine > Verstärkung von 10 haben willst, wird das für einen NE5532 etwas eng. > Dazu kommt noch, -UB beträgt 5V. Wie willst Du da auf 5Vpp kommen? hallo und danke für den einwand! Laut Datenblatt: http://pdf1.alldatasheet.com/datasheet-pdf/view/113201/PHILIPS/5532.html habe ich bei einer Verstärkung von 20dB 1Mhz und bei einer Verstärkung von 40dB noch ~100khZ Bandbreite. von 0.6V PP auf 9V PP entspricht Faktor 15 , daher ~23dB ... ich bin zuversichtlich dass sich das ausgeht, ausser ich hab mich da jetzt grob verrechnet.. Filti schrieb: > Beim klassischen Sallen-Key-Filter mit gleichen Komponenten stellt man > mit den Gegenkopplungswiderständen erst mal die Dämpfung ein! Daraus > resultiert dann am Ende auch eine gewisse Verstärkung. ich stelle somit mit R5 und R4 eine verstärkung von 15 ein , das wäre zb: 1+(39k/2,7k) =15,444444 siehe bild: die Verstärkung stimmt leider nicht überein. Ich denke ich muss noch den mitgekoppelten Zweig beachten und zwar so dass die Bessel-Charakteristik wieder zustande kommt (oder zumindest annähernd...)
... schrieb: > Dann empfiehlt sich als Alternative der Klassiker > Halbleiter-Schaltungstechnik, Tietze, U., Schenk, Ch., Gamm, E. klar , wenn ich mich zwei bis drei Tage an die Theorie hänge muss ich in keinem Forum nachfragen... Wer mir nicht helfen WILL muss dies hier auch nicht tun.
Der verwendete OP hat wenn ich richtig gesehen habe eine garantierte small Signal Verstärkung von 2200 bei 10KHz und eine Unity-gain bandwidth von 10MHz. Damit bei Signalen mit Signalanteilen bis über 100KHz ein Besselfilter zu implementieren das eine Gleichstromverstärkung von 82 haben soll kann eigentlich nicht gutgehen. ich würde auch versuchen passiv zu filtern oder du brauchst einen anderen OP. mal sehen was die Profis hier noch sagen.
Udo Schmitt schrieb: > Damit bei Signalen mit Signalanteilen bis über > 100KHz ein Besselfilter zu implementieren das eine > Gleichstromverstärkung von 82 haben soll kann eigentlich nicht gutgehen. Ich bin mir nicht ganz sicher wie du auf diesen wert kommst. Zudem Verstärke ich reine Wechselstromanteile.
Also ich glaube, du bist da auf einem Holzweg. R4/R5 = 82, das ergibt doch eine viel zu hohe Verstärkung für ein Sallen-Key-Filter mit einer Grenzfrequenz von 30kHz.
dotmarkus schrieb: > klar , wenn ich mich zwei bis drei Tage an die Theorie hänge muss ich in > keinem Forum nachfragen... > Wer mir nicht helfen WILL muss dies hier auch nicht tun. Les dir erst mal den Abschnitt über aktive Filter durch ehe du hier rummaulst. Verständnis hat noch niemandem geschadet und im Tietze Schenk sind auch Tabellen mit Bauteilewerten zu verschiedenen Filtercharakteristiken sowie Infos was man beim Entwurf beachten sollte.
Filti schrieb: > Also ich glaube, du bist da auf einem Holzweg. R4/R5 = 82, das ergibt > doch eine viel zu hohe Verstärkung für ein Sallen-Key-Filter mit einer > Grenzfrequenz von 30kHz. ah ich verstehe. Du beziehst dich auf das zweite Bild. Dieses habe ich nur eingestellt um zu zeigen , dass sich der Frequenzgang ändert. Tatsächlich lässt sich das aber durch die verringerte Bandbreite des OPVs zurückführen aufgrund der hohen Verstärkung. soweit klar. Man sehe sich daher das dritte Bild an. die Verstärkung beträgt annähernd 15 , die Filterkurve erreicht diesen Wert auch , leider nur an einer Stelle.
dotmarkus schrieb: > Ich bin mir nicht ganz sicher wie du auf diesen wert kommst. Zudem > Verstärke ich reine Wechselstromanteile. Der OP verstärkt das was an seinen beiden Eingängen ankommt. und die Rückkopplung ist 1:82! Dir ist schon klar, daß im Filter u.U. höhere Spannungen entstehen können als am Ausgang. Kannst du das mit deiner Versorgungsspannung und gewünschter Ausgangsspannung überhaupt? Wenn die Charakeristik des Filters halbwegs erhalten bleiben soll, muss die Annahme daß die Verstärkung des OPs gegen unendlich geht hinreichend genau stimmen. Wenn man jetzt sagt der Fehler für diese Vereinfachung soll bei unter 1% liegen dann muss dein OP bei der max. auftretenden Frequenz mindestens 100*82 = 8200 an Verstärkung bringen. Zumindest wenn mein Halbwissen mich jetzt nicht täuscht. MaWin, Falk, und die Moderatoren können dir da genaueres sagen, deren Wissen ist umfangreicher und aktueller als meins.
Warum spielst du denn nicht mit U1b herum? Verpaß diesem eine Gegenkopplung und verändere dann die Bauteilwerte.
Udo Schmitt schrieb: > Les dir erst mal den Abschnitt über aktive Filter durch ehe du hier > rummaulst. > Verständnis hat noch niemandem geschadet und im Tietze Schenk sind auch > Tabellen mit Bauteilewerten zu verschiedenen Filtercharakteristiken > sowie Infos was man beim Entwurf beachten sollte. Meine Maulerei wurde proviziert. Klar ist Tiefenverständnis eine super Sache und durchwegs Sinnvoll. Manchmal möchte man aber einfach zu einer schnellen Lösung kommen , und bittet daher Menschen mit ausreichend Fachwissen um Hilfestellung. Ich finde nicht dass dies in diesem Fall provokativ zuviel verlangt ist. Oder doch?
Schmitti schrieb: > Warum spielst du denn nicht mit U1b herum? Verpaß diesem eine > Gegenkopplung und verändere dann die Bauteilwerte. Leider befindet sich diese Schaltung schon auf einer Leiterplatte mit einem SO8-IC :)
Udo Schmitt schrieb: > Der OP verstärkt das was an seinen beiden Eingängen ankommt. und die > Rückkopplung ist 1:82! > Dir ist schon klar, daß im Filter u.U. höhere Spannungen entstehen > können als am Ausgang. Kannst du das mit deiner Versorgungsspannung und > gewünschter Ausgangsspannung überhaupt? > Wenn die Charakeristik des Filters halbwegs erhalten bleiben soll, muss > die Annahme daß die Verstärkung des OPs gegen unendlich geht hinreichend > genau stimmen. Wenn man jetzt sagt der Fehler für diese Vereinfachung > soll bei unter 1% liegen dann muss dein OP bei der max. auftretenden > Frequenz mindestens 100*82 = 8200 an Verstärkung bringen. > Zumindest wenn mein Halbwissen mich jetzt nicht täuscht. > MaWin, Falk, und die Moderatoren können dir da genaueres sagen, deren > Wissen ist umfangreicher und aktueller als meins. siehe: Beitrag "Re: bessel filter modifizieren"
Leider ist beim Sallen-Key Filter die Verstaerkung durch R4/R5 nicht frei waehlbar. Von dessen Verhaeltnis haengt naemlich die Filter Charakteristik ab. Bei gleichen Werten von R2,3 und C2,3 ergibt sich der Filtertype wie folgt: R4 = R5 * 0.268 = Bessel R4 = R5 * 0.586 = Butterworth R4 = r5 * 1.234 = Tschebyscheff R4 = R5 * 2.0 = schwingt. Das ergibt sich aus der Tatsache das die Ausgangsspannung auf den Eingang zurueckgekoppelt ist. Wenn dein Ausgangssignal jetzt zu klein ist dann ist deine Grenzfrequenz zu klein gewaehlt. Mehr als dein Eingangssignalamplitude wirst du am Ausgang auch nicht bekommen. Da wirst du noch einen Verstaerker hinterherschalten muessen. Die Filtertheorie bei aktiven Filtern ist nicht gerade Trivial. Da solltes du dich schon mal beim Tietze/Schenk b.z.w. Aktive Filter (Wangenheim) einlesen.
Helmut Lenzen schrieb: > Mehr als dein > Eingangssignalamplitude wirst du am Ausgang auch nicht bekommen. offensichtlich ist es möglich durch unterschiedliche Wahl der Kapazitäten durchwegs eine Verstärkung hinzubekommen. Siehe erstes Bild. Ich werde versuchen die dahinterliegenden Grundlagen zu ergründen.. dankejedenfalls. m.
dotmarkus schrieb: > offensichtlich ist es möglich durch unterschiedliche Wahl der > Kapazitäten durchwegs eine Verstärkung hinzubekommen. Siehe erstes Bild. > Ich werde versuchen die dahinterliegenden Grundlagen zu ergründen.. > dankejedenfalls. Tu das. Da du keine der Informationen die wir dir gegeben haben hier auch nur ansatzweise dazu benutzt deinen Filter und deine Idee kritisch unter die Lupe zu nehmen wirst du es auf die harte Art lernen. Noch mal zum Mitschreiben: 1. Auch wenn die Ausgangsamplitude z.B. 1V beträgt können intern höhere Amplituden vorkommen. 2. Man kann bei einem aktiven Filter wie oben gezeigt nicht einfach einzelne Werte ändern ohne damit gleichzeitig die komplette Charakeristik zu ändern. Da wird dann aus einer Butterworth eie Tschebyschef Charakeristik. 3. Du brauchst bei der höchsten ankommenden Frequenz eine ausreichende Verstärkung der OPs daß die Annahme Verstärkung gegen unendlich noch hinreichend genau ist.
Udo Schmitt schrieb: > Tu das. Da du keine der Informationen die wir dir gegeben haben hier > auch nur ansatzweise dazu benutzt deinen Filter und deine Idee kritisch > unter die Lupe zu nehmen ich habe nicht das Gefühl dass hier Kritik nicht wahrgenommen wird. Udo Schmitt schrieb: > 1. Auch wenn die Ausgangsamplitude z.B. 1V beträgt können intern höhere > Amplituden vorkommen. das ist mir allerdings unklar. Meinst du mit Intern innerhalb des Netzwerkes einer Sallen-Key Architektur? Wenn ich mir das erste Sallen-Key Glied ansehe , finde ich keinen Zweig an dem die Spannung grösser sein sollte als am Ausgang des ersten Operationsverstärkers. Die einzige was ich mir vorstellen könnte ist dass über den Mitkopplungszweig bei gedrehter Phase ein Spannungshub entstehen kann , der um die Eingangsspannung grösser ist als der aktuelle Hub am Ausgang in Bezug zur Masse. Inwiefern soll das aber irgendeine Auswirkung auf die Funktionsweise der Schaltung haben? Udo Schmitt schrieb: > 2. Man kann bei einem aktiven Filter wie oben gezeigt nicht einfach > einzelne Werte ändern ohne damit gleichzeitig die komplette > Charakeristik zu ändern. Da wird dann aus einer Butterworth eie > Tschebyschef Charakeristik. Darum geht es doch. Wie das zu bewerkstelligen ist muss ich meines erachtens selbst ergründen. Udo Schmitt schrieb: > 3. Du brauchst bei der höchsten ankommenden Frequenz eine ausreichende > Verstärkung der OPs daß die Annahme Verstärkung gegen unendlich noch > hinreichend genau ist. > > > wird bedacht.
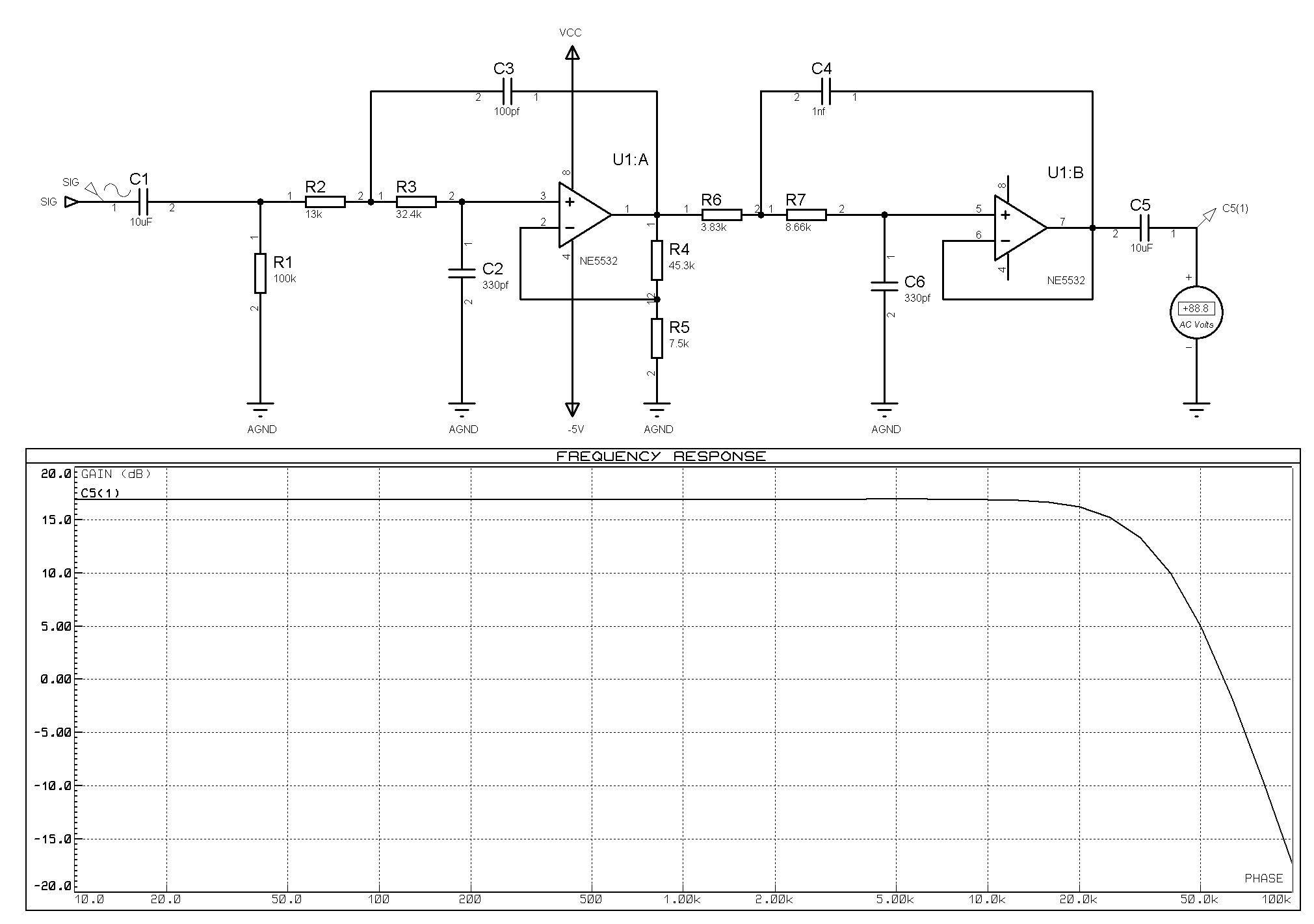
Filti schrieb: > Probiers mal hiermit. Hey! Vielen dank für den Vorschlag! Hast du dir das generieren lassen? Ich habe mittlerweile herausgefunden dass ich das Filter mittels microchip filterlab erstellt habe. dort kann ich allerdings nur ein V bis 10 einstellen (wieso???), was unzureichend ist . Die Verstärkung scheint er dabei immer nur mit der ersten Stufe zu realisieren. Dein Design erfüllt meine Spezifikationen , allerdings müsste ich auf meiner Platine mit 0805er Widerständen und einem SO-8 OPV im zweiten Filter eine Gegenkopplung reinschneiden, das wollte ich eigentlich verhindern und daher das erste Glied auf V=15 trimmen... Im Moment quäl ich mich durch dieses PDF in der hoffnung es manuell hinzubekommen: lorien.die.upm.es/~macias/docencia/datasheets/varios/sallenkey-ti.pdf Welches Tool oder welche Vorgehensweise hast du genutzt? Kannst du dabei auch die komplette Verstärkung nur von einem Glied übernehmen lassen? thx! m.
Wenn Du weiter bunte Filter zusammenklicken willst kannst Du auch Filterpro von TI mal versuchen. viel Erfolg Hauspapa
>Dein Design erfüllt meine Spezifikationen , allerdings müsste ich auf >meiner Platine mit 0805er Widerständen und einem SO-8 OPV im zweiten >Filter eine Gegenkopplung reinschneiden, Das wäre doch nicht schlimm. >das wollte ich eigentlich verhindern und daher das erste Glied auf V=15 >trimmen... Das wäre dann Murks, weil du diesem OPamp eine zu hohe Verstärkung abverlangen würdest. Viel besser ist es, die Verstärkung gleichmäßig auf beide OPamps zu verteilen.
> Das wäre dann Murks, weil du diesem OPamp eine zu hohe Verstärkung > abverlangen würdest. Viel besser ist es, die Verstärkung gleichmäßig auf > beide OPamps zu verteilen. leuchtet ein! dankend. m.
Bitte melde dich an um einen Beitrag zu schreiben. Anmeldung ist kostenlos und dauert nur eine Minute.
Bestehender Account
Schon ein Account bei Google/GoogleMail? Keine Anmeldung erforderlich!
Mit Google-Account einloggen
Mit Google-Account einloggen
Noch kein Account? Hier anmelden.



