Ich habe von einem Bekannten ein Velleman K8061 (EXTENDED USB INTERFACE BOARD) bekommen, bei dem der PIC18F2550 offensichtlich defekt ist. Einen neuen PIC zu besorgen ist ja relativ einfach, aber dann fehlt ja noch die Firmware. Daher frage ich mal in die Runde, ob eventuell jemand die passende Firmware hat und sie mir zur Verfügung stellen könnte?
hallo, das dürfte nichts werden, da velleman den inhalt des bausteins sicherlich geschützt hat. https://www.velleman.eu/support/serviceinfo/, über velleman vllt. als ersatzteil zu beziehen ? gruss
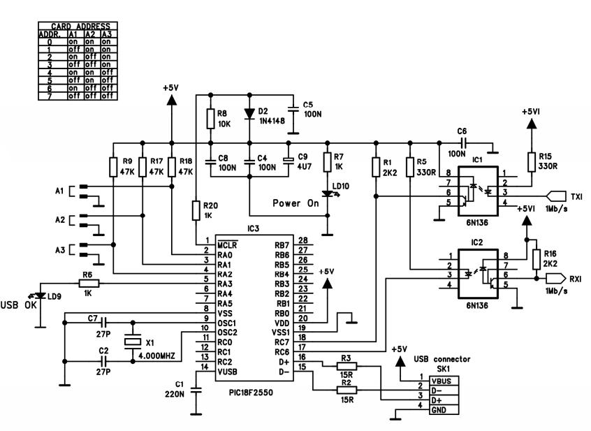
da hat jemand in dem kleinen bruder des boards den pic durch einen 2550 mit eigenem bootloader ersetzt, vllt. hilft dir das ? auf den ersten blick macht der 2550 im VM140 ja nur die galv. getrennte usb anbindung für den pic16f871 ? http://www.grautier.com/grautier/archives/39-Velleman-k8055-1-to-PIC18F2550-USB2.0-Experimentierbord.html#extended http://zone.ni.com/devzone/cda/tut/p/id/4478
Das sieht doch schon sehr gut aus. Dann muß ich in den nächsten tagen bloß noch den PIC besorgen und schon kann es losgehen. Gruß Jörg
beachte bitte die andere portbelegung des pic´s bei dem k8085/vm110 board, ohne ändern der pic prog. wird er nicht mit dem pic16f871 kommunizieren (RC6/7)!auf http://sprut.de/electronic/pic/index.htm findest du vllt. die passenden infos / hilfe.
original pic für das board : Luedeke Elektronic an mich Hallo Herr Hesemann, momentan sind die Belgier definitiv überfordert ;-) Ich kann Ihnen den Pic schon gerne vorab zusenden und später eine Rechnung hinterher wenn der PIC was kostet. Die Kosten sind in der Regel moderat von ca 5-10Euro maximal.
Bitte melde dich an um einen Beitrag zu schreiben. Anmeldung ist kostenlos und dauert nur eine Minute.
Bestehender Account
Schon ein Account bei Google/GoogleMail? Keine Anmeldung erforderlich!
Mit Google-Account einloggen
Mit Google-Account einloggen
Noch kein Account? Hier anmelden.

