Hallo ! Aus welchen normalen Gattern kann ich das hier am einfachsten bauen ? ich hab 1 signaleingang und 2 verschiedene ausgänge. 1. ausgang muss nur nen stetiges AUS signal bekommen, bis der eingang auf AUS geht. der 2. ausgang bruacht nen impuls solange der eingang auf AN ist, dann muss er aber aus danke, andy
Der übliche Weg währe, erstmal eine Wahrheitstabelle aufzustellen. Das kannst allerdings nur du, da deine Beschreibung unvollständig ist.
ich habe ein Eingang (E), 2 Ausgänge (A1,A2) E AN = A1 AN + Impuls für A2 E AUS = A1 mit verzögerung AUS, A2 AUS
Du hast deswegen ein Problem, den passendwn Chip zu finden,
weil du ein Problem hast, überhaupt dein Problem zu formulieren.
Es gibt in der Logik nur 2 Dinge: Ein stetiger konstanter Zustand
"an" oder "aus" oder so,
und eine Zustandsänderung, steigende Flanke ("aus" wird "an") bzw.
eine fallende Flanke ("an" geht "aus")
Aus stetigen Zuständen kann man keine Zeitinformation gewinnen.
Wenn etwas "an" ist, entsteht daraus kein Impuls, wann auch ?
Jede Sekunde, irgendwann wenn die Logikschaltung Bock hat ?
Nur aus einem Zustandsübergang (es wird "an" und war bisher "aus")
kann man einen Zeitpunkt ableiten.
Denk also richtig nach, bis deine Beschreibung logisch ist,
dann gibt es auch das Logikgatter dazu.
Denn Unlogikgatter ham wa nich.
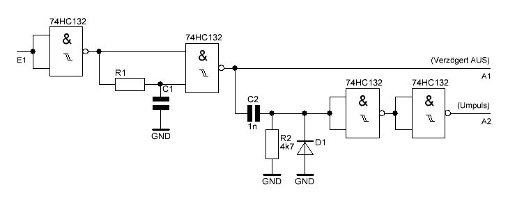
Andreas Möhring schrieb: > Aus welchen normalen Gattern kann ich das hier am einfachsten bauen ? zb. mit einem 74HC132 oder einem monoflop
Bitte melde dich an um einen Beitrag zu schreiben. Anmeldung ist kostenlos und dauert nur eine Minute.
Bestehender Account
Schon ein Account bei Google/GoogleMail? Keine Anmeldung erforderlich!
Mit Google-Account einloggen
Mit Google-Account einloggen
Noch kein Account? Hier anmelden.
