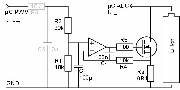
Hallo allerseits, ich möchte zum Ausmessen der Entladekurven von Li-Ionen-Zellen bei verschiedenen Stromtärken einen Lade-Entlade-Gerät bauen, ein µC soll das ganze steuern und protokollieren. Entladeströme sollen bis 5A gehen. Den Entlade-Teil hab ich schon mal entworfen, siehe Anhang. Ich dachte an einen TS912 als OPA und einen logic-level-NFET TO220 mit viel Kühlung, IRL3803 beispielsweise. R3/C3 dachte ich als PWM-Glättungs-Filter, scheint mir aber neben R1/C1 überflüssig. Dazu habe ich ein paar Fragen: 1) Ist das so brauchbar? Verbesserungsvorschläge? 2) Wie flansche ich da jetzt einen Lade-Schaltkreis dran? Im Prinzip dachte ich da ebenfalls an eine regelbare Konstantstromquelle der gleichen Art, um auch die Ladekurven aufzunehmen etc.; jedenfalls auch µC-gesteuert. Aber wie? Low-side? High-Side mit PFET? Wie mach ich das am besten? Versorgungsspannung wäre 5V oder 6V, ich dachte an einen Ladestrom bis 2A, je nach Zellentyp.
1) Ich würde den FET direkt mit der PWM ansteuern und als Buck-Konverter arbeiten lassen. So wird die Energie nicht im MOSFET verheitzt, sondern in a) der Spule und b) einem Lastwiderstand, der auch gleich der Shunt für die Strommessung dienen kann. Der MOSFET kann dadurch wesentlich kleiner ausfallen. Und Lastwiderständen (Zement- oder Metallgehäuse) ist eine höhere Temperatur relativ egal. 2) Auch hier kann ein Buck-Konverter arbeiten. Das gleiche Spiel wie oben. Allerdings werden Li-Ion nur anfangs mit Konstantstrom gelsden, so dass zusätzlich eine genaue Spannungsmessung erfolgen muss, um die Zelle nicht zu überladen und damit zu zerstören.
Und wenn das Ziel die Kapazitätsmessung ist, braucht es neben der Spannungsmessung auch noch unbedingt eine gute Strommessung, die beim Laden und Entladen funktioniert (Differentialmessung mit Shunt am Pluspol des Akkus). So kann man anfangs den Strom begrenzen und dann die Spannung. Aus (tatsächlichem) Strom und den Zeiteinheiten kann man die Kapazit aufsummieren. Muss ich mir auch irgendwann mal bauen... ...
@Knut: Hm, so'n Buck-Konverter zieht von der Quelle ja sehr abwechselnd Strom/keinen Strom. Da müsste ich dann schon einen Riesen-Elko dransetzen, um das wegzuglätten... Falls ich da jatzt nix missverstanden habe, ziehe ich da den Linearregler vor. Für den Ladeteil kann ich mir das vorstellen... allerdings müsste da ein linear-geregelter FET sowieso weniger verheizen. Für die genaue Spannungsmessung dachte ich an eine gute Spannungsreferenz (ADR364B) @Hannes: Eigentlich dachte ich, dass der µC die Stromstärke vorgibt und nicht messen muss... einfach einmal kalibrieren (welches PWM macht welche Stromstärke) und dann ist gut... Dafür hat's ja den den Regel-Shunt am Minuspol. Ich weiß allerdings immer noch nicht, wie ich den Lade-Kreis da nun dranbekomme. Low-side hieße, dass Lade- und Entladekreis nicht die gleiche Masse hätten, bei high-side ist mir nicht ganz klar, wie ich am besten den Regelkreis aufbaue... Genauso (nur umgedreht, PFET etc.)? Da bräuchte ich wohl einen OPA mit gutem Rail-to-Rail-Verhalten am Pluspol. Wundert mich, dass ich für sowas keinen alten thread finden konnte.
LEDfan schrieb: > Hm, so'n Buck-Konverter zieht von der Quelle ja sehr abwechselnd > Strom/keinen Strom. Da müsste ich dann schon einen Riesen-Elko > dransetzen, um das wegzuglätten... Nein. Ein Buck-Konverter arbeitet mit ja schon mit einer Spule. Die Restwelligkeit wird mit dem zum Buck-Konverter gehörenden Elko geglättet. Bei 100kHz und 100µH brauchst Du 470µF, die sind bei 10V nicht wirklich groß. Als Lastwiderstand nimmst Du 10 Ohm. LEDfan schrieb: > Für den Ladeteil kann ich mir das vorstellen... allerdings müsste da ein > linear-geregelter FET sowieso weniger verheizen. Das musst Du mir erklären! LEDfan schrieb: > Eigentlich dachte ich, dass der µC die Stromstärke vorgibt und > nicht messen muss... einfach einmal kalibrieren (welches PWM macht > welche Stromstärke) und dann ist gut... Nee, so einfach ist das nicht. Je kleiner die Akku-Spannung, umso größer der Strom. Das ist alles dynamisch, ohne Messen geht da gar nichts. LEDfan schrieb: > Dafür hat's ja den den > Regel-Shunt am Minuspol. Einen Regel-Shunt gibt es nicht. Wohl aber gibt es Shunt-Regler, aber das meinst Du nicht. LEDfan schrieb: > Ich weiß allerdings immer noch nicht, wie ich den Lade-Kreis da nun > dranbekomme. Low-side hieße, dass Lade- und Entladekreis nicht die > gleiche Masse hätten, bei high-side ist mir nicht ganz klar, wie ich am > besten den Regelkreis aufbaue... Hast Du Dir mal die Appnotes von Atmel speziell zur Batterieladung angesehen?
Beim Abwärtswandler glättet die Spule den Strom innerhalb der Spule/Last/Diode-Masche, nicht den von der Spannungsquelle. In der Ausschaltphase ist die Spannungsquelle 'aus'. Und 10 Ohm ließen bei 3V (gegen Ende) ja gerade mal 0.3A Entladestrom zu... >> allerdings müsste da ein >> linear-geregelter FET sowieso weniger verheizen. >Das musst Du mir erklären! gemeint war ...als beim Entladen, denn es geht nur um bis zu 2 A bei bis zu 2V Spannungsabfall, also bis 4W, während der Entlade-Teil ja bis 5A bei bis 4V, also bis 20W verheizen soll. >Nee, so einfach ist das nicht. Je kleiner die Akku-Spannung, umso größer >der Strom. Das ist alles dynamisch, ohne Messen geht da gar nichts. Wieso? Die Entladeschaltung ist eine regelbare Konstantstromquelle, und ich will auch mit Konstantstrom entladen. Aber vielleicht messe ich auch nochmal die Spannung über Rs. >Einen Regel-Shunt gibt es nicht. Shunt: Widerstand zum Messen einer Stromstärke mittels des Spannungsabfalls an diesem Widerstand. Letztlich macht Rs ja nichts anderes. Ich habe ihn einfach mal Regel-Shunt genannt, weil es der Shunt im Konstantstrom-Regelkreis ist. >Appnotes von Atmel speziell zur Batterieladung Ah, ich schau mal, danke für den Tipp.
Die AVR451 Appnote behandelt das. Discharge so ziemlich wie bei mir, zusätzlich Strommessung über einen shunt an (+). Laden mit Buck-Konverter (high-side mit PFET). Hm, sollte ich wirklich mal nen Buck-Konverter bauen? Irgendwie habe ich da Befürchtungen, dass das Programm abstürzt, während der Transistor gerade an ist und dann alles abraucht. Mit nem Li-Ionen-Akku könnte das besonders gefährlich werden.
Bitte melde dich an um einen Beitrag zu schreiben. Anmeldung ist kostenlos und dauert nur eine Minute.
Bestehender Account
Schon ein Account bei Google/GoogleMail? Keine Anmeldung erforderlich!
Mit Google-Account einloggen
Mit Google-Account einloggen
Noch kein Account? Hier anmelden.
