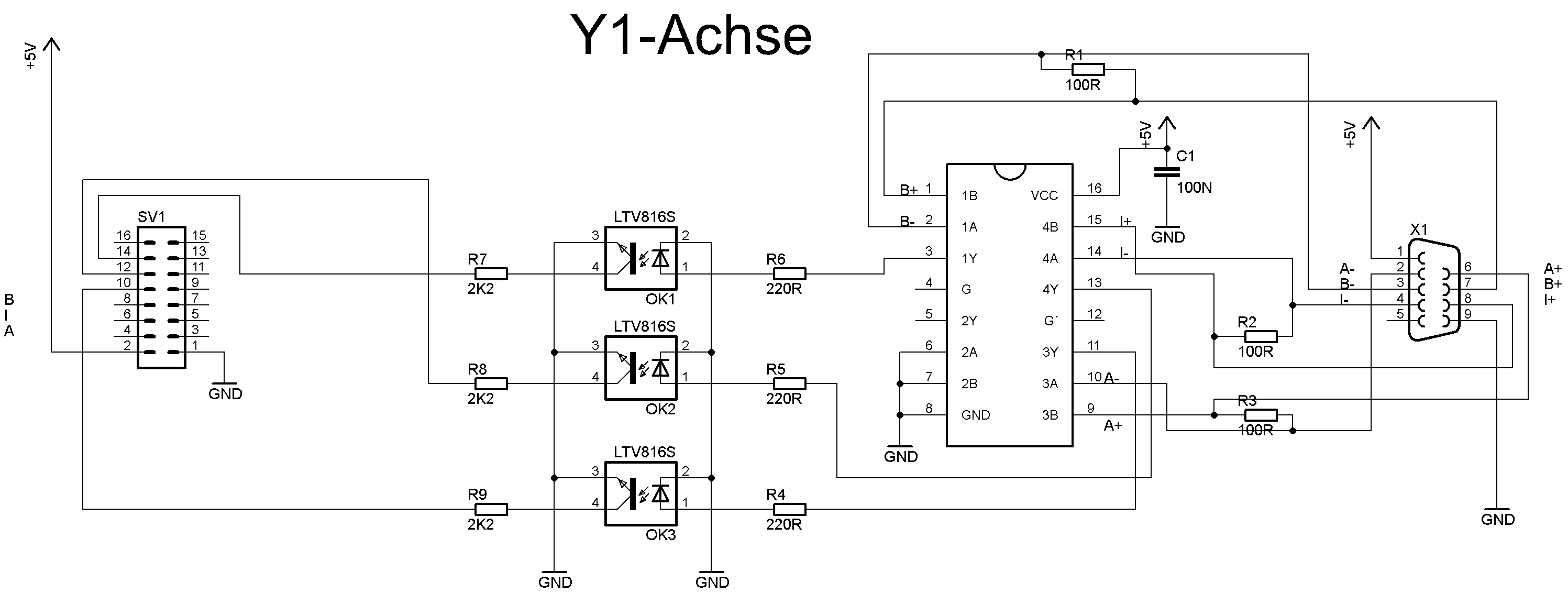
Hallo, ich habe an einer eigenbau CNC Maschine Schrittmotoren mit montieren Encodern im Einsatz. Da die Encoder ein differenzsignal für die beiden Kanäle und den Index Ausgeben können und meine Leitungslänge über 2 Meter ist wollte ich das differenzsignal auch nutzen, die Steuerung für die Schrittmoren kann das differenzsignal nicht Auswerten und will pro Kanal oder Funktion nur eben ein High-Low Signal. Ich habe den im Anhang befindlichen Schaltplan gezeichnet und das Board geroutet, würde mich freuen wenn sich das jemand ansieht und mir sagt was ich alles vergessen habe oder was mist ist. Das andere ist, sehe ich das richtig, der Line-Receiver invertiert das Eingangs- zum Ausgangsignal? Meine Optokoppler invertieren das Signal dann wieder, also sollte das wieder passen oder? Die beiden Datenblätter hab ich anghängt. Vielen Dank für eure Hilfe. Gruss Reini!
Reinhard Winkelmaier schrieb: > sehe ich das richtig, der Line-Receiver invertiert das > Eingangs- zum Ausgangsignal? > Meine Optokoppler invertieren das Signal dann wieder, also sollte das > wieder passen oder? Sieht so aus. Und wenn man die "Vorsichtshalber Opto Koppler" weg lässt nimmt man halt den A Eingang anstatt des Bs beim Differential Line Receiver.
Hallo, und wenn nicht , was soll's, vertauschst du eben + und - Signal, z.B. am Stecker. Die Quadratur-Eingänge funktionieren sowieso auch andersrum, bloss zählt der Zähler dann rückwärts, aber was vor und was zurück ist muss man i.d.R. eh irgendwo festlegen. Bei meinen Steuerungen ist das einfach so, dass man die Schrittweite pro Periode eingibt, bei Glasmassstäben z.B. 20 für 20µ, und wenn der Zähler verkehrt rum zählt, gibt man eben -20 ein. Für Leute mit einer Tastaturallergie gibt es auch noch einen Umschalter Pos/Neg auf der Platine. Gruss Reinhard
Bitte melde dich an um einen Beitrag zu schreiben. Anmeldung ist kostenlos und dauert nur eine Minute.
Bestehender Account
Schon ein Account bei Google/GoogleMail? Keine Anmeldung erforderlich!
Mit Google-Account einloggen
Mit Google-Account einloggen
Noch kein Account? Hier anmelden.

