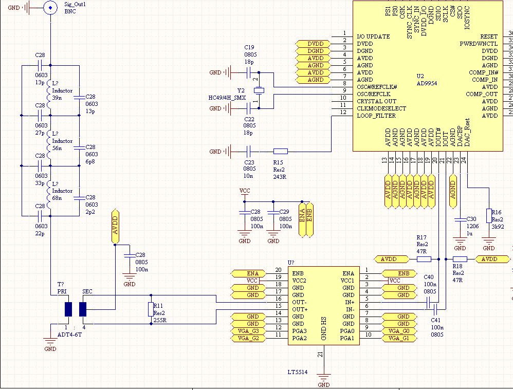
Hi, ich frage mich grade an welcher Stelle ich den DAC Ausgang meines DDS filtern soll. Reicht es wie im Bild im Anhang dargestellt, wenn man das Signal ganz am Ende filtert? Oder muss ich das Signal direkt nach dem DAC also vor der Verstärkung Filtern? Meistens haben DACs ja Glitches, wodurch man Spurious im Spektrum bekommt, das will ich natürlich nicht. Hab aber nichts im Datenblatt gefunden wie schlimm das bei dem DDS ist. Der DDS Ausgang hat ja vermutlich ein Latch eingebaut wodurch die Glitches etwas reduziert werden, aber ich kenn mich nicht der Praxis noch nicht genug aus. Meint ihr ich bekomme bei der Schaltung im Anhang einen glatten Sinus raus oder nicht?
kleffer76 schrieb: > Meint ihr ich bekomme bei der Schaltung im Anhang einen glatten Sinus > raus oder nicht? Du bist ja ein richtig lustiger Kautz. Aus deinem Text lese ich heraus, dass du dich sehr stark in die Materie eingelesen hast und weder Glitches und Spurious haben willst. Die will eigentlich keiner. Ein alter Freund von mir hatte auf der Autobahn mal Spurillen. Das war ihm auch nicht recht. Am besten wäre wohl, wenn ich dir mal ein Treffen mit Herrn Shannon vermittele. der hatte nämlich auch Angst vor den Spurious und hat daher ein sogenanntes Abtasttheorem entwickelt. Bitte nun keine Angst vor dem Theorem. Ich hab es falsch geschrieben. Klaus
Ja das Theorem kenn ich. Aber Spurious ist doch extrem breitbandig weil Glitches ja sehr kurze Pulse sind, also sehr hohe Frequenz. D.h. wenn ich mein Filter für 150MHz auslege werden die sehr hohen Glitchfrequenzanteile eh rausgefiltert, egal ob sie vorher noch mit 10dB verstärkt wurden oder nicht. Oder seh ich das falsch?
Welche Glitches bitte? Wo sollen die herkommen? aber wenn sie kommen übersteuern sie Deinen Verstärker und machen das ganze signal kaputt, da hilft danach filtern auch nicht mehr.
Bitte melde dich an um einen Beitrag zu schreiben. Anmeldung ist kostenlos und dauert nur eine Minute.
Bestehender Account
Schon ein Account bei Google/GoogleMail? Keine Anmeldung erforderlich!
Mit Google-Account einloggen
Mit Google-Account einloggen
Noch kein Account? Hier anmelden.
