hall ich möchte gern das DCF77 von pollin betreiben kann ich diese schaltung dafür nehmen.. muss ich auf 3-3,3v haben oder geht auch 5v???
Lies mal die Daten: http://www.pollin.de/shop/dt/NTQ5OTgxOTk-/Bausaetze_Module/Module/DCF_Empfangsmodul_DCF1.html Die 3V werden doch einfach mit einem Spannungsteiler erzeugt. Gönn deinem Modul doch die 2 R und 1 C . Er wird es dir danken ;-)
>muss ich auf 3-3,3v haben oder geht auch 5v??? Steht doch dick und FETT bis 3.3V dabei. Wieso kaufst du dir das wenn du nur 5V hast? Nimm einen 1k Widerstand in Reihe und eine weisse LED parallel zum Modul, das pass wohl eher als dein beschissener Spannungsteilerversuch. Oder kauf dir bei Conrad das hier: 641138 - 62 Geht von 1,5 - 15V und funktioniert hier oben in Schleswig Holstein problemlos. Die Antenne muss man auch nicht besonders genau ausrichten.
Sascha Möwert schrieb: > âlso kann ich das mit dem schalbild bauen. Jetzt mal langsam. Das Modul braucht um die 3 Volt. OK Auf dem Schaltplan ist explizit der Spannungsteiler eingezeichnet (sogar mit Beschreibungstext!!!!) welcher diese 3V aus den 5V generiert. Also wo ist nun das Problem? Sorry ich kapiers nicht. gruß cyblord
cyblord ---- schrieb: > Spannungsteiler eingezeichnet (sogar > mit Beschreibungstext!!!!) welcher diese 3V aus den 5V generiert. Einen Spannungsteiler nimmt man nicht zum Erzeugen von Versorgungsspannungen! Schon mal einen Spannungsteiler belastet? Da wird die erzeugte Spannung je mehr der Teiler belastet wird, umso mehr in den Keller gehen. Ja gut, nun könnte man sagen, das sei vernachlässigbar klein, bei den geringen Strömen, die ein DCF77-Modul zieht. Das ist es auch, aber ich sage trotzdem: Sowas macht man nicht und sei es nur aus dem Grund, dass man sich solche Verbrechen gar nicht erst angewöhnt. Gruß Oliver
Der Spannungsteiler ist, in dieser Schaltung, so richtiger Mist. Die 3 Volt am Spannungsteiler entstehen nur wenn kein Strom entnommen wird. Aber das Modul braucht Strom bei 3Volt -> die Spannung am Spannungsteiler wird geringer werden, umso mehr Strom die Schaltung zieht -> Mist, siehe oben. Was spricht denn gegen den Einsatz eines richtigen Spannungsreglers, der aus den 5 Volt 3 Volt macht? Die Kosten von ca. 80 cent könnens ja wohl nicht sein. Die 150 kOhm als Basiswiderstand kommen mir etwas arg hoch vor, warum hast Du 150kOhm gewählt?
Es gibt zwei Module von Pollin. Eines was nur mit 3,3 V zu betreiben ist, eines das auch bis 5 V kann. Ich habe zwei mit 5 V in Betrieb. Laut Beipackzettel oder Verpackungsauftruck kann das Ding von 1,2 bis 5,5 V
Oliver J. schrieb: > Ja gut, nun könnte man sagen, das sei vernachlässigbar klein, bei den > geringen Strömen, die ein DCF77-Modul zieht. Das ist es auch, aber ich > sage trotzdem: Sowas macht man nicht und sei es nur aus dem Grund, dass > man sich solche Verbrechen gar nicht erst angewöhnt. Ja na gut, aber in diesem Fall wird es funktionieren. Ich würde auch lieber einen LP2950 CZ3.3 einsetzen. Wäre in diesem Fall gut. Aber wenn man sowas nicht zur Hand hat....
cyblord ---- schrieb: > Aber wenn man sowas nicht zur Hand hat.... LEDs/Dioden hat wohl jeder Bastler zu Hause ;)
Oliver J. schrieb: > cyblord ---- schrieb: >> Aber wenn man sowas nicht zur Hand hat.... > LEDs/Dioden hat wohl jeder Bastler zu Hause ;) Damit die Spannung zu reduzieren ist aber auch nicht die feine englische Art....
cyblord ---- schrieb: > Damit die Spannung zu reduzieren ist aber auch nicht die feine englische > Art.... Aber besser geeignet als der Spannungsteiler....
so das hört sich gut an, ich habe mal was auf die schnelle gezeichnet. bitte einmal drüber schauen.was haltet ihr vom 2 bild.
Jetzt, da Du weist, dass ein Spannungsteiler nicht die eleganteste Art ist, kannst Du den ja beruhigt nutzen :-) Eine andere Alternative wäre, das ganze mit einer 3V Knopfzelle zu versorgen. Da freut sich das Modul, weil die Spannung schön glatt ist.
Guten Morgen erst einmal.Hallo Pete ja da hast du auch recht, aber ich benutze die schaltung erst einmal. welches bild ist den am besten dafür. ?
Hi Sascha, nimm die für Dich am einfachsten erreichbare Möglichkeit - außer Spannungsteiler. Bei mir arbeitet das DCF-Modul von Pollin seit 1 Jahr ohne Probleme in meiner DCF-Uhr. Ich habe das einfach mit Vorwiderstand, Z-Diode 3V3 und Kondensator gelöst. Gruss Ottmar
Hi ottmar welche diode und r hast du den genommen? da ich neuling bin, möchte ich auf die sichere seite gehen. und von erfahrenen leuten lernen.
Wenn Du einen Spannungsregler einsetzen willst, dann halte Dich bitte genau an das Datenblatt Deines Spannungsreglers. Auch wenn in anderen Schaltungen andere Werte für C angegeben sind, kommt es immer auf das verbaute Teil an. (Gilt auch für alle anderen Bauteile, nicht nur für Spannungsregler)
kannst du mir mal das dateblatt erklären wo ich was finde. jetzt bin ich ein wenig durcheinander.
Sascha Möwert schrieb: > Hi ottmar welche diode und r hast du den genommen? da ich neuling bin, > möchte ich auf die sichere seite gehen. und von erfahrenen leuten > lernen. Wenn Du Dir das Foto näher anschaust, wirst Du die weiße Schrift mit den Werten für D und R wohl auch sehen ;-) EDIT: Achnee, der Wert für R fehlt. Weiß auf hellem Grund ist halt suboptimal.
genau der r fehlt noch. wie hoch ist den der r ? oder wie nennt man so eine schaltung?
Oliver J. schrieb: > cyblord ---- schrieb: >> Damit die Spannung zu reduzieren ist aber auch nicht die feine englische >> Art.... > > Aber besser geeignet als der Spannungsteiler.... ...und meist besser als eine Z-Diode an dieser Stelle. Ein LM317L wäre natürlich auch geeignet. Gruss Harald
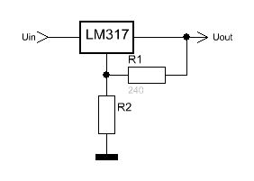
ja das kann man auch wenn man den lm317 nimmt und 5v auf in und mir zwei r der eine von 240 ohm der zwischen gnd und out ist und einen von 336 ohm an gnd. kommt man auf 3v-3,1v. das ist auch eine schöne lösung. habe ich das richtig verstanden.
Sascha Möwert schrieb: > was haltet ihr vom 2 bild. Dort fehlt die Verbindung zwischen Pin2 des Reglers und dem GND von der Eingangsspannung. Ich habe die Cs nicht mit dem Datenblatt verglichen. Wenn das Modul 90µA Stromaufnahme hat und von 1,2 ... 3,3V arbeitet, dann tut es ein einfacher Spannungsteiler mit 1mA Querstrom auf jeden Fall. Viel besser wird's mit Z-Dioden, LEDs etc. auch nicht mehr (wenn die 5V geregelt sind). Oliver J. schrieb: > Einen Spannungsteiler nimmt man nicht zum Erzeugen von > Versorgungsspannungen! Schon mal einen Spannungsteiler belastet? Da wird > die erzeugte Spannung je mehr der Teiler belastet wird, umso mehr in den > Keller gehen. Das ist zwar richtig. In dem Fall spielt es aber keine Rolle! slow schrieb: > Die 150 kOhm als Basiswiderstand kommen mir etwas arg hoch vor, warum > hast Du 150kOhm gewählt? Wahrscheinlich um den Betriebsstrom des Moduls gering zu halten. Aus dem Bauch heraus ist der RB hoch, ja, aber rechne doch mal: um die 10k an 5V durchzuschalten, wird mit den 150k RB ein Transistor mit min. hFE von ca. 40 benötigt. Das kann der BC237 locker mit Übersteuerungsreseve! Passt also.
Sascha Möwert schrieb: > hall ich möchte gern das DCF77 von pollin betreiben kann ich diese > schaltung dafür nehmen.. muss ich auf 3-3,3v haben oder geht auch 5v??? Vorschlag: - den 3,3 KOhm Widerstand durch eine blaue LED ersetzen - den 2,2 kOhm etwas verkleinern, so um die 1,5 kOhm Ergibt mit meinem Pollin Modul eine grob stabilisierte Spannung von knapp 2,9 Volt. Gruss allu
ne ich mache es mit einem LM317. das ist eine schnelle lösung, die für mich in frage kommt. ich bedanke mich für die vielen tipps, und habe eine menge gelernt.
Sascha Möwert schrieb: > ne ich mache es mit einem LM317. das ist eine schnelle lösung, die für > mich in frage kommt. ich bedanke mich für die vielen tipps, und habe > eine menge gelernt. Nimm einen LM317L. Der braucht weniger Strom und ist kleiner. Gruss Harald
HildeK schrieb: >In dem Fall spielt es aber keine Rolle! Kommt mir so vor als hätte ich das selbe gesagt in dem selben Post, den du zitiert hast. Etwas weiter unten. ;)
Oliver J. schrieb: > Kommt mir so vor als hätte ich das selbe gesagt in dem selben Post, den > du zitiert hast. Etwas weiter unten. ;) Nöö. Er sparch von dem 317*L*
Ich nehme den LM317, eine frage habe ich noch so eine ganze anlage mit atmega32,dcf77,rfm12 modul. was braucht so etwas ungefär an mA. da ich mir selbst zwei 9v trafos kaufwen möchte habe an den gedacht http://www.reichelt.de/Printtrafos-3-2-4-8VA/421-09-1/index.html?;ACTION=3;LA=2;ARTICLE=2462;GROUPID=3315;artnr=421.09-1;SID=10TwP8C38AAAIAAFNyvvE3e54321b2190e92806b25e02988356c1.
Sascha Möwert schrieb: > Ich nehme den LM317, eine frage habe ich noch so eine ganze anlage mit > atmega32,dcf77,rfm12 modul. was braucht so etwas ungefär an mA. da ich > mir selbst zwei 9v trafos kaufwen möchte habe an den gedacht > http://www.reichelt.de/Printtrafos-3-2-4-8VA/421-09-1/ Öhm warum nimmst du nicht ein fertiges Netzteil? Bei Pollin gibts ein Schaltnetzteil für 1,50 Euro welches dir direkt 5V stabil ausgibt und welches du direkt an 230V betreiben kannst. Allein der Trafo reicht dir ja nicht, du musst ja noch Gleichrichten, Glätten und usw. Und warum gleich 2 Trafos? Hier das Netzteil: http://www.pollin.de/shop/dt/NzExOTQ2OTk-/Stromversorgung/Netzgeraete/Festspannungs_Netzgeraete/Schaltnetzteil_AD_0120501.html gruß cyblord
warum 2. weil ich ja später mit dem RFM12 Modul über funk arbeiten möchte daher zwei, und den rest der sachen habe zu Hause wie gleichrichter und so, wollte ein groß bestellung bei Reichelt machen,
Sascha Möwert schrieb: > warum 2. weil ich ja später mit dem RFM12 Modul über funk arbeiten > möchte daher zwei, und den rest der sachen habe zu Hause wie > gleichrichter und so, wollte ein groß bestellung bei Reichelt machen, Und du findest wirklich dass sich das lohnt. Da 2 Netzteile komplett neu aufzubauen anstatt für 1,50 ein fertiges, billigeres, kleineres, leichteres und sparsameres (Schaltnetzteil!!) zu verwenden? gruß cyblord
ne ich habe die mir schon bei pollin bestellt. :). weißst du wie viele RFM12 Module bei pollin drin sind? ist 1 oder 2 stück.
Hallo Sascha, zunächst ergänzend zu meinen Post von 9:36 Uhr: Bauteile für die 3,3V-Versorgung: 1 Widerstand 1,2 KiloOhm , 1 Zener-Diode 3,3V, 1 Elko 10µF oder 22µF/6.3V (evtl. Tantal) Die Schaltung habe ich beigefügt. Spar Dir ein Spannungsregler-IC besser für das Netzteil auf!. IC's schön und gut, ein diskreter Aufbau ist immer informativer und lehrreicher! Die folgenden Posts habe ich mal so überlesen ... wie mir scheint wirst Du von guten Ratschlägen fast erschlagen :-) Denke bitte daran, alles was Du selbst baust, also nicht als Fertigteil verwendest, hilft Dir mehr zu lernen und zu verstehen! Mein Vorschlag zum Netzteil (Schaltungen gibt es im Netz und in gedruckter Form genug) [http://de.wikipedia.org/wiki/Netzteil] : Steckernetzteil 230V sekundär ca. 10-12V, Brücken (Rund-)gleichrichter B40C1500 mit Siebelko 1000µF/25V Spannungsregler-IC z.B. 7805 + Kühlkörper + 2 KERAMIK-C's zu je 100nF Das Steckernetzteil entbindet Dich vom Umgang mit der Netzspannung. Sekundär wird es mittels einer Hohlsteckerverbindung mit der Gleichrichterschaltung verbunden. Diese Schaltung besteht aus dem Rundgleichrichter, welcher auch aus 4 Einzeldioden z.B. 4x 1N4001 aufgebaut werden kann. Danach kommt zur Glättung der mit 100Hz pulsierenden Gleichspannung der Elko Das IC 7805 bringt die noch recht hohe Gleichspannung aus dem Gleichrichter auf das gewünschte Niveau, also z.B. 5V. Dies muss man sich so vorstellen, dass der 7805 seinen Widerstand zwischen Ein- und Ausgang so einstellt, dass bei gegebener Stromlast, der Ausgang stets auf 5V gehalten wird. Das kann dieses IC wirklich sehr gut. Wegen der im IC enthaltenen Verstärkerschaltungen kann es aber ins Schwingen geraten. Dies wird wirksam mit den Abblockkondensatoren, 100nF verhindert, von denen je einenr vom Eingang und einer vom Ausgang zum Massepin (GND) auf KÜRZESTEM Weg zu schalten ist. Im 7805 entsteht Verlustwärem. Daher ist ein kleiner Kühlkörper dann erforderlich, sobald die Verlustleistung zwischen Ein- und Ausgang des IC 1,5W erreicht oder übersteigt. z.B. 12V - 5V = 7V, I Last = 300mA PVerlust = 7V * 0,3A = 2,1Watt. mfg Ottmar
Oliver J. schrieb: > HildeK schrieb: >>In dem Fall spielt es aber keine Rolle! > Kommt mir so vor als hätte ich das selbe gesagt in dem selben Post, den > du zitiert hast. Etwas weiter unten. ;) Ja, hast du. Aber der Tenor in deinem Beitrag war so deutlich auf "Das macht man nicht", dass dies die Teilervariante praktisch zugedeckt hat :-). @ Ottmar K. (wil1) Der Hinweis in deinem Bild "DCF77_3V3_Schaltung.png", dass der Querstrom durch die Z-Diode 10mal größer sein muss/soll, ist so nicht richtig bzw. vollständig. Das ist die Faustregel, wenn du z.B. die Spannungsteilervariante nimmst. Bei den Z-Dioden wäre ein Blick ins Datenblatt für den Minimalstrom erforderlich, bei dem die Z-Spannung erreicht wird. Bei den kleinen Z-Spannungen und zudem kleinen Strömen ist die Stabilisierung auch nicht mehr viel besser als mit dem Widerstandsteiler. Sascha Möwert schrieb: > ne ich mache es mit einem LM317. das ist eine schnelle lösung, die für > mich in frage kommt. Ja, ich weiß, du hast dich für einen LM317 entschieden. Der braucht mindestens 5mA Laststrom und wird mit 1.7V Differenz Vin - Vout auch nicht unter allen Bedingungen klar kommen. Aber, das Modul läuft ja auch mit kleinerer Spannung ...
ja ich nehme den lm317 mit einem R 320ohm von gnd nach vout wo noch 240 dran steht , und ein R 520 zwischen gnd, und dann habe ich meine 3.1071428571 V .
Sascha Möwert schrieb: > und dann habe ich meine > 3.1071428571 V . Bin mal gespannt, wie du das nachmessen willst ;)
Guten Morgen, ja das weiß ich noch nicht, aber ich werde es heute mal aufbauen, auf ein steck brett mal sehen was dabei raus kommt. mfg wenn nicht kann man es ja immer noch umbauen. :)
So ich habe mich noch weiter durchgelesen, und habe jetzt verstanden das es nicht geht mit 5V und dann auf 3,1v da die Vin spannung um das 2-3 fache höher sein muss. also kann ich das vergessen. ich hoffe ich habe es gut verstanden. also es würde gehen wenn ich 10-12v auf Vin geben würde. aber ich habe ja nur board seitig 5v.
Sascha Möwert schrieb: > So ich habe mich noch weiter durchgelesen, und habe jetzt verstanden das > es nicht geht mit 5V und dann auf 3,1v da die Vin spannung um das 2-3 > fache höher sein muss. Wo steht das denn??? Bitte Quelle angeben. HildeK schrieb doch: "Ja, ich weiß, du hast dich für einen LM317 entschieden. Der braucht mindestens 5mA Laststrom und wird mit 1.7V Differenz Vin - Vout auch nicht unter allen Bedingungen klar kommen." Das heisst, dass 5V prinzipiell schon gehen, da die Differenz Vin - Vout gerade so ausreicht. Aber das andere Problem, welches HildeK ansprach, ist viel wichtiger: Der LM317 braucht eine Mindestlast von 5mA. Das schaffst Du nicht mit dem DCF77-Modul, das benötigt viel weniger Strom. Ich persönlich halte die LM317-Lösung für Kanonen auf Spatzen. Nimm einen Spannungsteiler und gut ist. Bei den geringen Strömen, die das Modul benötigt, spielen die Nachteile eines Spannungsteilers als Spannungsquelle keine Rolle. Oder nimm die Lösung von Ottmar K. (wil1) mit der Zenerdiode. Manchmal sind einfache Lösungen auch die besseren ;-)
Guten Abend ich habe noch mal eine frage zum DCF77 von Pollin das kamm heute, der Ausgang Pon reicht das wenn ich von GNd ein 10 kohm an Pon und von da aus auf einen 10 Uf und dann auf 3v. so wie es ganz oben in mein bild ist. ?? mfg
Sascha Möwert schrieb: > Guten Abend ich habe noch mal eine frage zum DCF77 von Pollin das kamm > heute, der Ausgang Pon reicht das wenn ich von GNd ein 10 kohm an Pon > und von da aus auf einen 10 Uf und dann auf 3v. so wie es ganz oben in > mein bild ist. ?? > > mfg Versuchs mal auf Deutsch.
Bitte melde dich an um einen Beitrag zu schreiben. Anmeldung ist kostenlos und dauert nur eine Minute.
Bestehender Account
Schon ein Account bei Google/GoogleMail? Keine Anmeldung erforderlich!
Mit Google-Account einloggen
Mit Google-Account einloggen
Noch kein Account? Hier anmelden.





