Hallo zusammen. Anforderung: Über BTM-222 mit Smartphone und ATMEGA kommunizieren. Ich habe mir eine Testplatine geätzt, auf der ich den BTM-222 montiert habe. Als Weiteres habe ich über den RS232-Spare des STK500 die serielle Verbindung zum BTM realisiert. STK500 ist auf 3,3V gestellt. Somit fallen die Levelshifter weg. Kommunikation funzt, Phone kann sich verbinden, Rechner erkennt die UART und Baud Rate ist bei 19200 eingestellt. Als Terminal benutze ich gleichnamiges Terminal.exe. Nun: Ich kann nur Daten an den BTM vom Rechner aus senden, wenn ich auch mit dem Phone connected bin ( komisch??? ). Könnte er das nicht auch ohne? Dann kann ich mir munter muntere Sprüche hin und her senden und alles ist gut. Sobald ich +++ eingebe im Terminal ( da müsste ja der Setupmodus kommen? ) geht keine Kommunikation mehr. Alles steht, nur das Daten kommen und gehen wird unten im Terminal angezeigt. Ein "OK" kommt auch ausschließlich nach Eingabe der +++. Davor nicht und danach auch nicht mehr Was mache ich falsch? Wie kann ich dem BTM die AT geben?
Hi, hä? Was ist wie womit verbunden? Soll der ATMega mit dem Smartphone kommunizieren? Was soll der Rechner dann?
Das BTM muss zur Konfig erst an eine Rs232 am PC. über Bluetooth geht das nicht.
Matthias T. schrieb: > Was mache ich falsch? so ziemlich alles > Wie kann ich dem BTM die AT geben? Im Disconnect-Mode "A" senden, warten bis "A" retourniert wird, Erst dann "T" senden. Warten bis "T" retourniert wird. Dann "CR" senden. Irgendwann kommt "ok" P.S. Ich bin kein BWL-Absolvent, sonst wüsste ich das nicht.
Matthias T. schrieb: > Ich habe mir eine Testplatine geätzt, auf der ich den BTM-222 montiert > habe. Unter "Montieren" versteht man sowas wie Festschrauben. Hast du ihn auch angelötet?
BWL-Absolvent schrieb: > Unter "Montieren" versteht man sowas wie Festschrauben. > Hast du ihn auch angelötet? Wikipedia dazu: Montage ([mɔnˈtaːʒə], ‚Zusammensetzen‘, von frz. montage [mɔ̃ˈtaːʒ] ‚Aufbau‘, zu monter ‚steigen‘), als Tätigkeit Montieren, bezeichnet: "Montage (Produktion) in der Arbeitswelt den Zusammenbau vorproduzierter Teile vor Ort". Synonyme:[1] Aufbau, Einbau, Errichtung, Zusammenbau Herkunft:von franz. montage → fr „Aufbau“, dieses von monter → fr „montieren“ Hätte ich schrauben gemeint, hätte ich schrauben geschrieben. Und wer ist "man"? Du hast geschrieben, ausser dir versteht "man" schrauben darunter? Kann ich "man" mal anrufen und's ihm erklären? Aber - Danke für deinen fachlichen Beitrag. Ich werd es gleich testen;) "Im Disconnect-Mode"... Heisst das vom Smartphone? Wenn ich das Terminal dixconnecte, geht ja garnix. Aber auch wenn ich das Phone nicht connecte kommt nach Eingabe von "A" garnix zurück :(
so kriegst Du keine sinnvollen Antworten... Du hast weder geschrieben was wie angeschlossen ist oder was wie kommunizieren soll. Zumindest wird es nicht klar aus Deinem Gestammel. Kein Wunder, daß da die Sakasmuskeule geschwungen wird.
naja was mit wem kommunizieren soll. Mega mit Smartphone? Was soll der PC? Hab ich doch alles geschrieben...
Norbert S. schrieb: > Hab ich doch alles geschrieben... Aber das habe ich doch auch alles bereits geschrieben?! Auf einer Platine ( jetzt natürlich noch ein Test ) habe ich einen BTM-222 gelötet/montiert wie auch immer. Später soll: Phone<-->BTM-222<-->ATMEGA per Bluetooth empfangen/senden. Dazu muss der BTM-222 mit ner RS232 am PC verbunden werden um EINGESTELLT werden zu können (Slavemode, Baud Rate, Echo on/off u.u.). Im Funkverkehr geht das nicht. Also: PC-->RS232-->STK500-->BTM-222 Wenn der BTM-222 dann richtig eingestellt ist, hat er am Rechner natürlich nix mehr verloren. Also so ähnlich wie der Atmega. den muss ich zum Flashen ja auch an nen Rechner hängen um flashen zu können. Später dann ja nich mehr. do you understand?
Die BTM222 ist ein wenig eigenwillig. Wenn man diese Eigenarten einmal begriffen hat, hilft ein entsprechender Treiber, und dann funkrioniert das Teil aber vom Allerfeinsten. Ich habe auch etwas Zeit investiert, aber nun funktioniert es endgültig mit reproduzierbarer und kommerziell vermarktbarer Zuverlässigkeit.
BWL-Absolvent schrieb: > reproduzierbarer und kommerziell vermarktbarer Zuverlässigkeit. klingt sehr gut und ich hätte gern deine Erfahrungen erhört. meine Frage: "Im Disconnect-Mode"... Heisst das vom Smartphone? Wenn ich das Terminal disconnecte, geht ja garnix. Aber auch wenn ich das Phone nicht connecte kommt nach Eingabe von "A" garnix zurück :( Soll ich dir mal ein Screenshot meines Terminals senden? bin dir sehr dankbar für Hilfe!!!
Matthias T. schrieb: > Ich kann nur Daten an den BTM vom Rechner aus senden, wenn ich auch > mit dem Phone connected bin Das ergibt keinen Sinn. Wenn Du das BT Modul auf dem Handy findest, was passiert dann genau? Die Baudrate spielt übrigens nur auf der UART-Verbindung zwischen µC und BT-Modul eine Rolle.
Norbert S. schrieb: > Das ergibt keinen Sinn. Eben das wundert mich auch! Ich habe im Terminal ne Baud Rate von 19200 und alle Zeichen werden korrekt übertragen ( von Phone-->BTM-->PC und zurück ) Norbert S. schrieb: > Wenn Du das BT Modul auf dem Handy findest, was passiert dann genau? ich habe es gekoppelt mit ID 1234, dann connecte ich es mit BTerm oder BluetoothChat vom Android SDK auf meinem Samsung Galaxy S2. Wenn es verbunden ist kann ich ( wenn das Terminal des PC auch verbunden ist ) Daten hin und her senden.
wenn ich bei connectetem PC und Phone Daten austauschen kann, funktioniert doch prinzipiell die UART?! Warum kommt dann keine Antwort, wenn ich nur den PC connecte und "A" sende?
hier mal alles in Aktion. Hab erst das Terminal verbunden. Dann das Phone verbunden, dann paar Sätze getauscht, dann +++ eingegeben. Was man hier nicht sieht...danach hab ich A gesendet und es kommt garnix; auch kein ERROR
Warum macht das Setup nicht der ATMEGA ??? Was soll der Quatsch mit dem PC ???
Moby schrieb: > Warum macht das Setup nicht der ATMEGA ??? Was soll der Quatsch mit dem > PC ??? das ist jetzt nicht dein Ernst?!
ich habe es mit und ohne CTS ( im Terminal eingestellt ) versucht. Kein Unterschied :( Im BTM-222 Datasheet ist es nicht zur Verwendung beschrieben und ich verstehe auch nicht wofür es genau da ist. Auch in anderen Schaltungen hab ich es nicht gesehen ( siehe http://www.google.de/imgres?imgurl=http://www.robotfreak.de/blog/wp-content/uploads/2008/04/btm-222_schem.png&imgrefurl=http://www.robotfreak.de/blog/mikrocontroller/preiswerte-bluetooth-anbindung/44&usg=__NKbvi_okWsFAkbziBmo6NU70UMw=&h=505&w=1232&sz=14&hl=de&start=0&zoom=1&tbnid=gB-fVBspZ_ZilM:&tbnh=103&tbnw=251&ei=zRQQT9jyINHBtAb14qg7&prev=/search%3Fq%3DBTM-222%26um%3D1%26hl%3Dde%26client%3Dopera%26sa%3DN%26rls%3Dde%26channel%3Dsuggest%26biw%3D1247%26bih%3D868%26tbm%3Disch&um=1&itbs=1&iact=rc&dur=476&sig=100544629503623709972&page=1&ndsp=20&ved=1t:429,r:2,s:0&tx=117&ty=56&biw=1247&bih=868 )
Zieh die RTS- und CTS-Leitungen deiner seriellen Schnittstelle in Richtung PC einfach mal gegen Betriebsspannung. Ich hab mal versucht ne Modemverbindung mit nem ATMEGA zu realisieren. Die Strecke sah zwar etwas anders aus PC->Modem<->Modem<-ATMEGA aber sobalt der ATMEGA was gesendet hat is das alles im Puffer der PC-Schnittstelle gelandet weil kein RTS/CTS kam. Keine Ahnung obs hier das gleiche ist. Nur eine Vermutung.
Stupido schrieb: > Zieh die RTS- und CTS-Leitungen deiner seriellen Schnittstelle in > Richtung PC einfach mal gegen Betriebsspannung. Das würde ich gern. Nur - mein STK500 hat ja nen RS232-Stecker aufm Board. Da kann ich nicht einfach so was verbinden. Brauche aber das STK500 als Converter (Max232). Und auch wenn ich es schaffe. Die 'Betriebsspannung' meinst du VOR dem STK500? Im Kabel hab ich explizit kein Vcc entdeckt, was ich verbinden könnte. Aus dem STK500 selbst sind es dann 3,3V! Ich werd mir den Schaltplan vom STK500 nochmal genauer ansehen und nach ner Lösung suchen. Prinzipiell glaube ich aber auch, das es eventuell daran liegen könnte.
Hab jetzt bei ATMEL DESIGN in Dresden angerufen und Glück, einen Entwickler am Tel zu haben. Die Sache mit RTS/CTS schließt er aus. Ich soll und werde die Baud Rate mal mit einem Oszi prüfen, ob der BTM-222 auch tatsächlich gleiche Rate wie der PC hat.
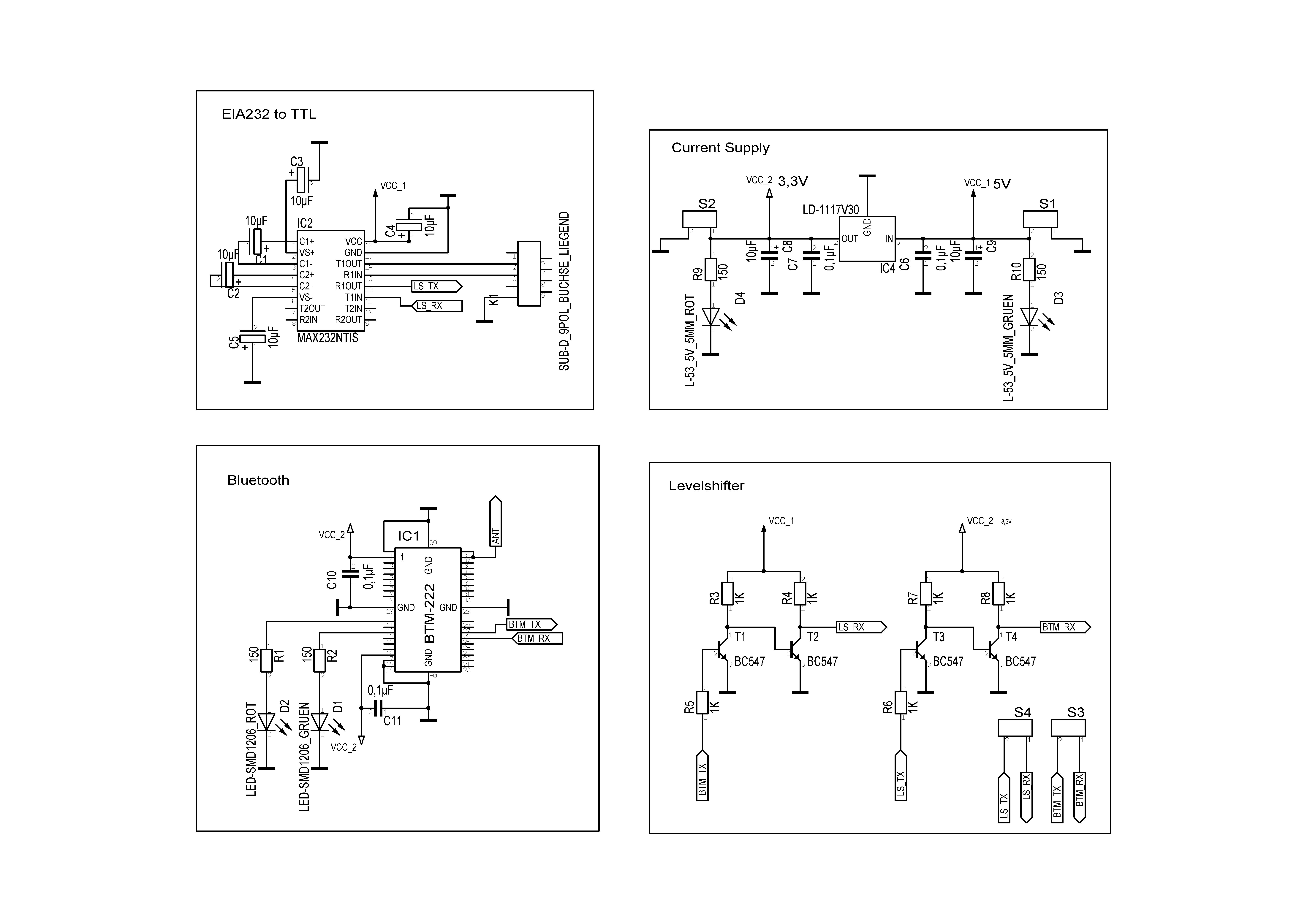
So - nun mal mein Abschlussbericht:) Es funzt:) - klar...irgendwann. Nach langem Messen rätzeln, löten, Tischkante beissen und was man nicht noch so alles macht in seiner Verzweiflung, habe ich mir einen MAX232NTIS gekauft. Zum Glück wohn ich in Dresden und Conrad ist für solche Fälle direkt zur Stelle:) Nun hab ich die Schaltung wie in der Abbildung erstellt und siehe da - es geht. Ich konnte keine Unterschiede auf meinem Oszi erkennen vorher und mit Max232 auch nicht. Warum jetzt genau der Max232 auf dem STK500 nicht zusammenarbeitet ist mir nicht genauer bekannt geworden. Also - oben angeführte Schaltung funktioniert bestens. Sollte jemand das gleiche Problem haben und auch damit nicht weiter kommen, stehe ich gern zur Verfügung;) und danke nochmal für alle helfenden Beiträge!
magst du die Schaltung bitte njochmal online stellen? Der Donwload klappt bei mir nicht. mfg
naklar :) Das .rar beinhaltet die Zeichnung als .png. Sie wäre sonst zu groß. ich sende dir auch das Target-File wenn du möchtest viel Spass!
Bitte melde dich an um einen Beitrag zu schreiben. Anmeldung ist kostenlos und dauert nur eine Minute.
Bestehender Account
Schon ein Account bei Google/GoogleMail? Keine Anmeldung erforderlich!
Mit Google-Account einloggen
Mit Google-Account einloggen
Noch kein Account? Hier anmelden.




