Weiß bitte jemand, was das für eine Platine ist (ganz rechts unten, blaue Platine ) ? Es handelt sich um einen Spielautomaten aus den 80er Jahren (Selbstbau) Schöne Grüße Chose
Besseres Foto? Vielleicht sogar als Nahaufnahme der besagten Platine?
Hi
>Besseres Foto? Vielleicht sogar als Nahaufnahme der besagten Platine?
Stimmt. Könnte aber eine Prozessor-Platine sein.
MfG Spess
Besseres Foto leider momentan nicht möglich, da der Automat auf einer Ausstellung ist. Er funktioniert noch sehr gut,soll aber einen neuen Rechner bekommen. Vermutlich ist die blaue Platine der alte Rechner. Schöne Grüße Chose
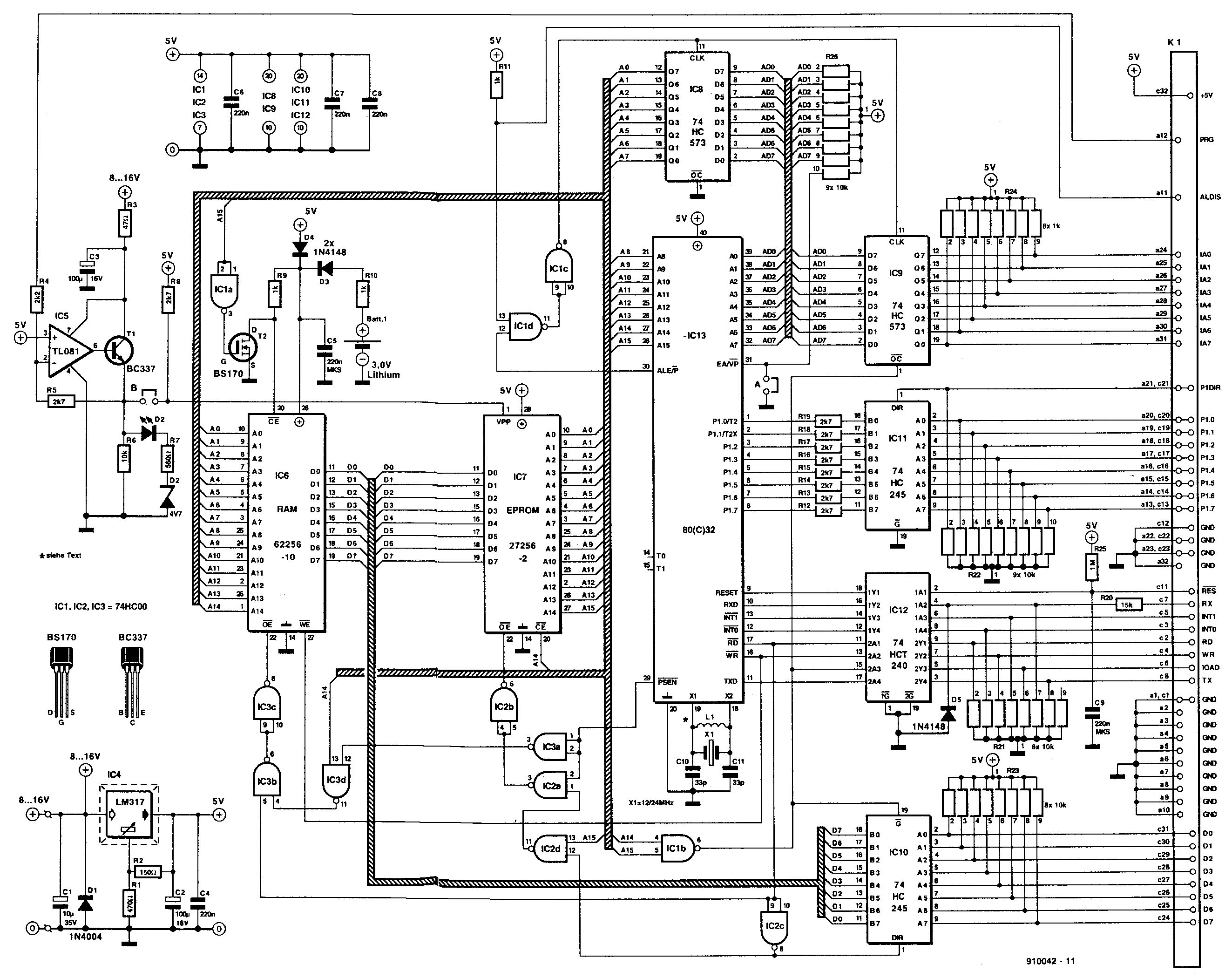
Meine Glaskugel glänzt gerade so schön. Steuerplatine, für was auch immer. Mit CPU Z80, Ram statisches RAM 8kx8 (6264 o.ä.) und Eprom 2732, noch´n paar E/A Bausteine für den Bus wie 74LS240/244/245 evtl. noch 74LS688 Adressdekoder 74LS138 usw. :-)) Gruß Andreas
Hi >Steuerplatine, für was auch immer. Mit CPU Z80, Ram statisches RAM 8kx8 >(6264 o.ä.) und Eprom 2732, noch´n paar E/A Bausteine für den Bus wie >74LS240/244/245 evtl. noch 74LS688 Adressdekoder 74LS138 usw. :-)) Da ist aber noch ein Batteriehalter zu sehen. Entweder RTC oder Batterie für Datenerhalt vom RAM. MfG Spess
Voll interessant. Ein absolutes TTL Grab. Da sind die Zähler wahrscheinlich noch mit Binärcountern und Decodern einzeln aufgebaut. Ich schätze das später ein Rechner dazugekommen ist. Zu dieser Zeit waren die Elektorplatinen blau. Ganz populär war der 8052 AH Basic Rechner. Es könnte sein, dass der Erbauer von TTL genug hatte und mit Basic-_Rechnern seine ersten Erfahrungen hier umgesetzt hat. Z80 war auch ein guter Input. Allerdings war der Elektor Z80 Rechner zu dieser Zeit kleiner. Toll finde ich auch, dass Münzauszahlungen möglich waren. Respekt an den Erbauer Smithy
Chose schrieb: > Weiß bitte jemand, was das für eine Platine ist (ganz rechts unten, > blaue Platine ) ? Es handelt sich um einen Spielautomaten aus den 80er > Jahren (Selbstbau) Ein "Compuboard" von Elektor. Um 1992. Oregonol gehörte da ein 8052AH-BASIC drauf, d.h. ein 8051-Derivat mit eingebautem BASIC-Interpreter. Das Board hat eine serielle Schnittstelle und die Möglichkeit, EPROMs zu brennen.
Ja, Elektor Platine 8052 ah Basic Du bist ca 3 Wochen zu spät, da habe ich eine komplett aufgebaute entsorgt, schweren Herzens.....
8052 ah basic hab ich hier noch. mit dcf77 und rtc. bei interesse: zopp-mc-00f1d@zipp.dyndns.org
mal ein paar fotos. ist auch nicht mehr der 8052 sondern sab 80c32 + 256 sram. bei interesse melden.
guckst Du Anhang. Den kompletten Artikel posten will ich nicht, sonst haut mich der Ernst K. aus A.
Vielen Dank ! Es handelt sich wirklich um den 8052 AH Basic Rechner von 1991 ! Das Ding läuft also seit ca. 21 Jahren ohne Probleme. Hab ihn grad mit dem Laptop verbunden und mit "list" das Programm ausgelesen. Es dürfte sich um ein Programm mit ein paar hundert bis tausend Zeilen handeln. Alles noch mit Zeilennummern versehen. Der Interpreter scheint sehr leistungsfähig (der Syntax nach) zu sein . Schöne Grüße Chose
Chose schrieb: > Das Ding läuft also seit ca. 21 Jahren ohne Probleme. Ohne Aufkleber auf dem EPROM? Respekt :)
Stefan P. schrieb: > Ohne Aufkleber auf dem EPROM? > Respekt :) Wenn die Kiste bisher lichtdicht verschlossen war, muss man das EPROM ja nicht extra noch abkleben. @Chose: Klebe da besser was lichtdichtes drüber, sonst ist das EPROM nach ein paar weiteren Blitzlicht-Fotos plötzlich leer ;-)
Meine Herren ! Wo sind eure Brillen ;-) Weißen Aufkleber nicht gesehen ? Chose
Chose schrieb: > Der Interpreter scheint sehr leistungsfähig (der Syntax nach) zu sein . Da das Programmierhandbuch nicht mehr Speicher belegt als das, was hier so an unscharfen Fotos eingestellt wird, habe ich mir mal erlaubt, es anzuhängen.
Stefan P. schrieb: > Ohne Aufkleber auf dem EPROM? > Respekt :) Nee, nur auf zopps board fehlt der Aufkleber. LG Christian
Bitte melde dich an um einen Beitrag zu schreiben. Anmeldung ist kostenlos und dauert nur eine Minute.
Bestehender Account
Schon ein Account bei Google/GoogleMail? Keine Anmeldung erforderlich!
Mit Google-Account einloggen
Mit Google-Account einloggen
Noch kein Account? Hier anmelden.




