Hallo! Motore sollen ja bei Parallelschaltung über Trennrelais betrieben werden. Ich möchte zwei Rolladenmotore mit einer Zeitschaltuhr ansteuern. Jetzt meine Frage: Muss man für jeden Motor ein eigenes Trennrelais einbauen, oder darf der erste Motor direkt an der Zeitschaltuhr betrieben werden und der zweite Motor wird über das Relais parallel angeschaltet!?
> Muss man für jeden Motor ein eigenes Trennrelais einbauen
Du musst überhaupt kein Trennrelais einbauen, wenn du den Rollladen
nicht zusätzlich mit Tastern steuern möchtest.
Aber wenn jeder Rolladen auch ein Tasterpaar hat, dann: Ja.
Hi! Man muss beide Motoren getrennt über Relais ansteuern. In der Regel haben sind das Einphasen-Kondensator-Synchronmotoren mit drei Anschlüssen. Wenn Du beide parallel schaltest, geht das nur solange gut, bis der erste Motor auf seinen Endschalter fährt. Dann wird er durch die falsche Rückspeisung in die andere Richtung wieder anlaufen... So wirst Du nie zum Ziel kommen. Deshalb muss jeder Motor über seinen eigenen Relais-Satz angesteuert werden. Nur so kann jeder Motor für sich in seinen Endschalter laufen und stehen bleiben. Carsten
Hier noch ein Schaltbild von so einem Motörchen. Die darf man auf keinen Fall parallel schalten. @MaWin: Hast Du eine Parallelschaltung von Jalousiemotoren schon mal ausprobiert? Ich denke nicht. Carsten
> Hast Du eine Parallelschaltung von Jalousiemotoren schon mal > ausprobiert? Natürlich. > Ich denke nicht. Was du so denkst. Du solltest lieber mal denken, wie die Zeitsteuerung mit den Notoren verbunden ist, selbst wenn Trennrelais installiert sind, so lange die Zeitsteuerung "runterfahren" befiehlt.
MaWin schrieb: >> Hast Du eine Parallelschaltung von Jalousiemotoren schon mal >> ausprobiert? > > Natürlich. > >> Ich denke nicht. > > Was du so denkst. Das denke ich immer noch und ich kenne es aus Erfahrung: Motoren mit Endschaltern kann und darf man nicht zusammenschalten! > Du solltest lieber mal denken, wie die Zeitsteuerung mit den Notoren > verbunden ist, selbst wenn Trennrelais installiert sind, so lange die > Zeitsteuerung "runterfahren" befiehlt. Die beiden Relais steuern ihre Motoren an, ungeachtet, ob sie schon abgeschaltet haben, oder nicht. Was sonst. Mal Dir das doch mal richtig auf.
Ohne Trennrelais geht es nicht, soweit war mir das klar! Aber reicht es nicht wenn ich den ersten motor über die schaltuhr (die ja auch relais eingebaut hat) ansteuere und parallel dazu ein trennrelais ansteuere, welches wiederum den zweiten motor ansteuert. so müssten sie doch galvanisch getrennt sein, oder mache ich eine denkfehler!? riskiere ich denn einen defekt, wenn ich es mal so probiere? solange es nur zu einem auf und ab kommt eigentlich nicht...
Hi! Nein, einen Motor direkt an die Zeitschaltuhr anschließen wird für den zweiten Motor tötlich enden: Ausgehend von der Skizze sei in der Uhr L1 nach L durchgeschaltet. Dann läuft der Motor M1 in die eine Richtung, Relais K2 zieht an und M2 läuft auch los. Das Problem ergibt sich durch den ersten Motor. Intern ist zwischen den beiden Klemmen, die an L1 & L2 angeschlossen werden, ein Kondensator von ein paar µF verbaut, um die zweite Phase für das Drehfeld zu erzeugen. Der Motor M1 speist dadurch auf der Leitung L2 eine Spannung von ca. 180-200V zurück. Die reicht aus, um auch K1 anziehen zu lassen. Bingo! Das war's dann für Motor zwei. Jedem Motor seinen eigenen Satz Relais-Kontakte zu spendieren lohnt sich also. Wenn man es ganz sicher machen will, läuft die Ansteuerung des einen Relais jeweils durch einen Ruhekontakt des anderen Relais. Dann kann wirklich immer nur einer. Carsten
Wenn bei der angehängten Schaltung ein Relais angezogen hat, (K1 oder K2) sind elektrisch betrachtet alle Motoren in Reihe geschaltet. Wenn nun einer der Motoren durch seinen internen Endschalter abschaltet, wen interessiert es? Wenn ich in einem Bürogebäude nun hunderte dieser Jalusien habe und ein drittel an der selben Phase hängt, sind alle an dieser Phase hängenden Jalusien die sich gerade bewegen (von mir aus alle auf einmal weil die automatische Steuerung meint es ist zu hell draußen und deshalb alle Jalusien zu fährt) parallel geschaltet. Was würde hier passieren? Ganz genau, nämlich genau garnix. Zumindest dann nicht, wenn man davon aus geht, daß immer nur eines der Relais anziehen kann weil die Steuerung das so macht, eine Verriegelung drinne ist oder warum auch immer. Hinter einem Schalter mehrere Jalusien parallel anschließen macht rein elektrisch ziemlich genau garnix, wenn man die Strombelastbarkeit der Kontakte nicht überschreitet. Frank P.S. Sorry, weiß nicht, warum die Datei nun zwei mal angehängt ist...
was denn nun? also doch keine trennrelais erforderlich? wozu gibt es die teile dann? ich habe bisher immer gelesen, dass man bei standard-motoren mit mechanischen endschaltern welche braucht. wir reden nicht von elektronischen endschaltern oder funkmotoren.
Hi! Frank B. schrieb: > Wenn bei der angehängten Schaltung ein Relais angezogen hat, (K1 oder > K2) sind elektrisch betrachtet alle Motoren in Reihe geschaltet. Parallel! > Wenn nun einer der Motoren durch seinen internen Endschalter abschaltet, > wen interessiert es? Bei Deinen Zeichnungen ist alles entkoppelt, so wie ich es einen Beitrag vorher auch schon dargestellt habe. > ... > > Hinter einem Schalter mehrere Jalusien parallel anschließen macht rein > elektrisch ziemlich genau garnix, wenn man die Strombelastbarkeit der > Kontakte nicht überschreitet. > Blödsinn. Schau Dir mal die angehängte Zeichnung an und überlege! - Ausgangslage: Anlage ist stromlos, rechte Endlage, jeweils der rechte Endschalter hat geöffnet. Soweit noch alles ok. - L1 wird betromt, beide Motoren laufen "nach links". Alle Endschalter sind geschlossen, beide Motoren sind nun parallel geschaltet. - Motor M1 ist schneller (weil Jalusie leichtgängiger) und schaltet als erster seinen linken Enschalter ab. Motor M2 läuft noch. Wass passiert jetzt? - Motor M2 liefert an seiner rechten Klemme Spannung über den Konden- sator in Motor M1, der daraufhin wieder nach rechts anläuft. - Motor M1 fährt so aus dem linken Endschalter. Nun läuft er wieder nach links bis er wieder abschaltet. - Das Spiel wiederholt sich, bis auch M2 in den linken Endschalter fährt, oder bis L1 abgeschaltet wird. Wenn dann n Motoren parallel geschaltet werden, mag das zwar das Relais oder der Taster aushalten, aber bestimmt nicht die Endschalter in den Motoren. Deshalb darf immer nur eine Phase vom einem Motor angesteuert werden, die andere MUSS "in der Luft hängen." Carsten
@carsten vielen dank, super erklärt! jetzt ist es klar! also benötige ich je motor und je laufrichtung ein relais, für meinen anwendungsfall also insgesamt 4 relais, richtig!? die kann ich mir doch selbst zusammenlöten, oder ist bei den fertigen trennrelais noch sonstige elektronik enthalten?
Hi! Du kannst einfach zwei Relais mit zwei Schließern nehmen, ggf. noch mit einem Öffner, falls Du die beiden Relaisspulen gegeneinander verriegeln willst. Siehe Beitrag "Re: Trennrelais für Jalousiemotore" Carsten
solche Trennkoppler gibt es fertig für ca. 20 EUR zu kaufen als Komponenten zum Einbau in eine (tief) Schalterdose. Mein Aufbau: 2 WippenTaster (jeweils hoch/runter) 2 Rohrmotore 1 Zeitschaltuhr DDie Rohrmotoren lassen sich separat runter und hoch fahren, bzw. gehen gemeinsam zur eingestellten Zeit zusammen hoch/runter suaber, einfach, preiswert, stabil, ohne Versicherungsprobleme. Bin grad unterwegs. Wenn du mich anschreibst, kann ich dir mal den Hersteller raussuchen
Ansgar schrieb: > oder darf der > erste Motor direkt an der Zeitschaltuhr betrieben werden und der zweite > Motor wird über das Relais parallel angeschaltet!? Was spricht gegen das gemeinsame Absenken der Rolladen? Denkst du auch an deine Nachbarn? Du kannst natürlich beide Rolladen zur gleichen Zeit runterholen.
Wann du solche Trennrelais brauchst, sagt dir der Hersteller der Motoren. Es ist von der Anzahl der Motoren und deren elektrischer Leistung abhängig. Oft können die Kleinrelais in der Schaltuhr je 2 Motoren (2xhoch/2xrunter) betätigen, ab je 3 Motoren sollten dann die stärkeren Trennrelais eingesetzt werden, um die Kontakte der Kleinrelais zu schonen. Irgendwelche komische Effekte wie hier beschrieben, gibt es nicht. Die Kleinrelais in der Schaltuhr sind jeweils für 1 Minute für die Bewegungs-Aktion eingeschaltet. Somit laufen unterschiedlich hohe Fenster und auch Türen vollends in ihre Endstellungen.
Der Weg der erleuchtung: Man nehme einen Jalousiemotor, schließe den blauen Draht an Neutral, gebe auf den schwarzen Draht Spannung, halte den braunen Draht in der Hand und warte auf die erleuchtung. Ergebnis des Test ist, das man erstmal ordentlich eine gewischt bekommt. Damit dürfte sich dann auch erklären, warum man 2 Motoren nicht ohne Trennrelais betreiben kann/darf. Denn bei nur einem Motor an einem Schalter, hängt der zweite Steueranschluss immer in der Luft. Wenn nun aber 2 Motoren parallel hängen, dann hängen die beiden Leitungen technisch gesehen zwar am Schalter in der Luft, aber die beiden Motoren sind trotzdem miteinander verbunden. Dadurch kommt es zu der oben beschriebenen Rückkopplung an den Motoren und die können im schlimmsten fall gegenläufig laufen. Solange die Motoren syncron sind, passiert da nichts. Aber eben sobald 1 Motor nur 1-2 Sekunden langsamer schaltet. Und ja, es geht, wenn man eine ungerade zahl Motoren hat, das man 1 Motor direkt ansteuert und die restlichen über das Trennrelais. Denn selbst wenn der direkt angeschlossene Motor Rückspannung liefert, trennen die Relais die anderen Motoren ab.
habs gefunden: http://www.kaiser-nienhaus.de/d_neu/frameset_steuerungen/downloads/Nutzungsvorschlaege.pdf dort suchen nach "Mehrfach-Steuergerät"
Hallo. Ich will hier mal mit gefährlichen, falschen Aussagen aufräumen. Ich bin seit 10 Jahren Elektriker Meister und in der Gebäudeautomatisierung tätig und habe schon tausende Jalousien in Betrieb genommen. Es gibt Jalousiemotoren, welche keine Trennrelais benötigen, diese haben sogenannte elektronische Endschalter, alle Jalousiemotoren welche mechanische Endschalter besitzen, dürfen keinesfalls direkt parallel geschalten werden sondern nur über Trennrelais. Da man bei Bauforhaben nie genau weiß, welche Motoren zum Einsatz kommen und vor allem welche Motoren bei einem Austausch eingebaut werden, verbaue ich grundsätzlich Trennrelais. Die Schaltung im Anhang hat sich sehr bewehrt, da sie nicht nur als Trennrelais fungiert, sondern auch ein gleichzeitiges Auf-/Abfahren sicher verhindert. Bei mehr als 2 Motoren verwende ich immer die Schrack Minirelais mit 4 Wechselkontakten, diese sind günstig, leise und robust. Christian
Kleine Frage dazu! So wie es Christian aufgezeichnet hat scheint es mir sicher zu sein, dass nie Auf/Ab gleichzeitig auf dem Motor sein kann. Ist das ein Eigenbau oder gibt es den fertig? Ist die Bezeichnung "Trennrelais" eine Aussage ob es sicher ist? Manchmal liest man ja etwas von einer zwingenden Pause von ~500ms zwischen Auf/Ab. Also swas wie das hier: http://www.ebay.de/itm/Trennrelais-Steuerrelais-f-Rohrmotor-Rolladen-Jalousie-/290520285637?pt=Motoren_Getriebe&hash=item43a45bc1c5 Ich möchte im Neubau auch die Raffstore Zentral Auf/Ab Steuern können. Es wird mit einer SPS gesteuert, aber alle Raffstore Inputs und Outputs auf die SPS zu ziehen scheint mir dann doch etwas zu übertrieben. Also einfach rauf/runter sollte genügen. Wenn dann einmal die SPS ausfällt kann man sie wenigstens noch per Hand bedienen.
Hallo. Also für zwei Motoren kaufen wir normalerweise die Trennrelais fertig (z.B.: Jung TR-SUP) bei mehreren Motoren bauen wir sie selbst mit zwei Schrack PT570730 Relais. Die gegenseitige Verriegelung zwischen auf und ab, ist bei der Angabe Trennrelais nicht sicher und kann nur mittels Datenblatt oder Schaltungsanalyse herausgefunden werden. Diese Ebay Relais sind sehr günstig, ich würde in deiner Stelle anfragen, denn die Verriegelung ist bei einer selbst programmierten Steuerung sicherlich von Vorteil. Die Zwangspause liegt immer zwischen den Richtungswechseln (AUF - Stop mit Pause - AB - Stop mit Pause - AUF) diese wird benötigt, dass sich die Motorkondensatoren entladen können, passiert dies nicht, können die Endschalter verschweissen. Die Pause sollte je nach Hersteller zwischen 0,5s und 1s liegen. Zieh lieber alle Motoren in den Verteiler und setzt dort erst die Trennrelais, ist zwar anfangs mehr Arbeit, aber du hast die Möglichkeit später die Gruppen zu Ändern. Christian
Christian Kreuzer schrieb: > Zieh lieber alle Motoren in den Verteiler und setzt dort erst die > Trennrelais, ist zwar anfangs mehr Arbeit, aber du hast die Möglichkeit > später die Gruppen zu Ändern. > > Christian Danke für den Tipp! Es wird wie gesagt eine zentrale SPS (ILC 150 ETH) im Keller/Schaltschrank zum Einsatz kommen. Momentan bin ich am Abwiegen der Möglichkeiten wie bestimmte Sachen umgesetzt werden können. Wenn ich jetzt einmal für 15 Raffstore rechne brauche ich 30 IN/OUT um die Raffstore steuern zu können. Die Erweiterungsmodule IN/OUT mit je 32 I/Os kosten ca. 200,- das Stück. Also zusammen ~400,-. Zusätzlich 30 Relais um die 230V zu schalten (z.B. PR1 um ca. 10,-). Also nochmal 300,-. In Summe also ~700,- um 15 Raffstore einzeln und zentral steuern zu können. Vorteil ist hier, dass ich auch eine Lichtabhängige Steuerung der Raffstore umsetzen kann. Durch die SPS bin ich komplett flexibel was man in Zukunft machen will. Die andere Möglichkeit: Trennrelais Z.b. die 15 Raffstore auf 5 Räume zusammenfassen. Somit bräuchte man maximal 10 I/Os und 10 Relais um die Räume unabhängig steuern zu können. Oder man macht einfach nur einen globalen Auf/Ab Ausgang von der SPS (Zeitsteuerung/Wind/...) der alle 5 Gruppen gleich bedient. Hier ist es schon um einiges billiger. Nachteil hier ist, dass ich immer auf den Taster bleiben muss um ganz rauf oder runter zu fahren. Oder gibt es Trennrelais die bei einem Tasterdruck von ca. 3 Sekunden dann ganz rauf/runter fahren? Die andere Lösung ist mit z.B. Jung 232ME. Aber die kosten ~90,- pro Stück. Bei 5 Gruppen sind das auch schon wieder ~500,-. Für mehrere Motoren in einer Gruppe werden trotzdem Trennrelais benötigt. Fazit: Alle Raffstore einzeln an SPS: bequem, aufwendig und teuer Raffstore zu Gruppen mit Trennrelais: immer noch bequem, gleicher Aufwand wie einzeln an SPS, billiger, Problem mit ganz rauf/runter mit Taster Jung 232ME Taster: immer noch bequem, Aufwand etwa gleich wie mit Trennrelais, teurer hmmm...
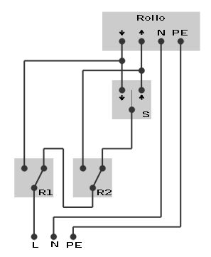
Hallo! Hoffentlich schaut hier noch jemand, insbesondere Christian, hinein. das Thema ist ja schon etwas her. Ich habe die Beiträge mit großem Interesse gelesen, weil ich auch 12 Rolläden automatisieren möchte. Ich habe eine viel einfachere Schaltung gefunden. Die erscheint aber so einfach, dass ich einen Haken erwarte. Ich finde ihn aber nicht: Eine gleichzeitige Bestromung der beiden Leitungen ist ausgeschlossen und im Betrieb "hängt" immer eine Leitung in der Luft, oder? Bitte helft mir, ich traue der Sache nicht. Danke Rolf
Hallo Rolf. Grundsätzlich verstehe ich den Sinn deiner Schaltung nicht ganz. Warum nach der Steuerung nochmals ein Schalter? Auf und Ab gleichzeitig dürftest du damit sicher verhindern, allerdings kann es passieren, dass beim Umschalten keine Pause eingehalten wird. Zum Beispiel wenn du mit dem Schalter Auf fährst und das R1 anzieht um Ab zu fahren. Christian
R1 hat prio, dann kommt R2 und wenn beide ruhig sind ( und nur dann), dann kann man per Schalter auf/ab schalten.
Hi Warum soll nicht zusätzlich zur Relaisansteuerung die Bedienung mit Rolladentastern gemacht werden ? Allerdings hab ich dafür gesorgt, das es Taster sind und nicht die üblichen Schaltwippen, die in der Schaltstellung verbleiben. Das könnte dazu führen, das ein Rollo über Relais runterfährt und nach Abschalten wieder hoch. Darum Taster. Ansonsten spricht nix dagegen. Gruß oldmax
Christian Kreuzer schrieb: > Grundsätzlich verstehe ich den Sinn deiner Schaltung nicht ganz. > Warum nach der Steuerung nochmals ein Schalter? Hallo! Vielen Dank für die schnelle Antwort, sorry, ich selbst war wegen Abwesenheit leider nicht so schnell. Die Taster S sollen die Bedienung im Raum realisieren, die Relais R1+R2 sind die zentrale Steuerung. Die Reihenfolge von R1/R2 und damit die Priorität von AUF und AB war mir erst mal egal. Ich fand diese Schaltung aber schön einfach. Diese Schaltpause zwischen zwei Aktionen hat doch ein handelsübliches Trennrelais auch nicht, oder? Die Schaltung ist doch dann eine genial einfache Alternative zu diesen, oder? Gruß Rolf
Die Schaltpause sollte so lang sein, daß der Motor zum Stillstand kommt. Ein Relais schaltet viel schneller (1-4ms) , d.h. wenn also ein Bediener den Motor in Richtung auf laufen läßt und die Elektronik per Relais aber die andere Richtung ansteuert, kommt es zu einer viel zu schnellen Richtungsänderung, die Dir entweder den Motor schlachtet oder aber die Kontakte verbrennt. Hatte das Problem mal in einer Vorhangsteuerung. Es wurde so schnell reversiert, daß die Motor-Getriebe-Einheit aus der Halterung ausgerastet und 4m zu Boden gefallen ist.
Trennrelais selbst sorgen nicht für die nötige Pause, wie du richtig erkannt hast. Ebenso wenig wie konventionelle Jalousietaster oder -schalter. Hier steht normalerweise nur ein Hinweis in der Bedienungsanleitung. Wenn du allerdings ins Datenblatt / Handbuch des Jalousiemotors blickst, findest du mit Sicherheit eine Angabe zur Mindestzeit (außer bei manchen elektronischen JAlousiemotoren, diese haben die Pause in der internen Elektronik integriert) welche im Normalfall zwischen 0,5s und 1s liegt. Deine Lösung ist sehr Komponenten-sparend, normalerweise legt man die Taster auf die Steuerung und diese versorgt dann exklusiv die Jalousiemotoren. Schau dir mal die EGS12Z von Eltako an, vielleicht ist das eine günstige Lösung für dich. Christian_RX7
Eine günstige Lösung wäre vielleicht ein drittes Relais, welches die Stromzufuhr vor und nach irgendwelchen automatischen Aktionen für die benötigte Pausendauer unterbricht. So macht das die Gebäudesteuerung bei meinem Brötchengeber.
Moin, bei mehreren Jalousien bietet sich doch eine Siemens LOGO! an. GW
Hi Wenn du sowieso von einer Zentralen Stelle die Relais schaltest, dann kannst du auch Schütze nehmen. Für einen Antrieb brauchst du zwei Leitungen für auf-ab und die zwei MP und Erde. Bleibt bei einem fünfadrigen Kabel eine Ader frei. Ich hab das wie in der Skizze gelöst. Zu beachten ist lediglich, das die Taster eben Taster sind und wieder in die Ruhelage kommen. So ist ein Ansteuern gegen das Schütz nicht möglich, da die Phase zu den Tastern abgeschaltet wird, wenn die Schütze schalten. Gruß oldmax
oldmax schrieb: >So ist ein Ansteuern gegen das Schütz nicht > möglich, da die Phase zu den Tastern abgeschaltet wird, wenn die Schütze > schalten. Autsch! Und was passiert, wenn beim einen Taster auf AUF gedrückt wird, und am anderen auf AB? Kaboom! Ne Kinders, die einzelnen Ansteuerungen dürfen nie hinter irgendwelchen Schaltkontakten zusammengeführt werden. Das geht nur ins Auge. Carsten
Hi
@Carsten
So schlau sind wir schon... ich hab da handelsübliche Rolladenschalter
zu Tastern umgebaut. Nix mit
>Kaboom!
Ja, ist eben keine Fertigung aus dem Baumarkt. Wer das nicht kann, der
muss halt Serientaster nehmen und die Schaltung entsprechend mit
Schützen realisieren und damit die gegenseitige Verriegelung. Aber dann
ist es mit viel Platz verbunden und auch teuer.
Gruß oldmax
...anders herum gedacht. Direkt am Motor 2 relais mit 230V Spule gegeneinander verschalten. Dann können Schaltermenge, Art und Verschaltung frei nach Schnauze gewählt werden... Verstehe sowieso nicht warum diese Motoren das nicht mit eingebaut haben... S
oldmax schrieb: > Hi > @Carsten > So schlau sind wir schon... ich hab da handelsübliche Rolladenschalter > zu Tastern umgebaut. Nix mit >>Kaboom! Natürlich kaboom! Schau Dir mal das angehängte Bild an. Wenn K1 angesteuert wird, dann fließt der Strom im roten Pfad. Werden nun zufälligerweise die beiden Taster so gedrückt, daß der blaue Pfad entsteht, dann ist das für den linken Motor gar nicht gut.
supernova schrieb: > ...anders herum gedacht. > > Direkt am Motor 2 relais mit 230V Spule gegeneinander verschalten. > > Dann können Schaltermenge, Art und Verschaltung frei nach Schnauze > gewählt werden... > > Verstehe sowieso nicht warum diese Motoren das nicht mit eingebaut > haben... Und was ist das dann für eine Schaltung? Richtig, eine laute Schnarre, bei der die beiden Relais um die Wette klappern und der Motor knurrend leidet. Die beiden Drehrichtungsanschlüsse des Motors sind nicht abwechselnd stromlos! Wenn der eine Anschluß mit dem Netz verbunden wird, wird der andere Motor-intern durch einen Kondensator versorgt.
Hallo! Schaltung für 2 Rolladen-Motore mit Endschalter an einer Schaltuhr mit einem Relais, 230 V~ (3x UM). Trennrelais auf einer Isolierstoffplatte aufgebaut, montiert im Rolladen-Kasten des ersten Rolladen. Dreipolige Leitung v. Uhr z. 1 Rolladen, Trennrelais, Ltg. z. 2. Rolladen. Läuft seit März 2008. Bevor ihr mich in der Luft zerreißt: Ich weiß, es wäre besser gewesen eine 4-pol. Zuleitung zu nehmen u. die ge/gn Ader bis zum 2. Rolladen durchzuchalten. fredl
Hallo Manfred, Super Schaltung ich habe sie heute nachgebaut, kann ich nur weiterempfehlen funktioniert echt super. Ich hatte das gleiche Problem wie Ansgar und war schon drauf und dran mir noch ein zweites Kabel zu legen. Dank deiner Schaltung kann ich mir diese Arbeit jetzt sparen. Aufwand ca. eine halbe Std. Gruß Marc
Man kann das ganze auch mit Klingeltastern und Schützen aufbauen. Auch hier ist eine Doppelauslösung nicht möglich
Danke Fredl! Diese Schaltung erlaubt für mich endlich zwei Rolladen mit einem Fibaro FGR-222 (Z-wave Rolladen Steuerung) zu steuern. Das Problem ist, dass die Smart-Steuerung den Strom überwacht möchte, der durch den Motor fließt, aber im Fall eines Trennrelais misst die Steuerung nur den Relaisstrom. MfG, Zoltan
Bitte melde dich an um einen Beitrag zu schreiben. Anmeldung ist kostenlos und dauert nur eine Minute.
Bestehender Account
Schon ein Account bei Google/GoogleMail? Keine Anmeldung erforderlich!
Mit Google-Account einloggen
Mit Google-Account einloggen
Noch kein Account? Hier anmelden.















