Nachti, hätte gern gewusst ob mein Netzteil genügend gegen Netzstörungen sicher ist. Verbesserungsvorschläge werden wohlwollend aufgenommen. Grüße Krangel
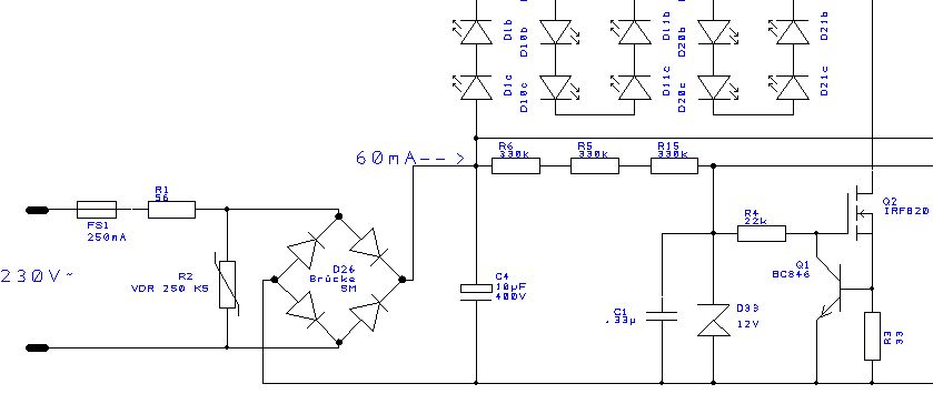
Im Prinzip schon. Leider begrenzt ein 400V= (1mA) VDR den Stossstrom erst bei 650V. Schöner wäre also ein 630V Folienkondensator, leider wohl zu gross. Den 250V~ VDR baust du vor den Gleichrichter und davor R1 als 0.6W (0.25W) fusible resistor Sicherungswiderstand, F1 entfällt damit. R4 und die .33u sind eigentlich unnötig, wenn man's hart nimmt sogar D33.
>R4 und die .33u sind eigentlich unnötig, wenn man's hart nimmt sogar >D33. Wenn eine LED "durchbrennt" siehts um das Gate des Mosis schlecht bestellt aus ohne D33 ...
> Wenn eine LED "durchbrennt"
ist das Gerät sowieso kaputt und muß repariert werden,
weil es nicht mehr leuchtet.
Jens G. schrieb: > Ja, aber den Mosfet muß man ja deswegen nicht opfern. MaWin hats gern wenns funkt und raucht xD
Man könnte den Transistor im Inversbetrieb laufen lassen, und die Gatespannung im Fehlerfall mit der BE-Diode begrenzen... ;-)
Moin, das Entfallen der Sicherung macht mich nervös, meines Wissens sind im 230V-Teil Glassicherungen vorgeschrieben. Man braucht doch hier im Sicherungsfall einen definierten Mindestabstand. Der .33µ dient zur Verzögerung der Gatespannung, beim Einschalten sind Q1 und Q2 gesperrt, die Gatespannung würde schneller hoch laufen als Q1 leitend wird. D33 ist der "German Angst" geschuldet. Grüße Krangel
Wieso geht das Ganze nicht gleich als reines strombegrenzendes Kondensatornetzteil ohne den FET usw.? Zu irgendwas müssen die 50 Hz doch gut sein ...
> Ja, aber den Mosfet muß man ja deswegen nicht opfern. Klar du Held, und was ist, wenn statt einer LED eben der MOSFET durchlegiert ? Dann sterben auch andere Bauteile wie z.B. zumindest eine LED, und dagegen unternimmst du nichts ? Du hast eine extrem selektive Wahrnehmung...
Hi, Ben _ schrieb: > Wieso geht das Ganze nicht gleich als reines strombegrenzendes > Kondensatornetzteil ohne den FET usw.? Kondensatornetzteile verwendet man bei kleinen Spannungen, ich verwende den vollen "Saft". Krangel
> meines Wissens sind im 230V-Teil Glassicherungen vorgeschrieben. Nö http://www.vishay.com/docs/28737/nfr25.pdf Sind für 250/350V zugelassen. > die Gatespannung würde schneller hoch laufen als Q1 leitend wird. Nö.
und ich frage mich, ob du mit deinem Netzteil auch nicht andere störst. Von einem Elko kann man bei HF nicht viel Entstörwirkung erwarten.
Hi, MaWin schrieb: >> die Gatespannung würde schneller hoch laufen als Q1 leitend wird. > > Nö. meine gefühlte "German Angst" und Tante Spice sagen doch! Günter Richter schrieb: > und ich frage mich, ob du mit deinem Netzteil auch nicht andere störst. > Von einem Elko kann man bei HF nicht viel Entstörwirkung erwarten. Wie groß ist denn die Störung der Gleichrichterbrücke? Krangel
> und Tante Spice sagen doch! Stimmt auch. Solange die Netzspannung nicht groß genug für den entsprechenden Stromfluss durch die LEDs ist, solange ist Q2 inaktiv und die Gatespannung kann beliebig groß werden (Uces).
@MaWin (Gast) >> Ja, aber den Mosfet muß man ja deswegen nicht opfern. >Klar du Held, >und was ist, wenn statt einer LED eben der MOSFET durchlegiert ? >Dann sterben auch andere Bauteile wie z.B. zumindest eine LED, >und dagegen unternimmst du nichts ? >Du hast eine extrem selektive Wahrnehmung... Klar Du Held. Bei den lausigen Qualitäten der LEDs in mehrfacher Ausführung in dieser Schaltung ist die Wahrscheinlichkeit, daß es ausgerechnet den Mosfet erwischt, eher gering. Zur Sicherheit kannst du ja noch eine zweite Stromquelle in Reihe schalten ;-)
> Tante Spice sagen doch!
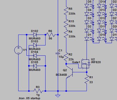
Oh, das ist Herr Miller, Cdg,
dessen (Auflade-)Strom fliesst dummerweise nicht durch R1.
Heftig.
Krangel schrieb: > Wie groß ist denn die Störung der Gleichrichterbrücke? > > Krangel definitiv zu berücksichtigen, musst du messen und ggf. mit C parallel zum Netz (400 V~ ) killen. Ein HF-Säugling-C parallel zum Elko ist auch nicht falsch, falls du mit dem Ding in die Serienfertigung gehen musst.
@MaWin (Gast) >> Tante Spice sagen doch! >Oh, das ist Herr Miller, Cdg, >dessen (Auflade-)Strom fliesst dummerweise nicht durch R1. >Heftig. Hat mit Herrn Miller gar nix zu tun. So wie ArnoR es beschreibt, wird ein Schuh draus.
Ok, stimmt wahrscheinlich, damit erklärt sich der sonst überraschend hohe Effekt.
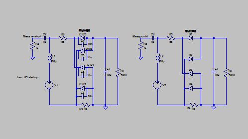
Hi, kann man die Störungen der Diode mit Spice aussagekräftig simulieren? Man bräuchte eine Ersatzschaltung den Stromnetzes. Krangel
Naja, zu faul für Google? Als Anfang: Nimm eine 230V Wechselspannungsquelle und schalte in Serie 100 Ohm. Im Frequenzbereich 100KHz bis 10MHz hast du dann eine Netznachbildung.
Für den niederfrequenten Bereich und als eigentliche Stromquelle für deine Nutzschaltung muß parallel zu dem Widerstand noch ne Spule von 500uH.
Bitte melde dich an um einen Beitrag zu schreiben. Anmeldung ist kostenlos und dauert nur eine Minute.
Bestehender Account
Schon ein Account bei Google/GoogleMail? Keine Anmeldung erforderlich!
Mit Google-Account einloggen
Mit Google-Account einloggen
Noch kein Account? Hier anmelden.








