Hallo Leute, ich versuche nun schon seit einigen Tagen, den Pollin RFM01 Empfänger im OOK Modus zum laufen zu kriegen. Der Empfänger ist per SPI an einem Mega1284P angeschlossen. Der DATA Pin vom RFM01 hängt an einem Oszilloskop. Mein Plan ist, mit dem RFM01 die Signale meiner Intertechno Funksteckdosen-Fernbedienung (433,92MHz) aufzufangen um sie im nächsten Schritt per RFM02 senden zu können. Ich initialisiere das Modul (MikroPascal-Quellcode steht im Anhang) und möchte nun das Signal des DATA-Pins im Osci sehen. Ich würde mich ja schon etwas freuen, wenn ich wenigstens ein Rauschen sehen würde, aber nichtmal das wird sichtbar... Erkennt vielleicht jemand von euch meinen Denk/Codefehler? Ich habe schon einige Themen, Threads, Dokumentationen und Quellcodes durchgelesen, komme aber nun nicht mehr weiter...
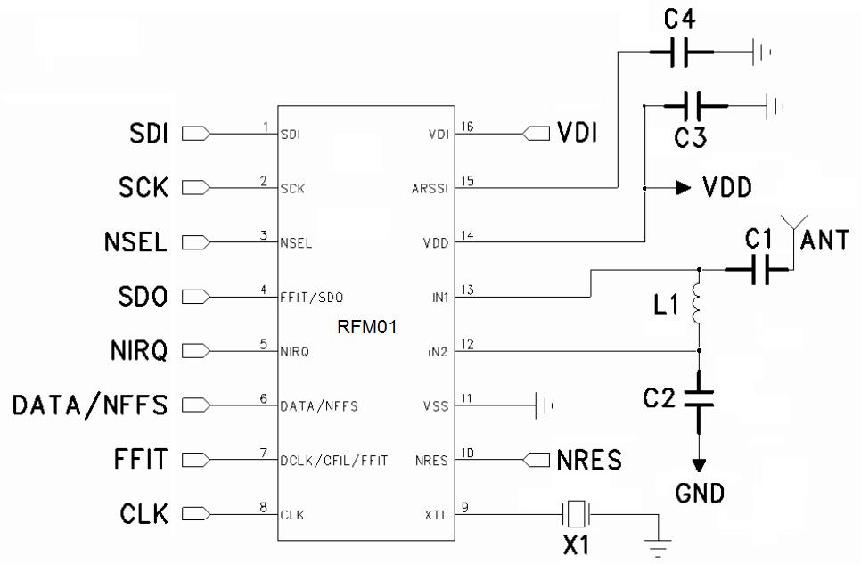
Björn schrieb: > Der DATA Pin vom RFM01 hängt an einem Oszilloskop. Das gesuchte Signal kommt nicht aus dem DATA Pin, sondern aus dem Pin ARSSI, das nicht auf die Anschlussstifte geführt ist. Dessen Abgriff erfolgt an C4.
Natürlich kommen die Daten am DATA-Pin raus, auch im OOK Modus. Zuerst mal solltest du die Einstellungen für RSSI-threshold auf -85 oder -91 dBm und LNA gain auf 0 dB ändern. Bei mir funktioniert es auch so.
Holli schrieb: > Natürlich kommen die Daten am DATA-Pin raus Aber nur digital, abhängig von der eingestellten Schwelle. Wenn man analog den "Level" sehen will, muss man auf den ARSSI ausweichen.
Er will sicherlich ein digitales Rauschen sehen, wie es auch bei den einfachen Pendelempfängern raus kommt. Das gibt es beim RFM allerdings so nicht. Wenn, dann ist es das Signal eines Senders in der Nähe. Außerdem ändern sich auch die Puls-Pausen-Zeiten in Abhängigkeit mit der Entfernung. Das ist auch ein Nachteil der RFM's.
Bitte melde dich an um einen Beitrag zu schreiben. Anmeldung ist kostenlos und dauert nur eine Minute.
Bestehender Account
Schon ein Account bei Google/GoogleMail? Keine Anmeldung erforderlich!
Mit Google-Account einloggen
Mit Google-Account einloggen
Noch kein Account? Hier anmelden.

