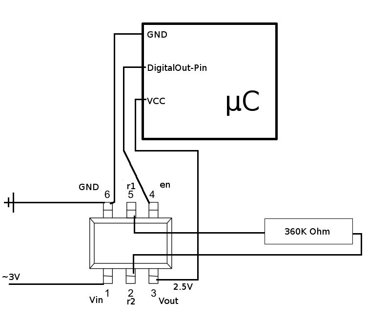
Hallo Forum, ich habe lange nur mitgelesen, nun reicht das leider nicht mehr aus und ich muss mal eine Frage stellen. Ich habe eine Platine (u.a. mit einem ATMega48v, aber das ist hier nicht weiter wichtig) Die Stromversorgung geschieht über einen kleinen IC, dessen Beschriftung "E25 BTM" mich auch nach langem Googeln nicht weiter gebracht hat. Was er tut, ist nicht schwer zu verstehen, ein bisschen Messen und Leiterbahnen verfolgen ergab die Beschaltung, die ich mal im Anhang aufgemalt habe: Über den Pin Vin kommt die Versorgungsspannung von zwei AAA-Batterien rein. Diese wird dann reguliert so dass aus Vout 2,5V herauskommen. Das ganze geschieht nur wenn am Pin "en" ebenfalls Spannung anliegt. (Das dient in der Schalung hier dazu über einen Taster strom auf diesen Pin zu geben, woraufhin der µC Startet und seinerseits diesen Pin auf HIGH setzt. Wenn der µC seinen Job getan hat, setzt er den Pin auf LOW und schaltet sich damit selbst den Strom aus) Ich möchte die ganze Schaltung aber mit 2,7V oder mehr betreiben, damit ich den ATMega48V auf 8MHz statt 1MHz takten kann. Zwischen Pin 5 und 2, die ich mal mit "r1" und "r2" beschriftet habe, hängt ein 360 Ohm Widerstand, dessen Sinn mir nicht ganz klar ist. Sollte es sich um einen einstellbaren Regulator handeln, ist dieser Widerstand wahrscheinlich zum Einstellen von Vout da. Aber ich wollte nicht ohne Sinn und Verstand dran rumspielen, denn wenn mir der IC durchbrennt, wäre mein Problem noch dringender. Das Ganze ist ein SMD-IC und kommt als (T)SOT23-6 daher. Mein Problem ist, dass ich mich bei diesen ganzen Regulatoren eher wenig auskenne. SOT23-6 scheint ja eher unüblich zu sein für Regulatoren und die ganzen Step-Up-Regulatoren benötigen ja Kondensatoren oder gar kleine Induktivitäten, die in dieser Schaltung aber gänzlich fehlen. Um es abzuschließen: * Weiß jemand, was das für ein Teil ist? * Wozu genau dient der Widerstand / Lässt sich damit der Output regeln? * Kennt jemand einen IC im SOT23-6-Package, der als Ersatz dienen könnte: * Input auf Pin 1 * Output auf Pin 3 * GND auf Pin 6 * Pin 2 und 5 können beliebig beschaltet sein. * Enable auf Pin 4 wäre nett, muss aber nicht sein. So ich hoffe, jetzt fühlt sich keiner als IC-Berater missbraucht und dass ich mich aufgrund meine Unerfahrenheit nicht all zu sehr in den Bezeichnungen und Begriffen vertan habe. Schönen Gruß TOM
Sorry, da hatte was mit dem Speichern des Bildes nicht geklappt, diesmal sind meine Anpassungen auch mit in der Zeichnung (hoffe ich)
Thomas Moll schrieb: > So ich hoffe, jetzt fühlt sich keiner als IC-Berater missbraucht Doch. Wenn man Beratung möchte, könnte man im Vorfeld mal einen Link zum Datenblatt des Bausteines mit posten, und vielleicht eine kleine Handskizze zur Schaltung.
Hi, wenn ich ein Datenblatt hätte, hätte ich kein Problem. Habe mal den interessanten Teil der Schaltung aufgemalt. Dabei habe ich bemerkt, dass ich Oben einen kleinen irrtum hatte: es sind 360K nicht 360 Ohm, die zwischen Pin 2 und 5 hängen. Gruß TOM
Wilhelm Ferkes schrieb: > Wenn man Beratung möchte, könnte man im Vorfeld mal einen Link zum > Datenblatt des Bausteines mit posten, Ich verweise dich einfach mal auf den Eröffnungsbeitrag Thomas Moll schrieb: > dessen Beschriftung > "E25 BTM" mich auch nach langem Googeln nicht weiter gebracht hat.
Vermutung: SupplyVoltage supervisor mit Watchdog?
Klingt schonmal gut... ich werde mal googeln, ob ich unter diesem Namen etwas finde, was passt....
sicher, dass es sot23 ist ? ansonsten vielleicht sowas in der Art R1170H501B ? das zumindest aus der vergleichstabelle nach der ich gegoogelt habe: E25+Bxx R1170H251B SOT-89-5 2.5V 800mA LDO Regulator with Chip Enable
ersetzen klnnte man den dann durch: E27+Bxx R1170H271B SOT-89-5 2.7V 800mA LDO Regulator with Chip Enable oder eben E28 E29 E30 etc.
Oha... da habe ich mich wohl vertan.. SOT-89 kannte ich noch gar nicht, aber wenn ich mal genauer hinschaue Lupe nehm dann ist tatsächlich der eine Pin anders geformt... Das stellt dann aber meine restliche Recherche in Frage... wie dem auch sei, SOT-89 war der entscheidende Tip... 1000 Dank! Kannst du mir aber, damit mir das nicht noch mal passiert, sagen wonach genau du gesucht hast, denn bei "E25" "BTM" und diversen anderen Variationen kommt bei mir nur Mist raus. Wie hast du die "Vergleichstabelle" gefunden?
Suchbegriff war e25 sot regulator 4. Treffer (zumindest bei mir) SMD-Codebook
Hehe, ok, da habe ich mir selbst ein Bein gestellt, denn wenn ich nach "sot" gesucht habe, dann immer nach "sot23" nur "sot" einzugeben, darauf kam ich nicht... Tja, und die Leiterbahnen verlaufen wohl unter dem chip anders, als es aussah... da muss ich wohl noch mal nachmessen. Also Rätsel ist gelöst, dank auch an alle anderen Tippgeber!
Bitte melde dich an um einen Beitrag zu schreiben. Anmeldung ist kostenlos und dauert nur eine Minute.
Bestehender Account
Schon ein Account bei Google/GoogleMail? Keine Anmeldung erforderlich!
Mit Google-Account einloggen
Mit Google-Account einloggen
Noch kein Account? Hier anmelden.


