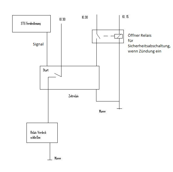
Hallo zusammen, ich möchte ein kleines Komfortmodul für den KFZ-Bereich bauen mit dem man das Verdeck per Knopfdruck auf der Fernbedienung schließen kann. Hierfür hatte ich eigentlich vor den Kemo B042 Zeitschalter zu verwenden. Nun kam mir aber die Idee dies per uC zu lösen, allerdings habe ich keine Ahnung was ich hierfür verwenden kann. Ich habe einen Willem Programmer zur Verfügung. Damit sollte der uC zu programmieren sein. Im Anhang habe ich einen einfachen Schaltplan hinzugefügt, wie das mit Zeitschalter aussehen sollte, auch wenn er nicht ganz korrekt ist - zur Veranschaulichung sollte es reichen. Ich möchte, dass der uC, wenn er das Signal vom Stg. Fernbedienung bekommt, für einen bestimmten Zeitraum den Steuerstromkreis des Relais für die Funktion "Verdeck schließen" schließt. Dabei muss er eben die Leistung die zum Schalten des Relais nötig ist aushalten. Das Öffnerrelais ist eine Sicherheitsschaltung, die die Funktion bei eingeschalteter Zündung deaktiviert und die Stromversorgung zum uC unterbricht. Ich hoffe ich habe mich verständlich ausgedrückt. Da ich leider keine Ahnung habe hoffe ich auf eure Hilfe bzgl. benötigter Bauteile und Programmierung. Vielen Dank schon vorab! Schöne Grüße Holger
Micrcontroller im Auto sind nicht ganz einfach, denn das KFZ Bordnetz hat Störungen bis +100V/-100V http://www.dse-faq.elektronik-kompendium.de/dse-faq.htm#F.23 Relais an Microcontrollern sind schwierig, weil Störungen des uC aus dem Tritt bringen http://www.dse-faq.elektronik-kompendium.de/dse-faq.htm#F.25.2 Dein Problem scheint sich einfach mit einem NE555 lösen zu lassen. AUch der Kemo-Bausatz wird dein Problem lösen, die verwenden nicht mal einen NE555 sondern simple Transistoren. Ein Mikrocontroller ist Overkill für das Problem.
Holger Gitzing schrieb: > Da ich leider keine Ahnung habe Du weißt welche Sicherheitsvorschriften (Einquetschschutz, Blockadeerkennung usw.) Du einhalten mußt wenn du das ganze automatisierst? Gruß Anja
@MaWin: Danke für den Hinweis. Damit ich keine Probleme bekomme wäre es dann vielleicht doch besser die Variante von KEMO zu nehmen. @Anja: Es handelt sich bei dem Fahrzeug um ein halbautomatisches Verdeck, das manuell verriegelt werden muss. Das Verdeck fährt nicht bis es komplett geschlossen ist, sondern hat davor eine Abschaltung. Diese Abschaltung möchte ich auch nicht umgehen. Der Vorteil dieser Zusatzschaltung soll sein, dass ich, wenn ich im Cafe sitze und es plötzlich zu regenen anfängt ich den Knopf auf meiner FB drücken, das Verdeck schließt, und ich es nur noch manuell verriegeln muss. Ich gewinne dadurch die Zeit, die ich sonst brauche um zum Auto zu gehen, die Zündung einzuschalten und die Bremse zu betätigen.
Bitte melde dich an um einen Beitrag zu schreiben. Anmeldung ist kostenlos und dauert nur eine Minute.
Bestehender Account
Schon ein Account bei Google/GoogleMail? Keine Anmeldung erforderlich!
Mit Google-Account einloggen
Mit Google-Account einloggen
Noch kein Account? Hier anmelden.
