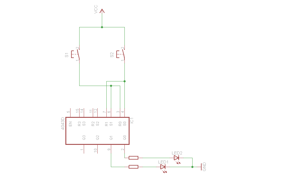
Hallo, Ich fange gerade erst an mich ein wenig mit Mikrocontrollern und Schaltungen etc. zu beschäftigen. Ich stecke nun aber am Flipflop HEF4043 fest. Mein Plan ist es, dass mit den beiden Tastern die jeweiligen Ausgänge gesetzt werden, sodass die LED's leuchten und die jeweils anderen Ausgänge rückgesetzt werden. Leider funktioniert das ganz bisher überhaupt nicht. Ich vermute, dass es daran liegt, dass ich die Eingänge, solange der Taster nicht gedrückt wird, an nichts angeschlossen sind (was laut Datenblatt ja so nicht sein soll). Meine Frage ist jetzt, gibt es eine simple Möglichkeit den HEF4043 zum ordnungsgemäßen funktionieren zu bringen? Entschuldigt bitte wenn die Frage ein weniger sehr anfängermäßig sein sollte, aber wie gesagt, mit solchen Bauteilen habe ich noch nicht sehr viel gearbeitet. Vorab schonmal Danke Gruß Felix
HI >Meine Frage ist jetzt, gibt es eine simple Möglichkeit den HEF4043 zum >ordnungsgemäßen funktionieren zu bringen? 1. Pull-Down-Widerstände an die Eingänge 2. EN an H legen MfG Spess
spess53 schrieb: > HI > >>Meine Frage ist jetzt, gibt es eine simple Möglichkeit den HEF4043 zum >>ordnungsgemäßen funktionieren zu bringen? > > 1. Pull-Down-Widerstände an die Eingänge > > 2. EN an H legen 3. Taster entprellen Gruss Harald
Hi
>3. Taster entprellen
Wozu? Das sind RS-FF. Wenn er nicht verbotener Weise beide Taster drückt
entprellen die sich selbst.
MfG Spess
spess53 schrieb: > Hi > >>3. Taster entprellen > > Wozu? Das sind RS-FF. Wenn er nicht verbotener Weise beide Taster drückt > entprellen die sich selbst. Hast recht. aber wenn man die anderen Funktionen des FF z.B. Taktflipflop ausprobieren will... Gruss Harald
die Taster entprellen....an einer Schaltung, die millionenfach genau dafür verwendet wurde/wird: Taster/Schalter zu entprellen. Naja, Hauptsache, was gesagt. :-)
Hi >Hast recht. aber wenn man die anderen Funktionen des FF >z.B. Taktflipflop ausprobieren will... Meine Antwort war auch nur für diese Art FF gedacht. MfG Spess
Bitte melde dich an um einen Beitrag zu schreiben. Anmeldung ist kostenlos und dauert nur eine Minute.
Bestehender Account
Schon ein Account bei Google/GoogleMail? Keine Anmeldung erforderlich!
Mit Google-Account einloggen
Mit Google-Account einloggen
Noch kein Account? Hier anmelden.
