Hi Könnte mir jemand sagen ob es erlaubt ist, Trafos mit verschiedener Nennleistung primärseitig (230V) parallel zu schalten? Könnte es zu ausgleichsspannungen kommen? Sekunderseitig werden die Massen verbunden! Wie macht man es richtig? mfg
Alle Verbraucher im Netz sind parallel drin! Was soll da jetzt passieren?
das schon, jedoch hänge ich bei den ersten beiden Trafos noch die Massen der Sekundärseite zusammen?!
Nochmal: Im Netz sind alle Verbraucher mehr oder weniger parallel geschaltet. Dein PC, Monitor und Audioverstärker sind alle parallel. Wieso willst du das überhaupt machen? Erzeuge die Spannungen doch aus einem Trafo, spart Gewicht, Energie, Geld und Platz, denn um galvanische Trennung kanns dir nicht gehen
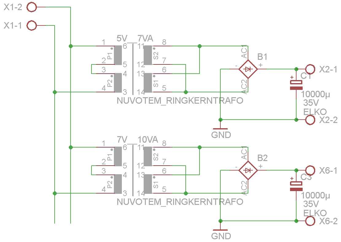
Bitte auf dieses Bild im Anhang eingehen. Ist mir klar dass alle geräte parallel im Netz hängen, jedoch weiß ich nicht ob es bei Trafo 1 und 2 zu ausgleichsströmen kommt, da unterschiedlich belastet und gemeinsamen GND auf der Sekundärseite.
Ich hab hier eine Steckdosenleiste da sind drei Steckernetzteile drangestöpselt.Jedes Netzteil hat einen Trafo drinn.Die Primärwicklungen sind ja da durch die Steckdosenleiste quasi parallel geschaltet.Was soll da passieren?Denn Sinn der Anfrage versteh ich nicht!
warum geht keiner auf die gemeinsame masse auf der sekundärseite ein?
Georg H. schrieb: > ob es bei Trafo 1 und 2 zu ausgleichsströmen kommt Wo sollen die bei einpoliger Verbindung fließen?
Georg H. schrieb: > jedoch weiß ich nicht ob es bei Trafo 1 und 2 zu ausgleichsströmen kommt Dann mal doch mal den Stromkreis für irgendwelche Ausgleichsströme ein. Siehst du da einen?
Georg H. schrieb: > jedoch weiß ich > nicht ob es bei Trafo 1 und 2 zu ausgleichsströmen kommt, Nur in den Trafos fließen die durch die Parallelschaltung der jeweiligen Sekundärwicklungen. Auch wenn das manche Hersteller erlauben, ist das nicht gut. 7 und 10 Watt und 10 mF?
Georg H. schrieb: > warum geht keiner auf die gemeinsame masse auf der sekundärseite ein? Weils keine Rolle spielt...
Der gelöschte Beitrag oben war von mir. Sorry, ich las erst nach Absendung: Primärseite. Nicht Sekundärseite. Ich übersah es deswegen, weil diese Sache mit der Primärseite einfach völlig weltfremd und Nonsens ist. Aber hallo, was soll denn auf der Primärseite passieren? Da hängen bei Nachbarn und sonst wo am Netz noch viele andere unbekannte Trafos parallel. Ich bezog meinen letzten gelöschten Beitrag auf Sekundärseite. Wenn das auch interessiert, poste ich ihn noch mal. Hab ihn hier mal temporär noch im Texteditor abgespeichert.
Bitte melde dich an um einen Beitrag zu schreiben. Anmeldung ist kostenlos und dauert nur eine Minute.
Bestehender Account
Schon ein Account bei Google/GoogleMail? Keine Anmeldung erforderlich!
Mit Google-Account einloggen
Mit Google-Account einloggen
Noch kein Account? Hier anmelden.

