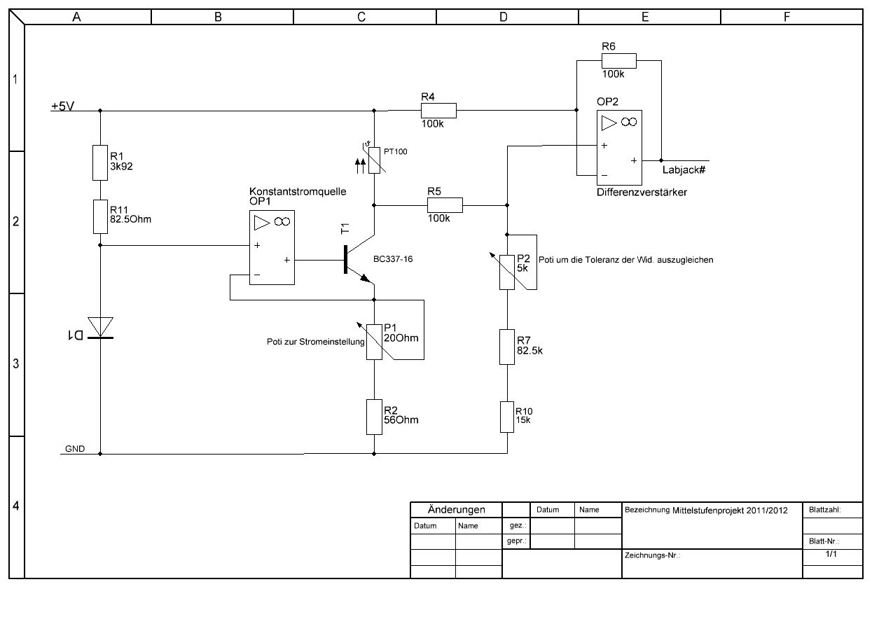
Hey Leute, ich bin Azubi EGS. Ich hatte vor ein paar Monate mal ein Projekt bekommen und soll dies nun vrbessern. Es geht um eine Temperaturerfassung mit dem Messmodul "Labjack U12" und "ProfiLab Expert". Im Schaltplan seht ihr meine Schaltung die auf der Leiterkarte 4 mal aufgebaut ist. Mein Messstrom durch den PT100 liegt bei 10mA. Die Masse von meiner Scvhaltung ist natürlich auch mit meiner Masse am Labjack verbunden. Die Labjackeinstellungen in ProfiLab sind das ich die AI(AnalogIn) Eingänge auf "+-5V Single ended" eingestellt habe. In der Kurzanleitung/Datenblatt steht das ich bei dieser Einstellung eine Messauflösung von 2,44mV erreichen müsste. Kurzanleitung Labjack: http://iis807.inf.tu-dresden.de/webpages_autospy/def/lang/german/download/LabJack_Kurzanleitung.pdf Mit meinem Multimeter messe ich über den PT100 z.b. 1,102V und durch das Poti P2 passe ich die Verstärkung an so das ich am Ausgang von OP2 auch -1,102V habe. Das funktioniert auch relartiv gut. Mein Problem ist das ich am Labjack AI Eingang (Mit Multimeter gemessen)die -1.102V sehe. Der Labjack zeigt im ProfiLab aber nur -1,069V an. Kennt sich hier jemand mit dem Labjack aus? Hat jemand dazu einen Tipp oder einé Idee? Ich soll die Schaltung versuchen zu verbessern. Nen Denkanstoß wäre hilfreich. grüße
Achso 2 Dinge noch. Die 5V kommen nicht vom Labjack sondern von einem Netzteil. Und Probleme durch Eigenerwärmung habe ich nicht.
Schon mal die Batterie vom Messgerät gecheckt? Oder mal ein zweites Messgerät zum Vergleich genommen?
Hab mit 3 Multimetern gemessen die Spannung an der Schaltung sollte stimmen.
LabJ schrieb: > Mein Messstrom durch den PT100 liegt bei 10mA. und du weist was du da tust? 1ma ist bei pt100 die kotzgrenze!!! 0,1ma bei pt1000. das kann nicht funktionieren..... bei 10ma ist das ne gut gehende heizung. mfg
Dolf in meinem 2 Beitrag sagte ich das ich keine Probleme druch Eigenerwärmung feststellen konte. Auserdem ist ein falscher Messwert auf der Messkarte momentan zimlich egal da ich sowieso was anderes im Labjack einlese. Und das ist mein Problem.
Hallo LabJ, also wenn ich das richtig sehe, dann Irritiert dich ja hauptsächlich, dass dein LabJack etwas anderes anzeigt wie das Multimeter. Der eine Ansatz wäre meiner Meinung nach, die Genauigkeit des Lab-Jack herauszufinden. Nur weil der in 2,44 mV Schritten misst, heißt das ja noch nicht, dass er nich dennoch einen generellen Messoffset hat. Ich würde an den Labjack mal mit einem regelbaren Netzteil rangehen. Da könntest du dann die vom LabJack gemessene Spannung mit der vergleichen, die von deinen Multimetern gemessen wurde. Wenn die Spannungen dann "besser" übereinander liegen, musst du den Fehler in der Schaltung suchen. Ergeben sich ähnliche Abweichungen wie in der Schaltung, könntest du versuchen eine art Korrekturtabelle anzulegen. Die könnte dann ja sagen, dass z.B. 1V noch 30mv dazu gerechnet werden müssen, bei 2V dann 40mV usw... Natürlich muss ich mich dolf auch noch anschließen, du solltest mal noch überlegen, welche "Heizleistung" dein PT100 bei 10mA hat. Bei einer Temperaturmessung in der Luft könnte das deine Messung dann doch verfälschen (eigenerwärmung). Bei Messungen in Wasser oder so, könnte das gerade noch aktzeptabel sein.
PS: http://labjack.com/support/app-notes/resolution-and-accuracy http://labjack.com/support/app-notes/noise-and-resolution
Ja das habe ich versucht. Die Abweichnung existieren immer noch komischerweise an jedem Eingangskanal sind die anders. AI1 Multimeter 1,004V Netzteil 1,00V Labjack 0,94V AI2 Multimeter 1,004V Netzteil 1,00V Labjack 0,97V und an den andern Eingängen ähnlich. Hab die PT100 dauerbetrieb 10mA Hier die Tabelle Einschaltmoment - 1,112V Nach 1 Min - 1,111V 2 Min - 1,110V 3 Min - 1,111V 4 Min - 1,110V 5 Min - 1,109V 6 Min - 1,109V usw. Um dem Strom zu senken müsste ich ja nur den Messwiderstand em Emitter des Transistors erhöhen. Werde ich mal machen damit ihr auch zufrieden seit. ^^ Wie gesagt ich finde im Internet auch nichts zur abweicheung bei der Analogenmesswerterfassung mit dem Labjack grüße
@Fabi Zu dem ersten Link ich lese ja keine direkte Tempratur ein sonder eine Spannung aber das war bestimmt klar. Das mit den Noise and Resolution ist klar das bei 2 Bit nur 4 Möglichkeiten gibt. 2^12 = 4096 10V Spannungsbereich (-5V bis +5V) 10/4096=0,00244V (Die 2,44mV Messauflösung) Verstehe ich was flasch? Ich hab ja abweichungen naja ca. 40mV. Das ist doch weit über die auflösung. Oder ist die Referenzspannung vm Labjack einfach schlecht? Ich versteh iwie nicht wieso das so starkabwicht und was man un kan... wenn es überhaupt was gibt.
Ok ich versteh. Die Messauflösung hat nicht direkt mit der Genauigkeit zu tun... Ist ja auvch klar. Was könnte man den gegen die Genauigkeit tun? Eine tabelle habe ich versucht anzufertigen. Die abweichungen sind aber immer anders. Meist zwischen 38mV und 45mV. Was würdet ihr emnpfehlen mit wie vielen WEerten ich diese Tabelle anfertige soll um dan einen Schnitt zu machen?
Hallo LabJ, das Problem bei diesen "günstigeren" Messkarten ist einfach, dass diese einen Offset, Offsetdrift, Temperaturdrift usw. haben. Wo der herkommt weiß hier bestimmt jemand im Forum, ich nicht :-) Wenn du mit dieser "günstigen" Messhardware leben musst, dann wäre mein Ansatz, den tatsächlich benötigten Messbereich mit den OP's entsprechen zu verstärken. Also mal schauen, welche Temperaturen du messen willst. Dann würd ich die OP's so auslegen, dass eben die kleinste zu messende Temperatur irgendwie 0,5V entspricht und die größte zu messende Temperatur dann 4,5 V oder so entspricht. Dann machen sich die Abweichungen schon mal nicht mehr so stark bemerkbar wie evtl. gerade.
Auflösung und Genauigkeit sind zwei Paar Schuhe. Miss auch mal die 5V die ler LabJack ausgibt nach, aus der bezieht er vermutlich auch seine Refferenzspannung für den AD-wandler. Im schlimmsten Falle machst Du Dir ne Tabelle mit Ist-Soll-Vergleich und generierst Dir in Excel ne Funktion mit der Du die Korrektur einrechnest.
Bitte melde dich an um einen Beitrag zu schreiben. Anmeldung ist kostenlos und dauert nur eine Minute.
Bestehender Account
Schon ein Account bei Google/GoogleMail? Keine Anmeldung erforderlich!
Mit Google-Account einloggen
Mit Google-Account einloggen
Noch kein Account? Hier anmelden.
