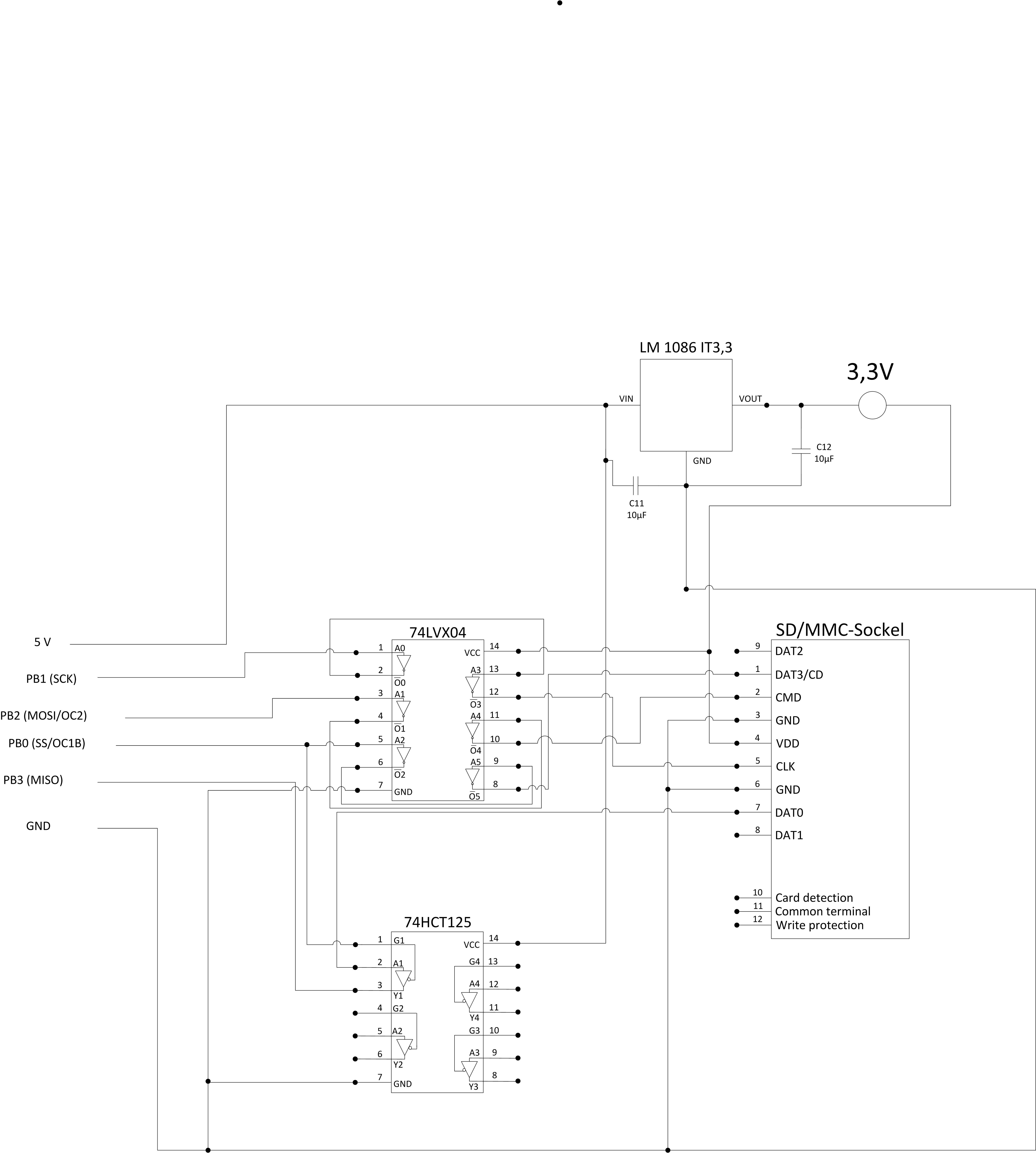
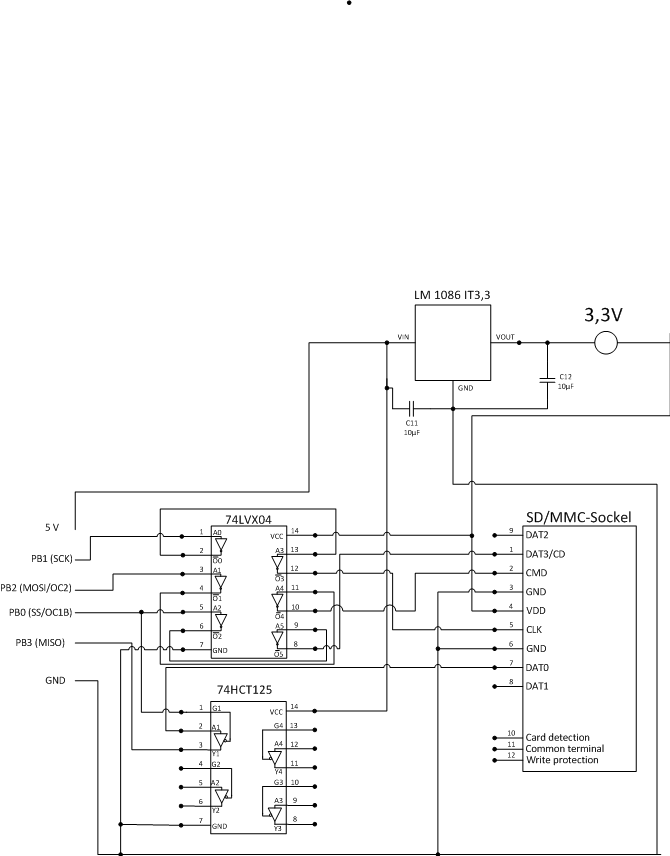
Hi, ich beabsichtige auf einem Atmega 2560 (-> ist gerade verfügbar) die auf http://www.holger-klabunde.de beschriebene SD/MMC-Karten lösung zu testen. Leider ist es mir derzeit nicht gelungen mit einem Minimalbeispiel die MMC-Karte zu beschreiben. Quelltext: #include <avr/io.h> #include <stdlib.h> #include <string.h> #include "dos.h" #include "fat.h" #include "dosdefs.h" #include "mmc_spi.h" #include "dir.h" #include "find_x.h" int main(){ int test=1,written; DDRC=0xff; PORTC=0xff; MMC_IO_Init(); do{ PORTC=0x00; }while(GetDriveInformation()!=F_OK); Fopen("SDtest.xls",'a'); PORTC=0xff; written=Fwrite(test,1); Fclose(); (Hab an Port C LEDs damit ich feststellen konnte wo es hängt) GetDriveInformation() scheint nicht F_OK zu liefern also findet er die Karte ja nicht. CPU Takt hab ich schon auf 1MHz reduziert und einen SPI-Takt von 7,... KHz In der MMC_SPI.h habe ich den Atmega hinzugefügt, da er die gleiche Belegung wie einige andere(Atmega 128, Atmega 64) hat. Hat jemand eine Idee woran es liegen könnte. Auch für Anleitungen zur Fehlersuche bin ich dankbar.^^ MfG
MTK schrieb: > Da ist wohl etwas schief gegangen mit dem Bild^^ Das neue Bild ist auch nicht gerade der Hit. Eine Auflösung von 5320x5920 Pixel ist ein wenig gross für mein 15"-Laptop.
Bitte melde dich an um einen Beitrag zu schreiben. Anmeldung ist kostenlos und dauert nur eine Minute.
Bestehender Account
Schon ein Account bei Google/GoogleMail? Keine Anmeldung erforderlich!
Mit Google-Account einloggen
Mit Google-Account einloggen
Noch kein Account? Hier anmelden.


