Hallo ich bin neu hier und hoffe sehr, dass ihr mir helfen könnt. Ich bin kurz vorm verzweifeln. Ein Kollege von mir hat sich so ein doofes Franzis Lernpaket PIC-Mikrocontroller gekauft und nun tut es nicht. Nach einigen Grundlagen kommt es im begleitbuch dazu die Hardware mit dem PC zu verbinden. Auf der Platine befindet sich der Mikrocontroller und ein FTDI FT232RL chip der angeblich USB to USART machen soll. Im Buch steht nun mann soll die Platine mit dem PC verbinden und LED's werden blinken/ aufleucten. Dann habe ich das , per USB kabel, getan aber auf dem Board hat sich nichts getan. Keine LED die blinkt am PC kam auch keine Meldung. So als hàtte ich gar nicht eingesteckt. Im Anhang befindet sich das ganze schema. Vielleicht kann mir ja jemand sagen was ich falsch mache. Habs am USB 2.0 Port angeschlossen obwohl der PC über 3.0 verfügt.
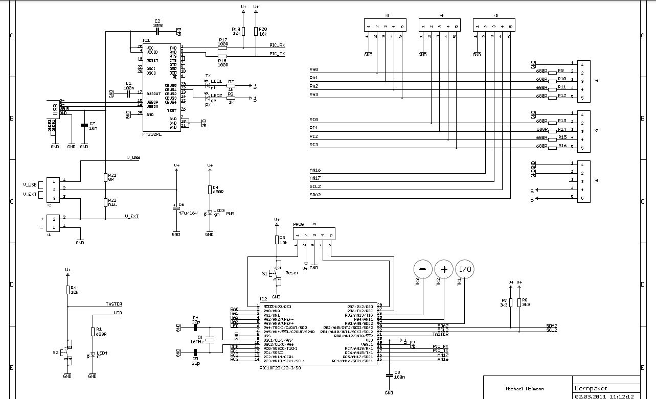
Test auf GND legen. Im Schaltplan gibs nochn Jumper, den haste nicht gesetzt und somit bekommt der 232 kein Strom, bzw die gesamte Platine
reicht es wenn ich ihn nur beim einstecken kurzschliesse oder muss der die ganze zeit auf GND sein?
sorry wenn ich nochmals nachfrage. Wo muss ich jumper setzten...danke für die antwort.
Beim Jumper hab ich geschielt, der FT232 hängt doch direkt am 5V des USB. Pack doch mal das Messgerät aus und miss nach ob der IC seine 5V bekommt.
Nein musst du nicht stecken. Wenn du die Leitung von der Micro-USB-Buchse zum nicht eingelöteten Jumper folgst, siehst du links daneben einen 0 Ohm Widerstand. Check den und den Rest mit nem Messgerät. Gruß
Nö, kein Jumper nötig, Stiftleiste dafür ist ja auch gar nicht bestückt. Dafür parallel zu dem Jumper eine SMD-Lötbrücke: R21 (OR).
Steht doch im Schaltplan, VCC will zB gerne 5V sehen und messen kannst an C2, da is genug Platz. An 3V3 bzw C1 müssen 3,3V sein. Hat er 5V aber keine 3,3V ist der IC im Eimer.
Prüf mal an den beiden blauen Punkten, ob da 5v sind. Rot ist der Stromkreis für die Power-LED eingezeichnet.
jetzt müsst ihr entschuldigen hab gerade den Faden verloren. Also jumper müssen keine gesetzt werden. Was muss nun gemacht werden?
Also vom Chassis gehàuse des USB bis zum anderen blauen puntk habe ich 0.34V also nichts.
Schon ein anderes USB-Kabel probiert? Verfolge die Leitung und messe direkt am USB-Stecker oder am Kondensator C7 links daneben.
also am usb anschluss habe ich 5V aber am C7 ist nichts vorhanden.
danke leute es hat sich erledigt die ganze schaltung bekommt keine Spannung mit einer Brücke vom USB + zum C7 lief alles und die LED fingen an zu leuchten. viel dank euch.
KLingt nach kalter lötstelle am USB, also da mal die Pins nachlöten, die micro usb brechen da gerne mal ab...
Bitte melde dich an um einen Beitrag zu schreiben. Anmeldung ist kostenlos und dauert nur eine Minute.
Bestehender Account
Schon ein Account bei Google/GoogleMail? Keine Anmeldung erforderlich!
Mit Google-Account einloggen
Mit Google-Account einloggen
Noch kein Account? Hier anmelden.


