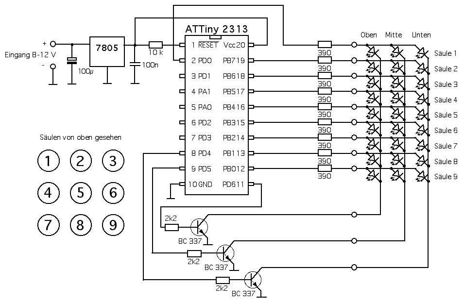
Hallo! Mit meiner Freundin zusammen würde ich gerne einen LED-Cube herstellen. Dazu habe ich mit folgende Spezifikation überlegt: - Basisplatine wird geätzt, wenn der Cube steht - Als Controller/Board ein Arduino Mega (ATMega 2560) - 5x5x5 = 125 LEDs (Rot, 5mm) - 25 LEDs pro Ebene x 5 Ebenen = 30 der 54 Outputs vom ATmega Folgende Fragen drängen sich mir nun auf, bevor ich die Bestellung endlich wegschicken kann: - Welche Transistoren kann man benutzen? Reichen die BC 337? Habe öfters was von MOSFETs gelesen. - Wie viele Transistoren werden benötigt? Habe einen 3x3x3 gesehen bei dem nur die 3 Ebenen mit Transistoren beschaltet wurden. - Wie berechnet sich der Vorwiderstand für Transistoren und LEDs? - Für die Kathoden der LEDs werden die Transistoren B=Pin, E=Masse, C=Kathode verbaut - richtig? - Lässt sich der Aufbau vom angehängten Schaltplan übernehmen? Vielen Dank für Antworten! P.S.: Der Schaltplan ist von www.hering-projects.de
Und noch eine Frage: Für den Cube wollte ich ø 0.6mm versilberten Kupferdraht verwenden. Das sollte ebenfalls kein Problem sein, oder? http://www.pollin.de/shop/t/MDE5OTA5OTk-/Haustechnik/Kabel_Draehte_Litzen/Draehte/Kupferdraht_versilbert.html
Daniel J. schrieb: > Folgende Fragen drängen sich mir nun auf.... Folgende Fragen drängen sich MIR nun auf: "Kann man mit Freundinen nichts anderes machen?" > Reichen die BC 337? BC337-25 ist voll OK. > Wie viele Transistoren werden benötigt? 3x3x3 = 27, 5x5x5 = 125 Du musst dir also eine ganz neue Form der Matrix ausdenken. Mit kleineren Controlleren wird du ohne Schieberegister nicht auskommen. Dann stellt sich erst die Frage nach den Transitoren. > Wie berechnet sich der Vorwiderstand für Transistoren und LEDs? Nach dem ohmschen Gesetz. Weiterhin muss noch der Stromver- stärkungsfaktor der Transistoren und der gewählte LED-Strom berücksichtigz werden. Ohne Schaltung und genaue Bauteilbezeichnung keine Hilfe möglich. > Für die Kathoden der LEDs werden die Transistoren B=Pin, E=Masse, > C=Kathode verbaut - richtig? Ja, siehe Schaltplan. > - Lässt sich der Aufbau vom angehängten Schaltplan übernehmen? Nur die Grundstruktur. WElche Ideen hat den deine Freundin?
Hallo. Also ich bin auch dabei einen 5x5x5 LED zu machen mit dem ATmega128 aber bei mir funktioniert der Code nicht ... könntest du mir vielleicht dabei helfen ? Die Software zum Senden der Muster vom PC zum Controller über einen Seriellen Anschluss habe ich bereits gemacht.
Patrick Lenz schrieb: > Hallo. > > Also ich bin auch dabei einen 5x5x5 LED zu machen mit dem ATmega128 aber > bei mir funktioniert der Code nicht ... könntest du mir vielleicht dabei > helfen ? > > Die Software zum Senden der Muster vom PC zum Controller über einen > Seriellen Anschluss habe ich bereits gemacht. Kannst du deinen vorhandenen Code mal posten? Für unseren Cube hatte ich mir überlegt die Muster bei 115k Baud über USB in Binärkodierung an den Controller zu schicken, Muster etc. werden dann vom PC vorgegeben. Bei 125-bit pro Muster müsste man etwa 1.000 Bilder pro Sekunde übertragen können, wenn ich mich nicht verrechnet habe. In welcher Programmiersprache arbeitest du?
>> Folgende Fragen drängen sich mir nun auf.... > Folgende Fragen drängen sich MIR nun auf: "Kann man mit > Freundinen nichts anderes machen?" Die Frage verstehe ich nicht. Dürfen Frauen sich nicht mit Elektronik beschäftigen, oder nur Paare nicht? :D Und ich dachte mir, dass das sicherlich förderlich für ihr Medieninformatik-Studium sein könnte. >> Wie viele Transistoren werden benötigt? > 3x3x3 = 27, 5x5x5 = 125 > Du musst dir also eine ganz neue Form der Matrix > ausdenken. Mit kleineren Controlleren wird du ohne > Schieberegister nicht auskommen. 5 x 5 + 5 = 30 Pins, wenn man ohne Schieberegister arbeitet, soweit ich weiß? Ist wie gesagt ein ATmega2560 mit 54 Outputs. > WElche Ideen hat den deine Freundin? Den Cube zu bauen. :D Sie wird vermutlich überwiegend mit dem Löten der LEDs beschäftigt sein. Ich werde gleich erstmal eine Schaltung entwerfen. Danke schonmal für die Anworten!
Bitte melde dich an um einen Beitrag zu schreiben. Anmeldung ist kostenlos und dauert nur eine Minute.
Bestehender Account
Schon ein Account bei Google/GoogleMail? Keine Anmeldung erforderlich!
Mit Google-Account einloggen
Mit Google-Account einloggen
Noch kein Account? Hier anmelden.
