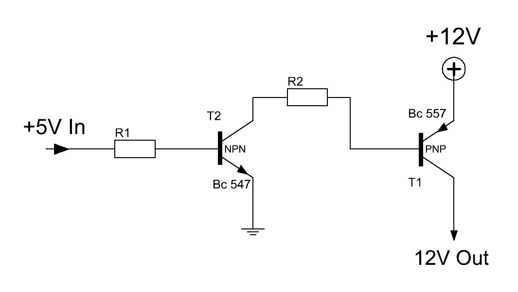
Hallo, Leute! Ich brauche für meine Lichtanlage einen Pegelwandler (mit Transistoren), welcher mir die 10 Ausgangspins vom ATmega32 (5V) nach 12V verstärkt, damit ich die 10 Led-Platinen daran betreiben kann. Ich habe mir den Schaltplan, welchen ich angehängt habe, vorgestellt... Wisst ihr vielleicht, wie groß ich die Basisvorwiderstände dimensionieren sollte, wenn die Led´s insgesamt einen Strom von 90mA brauchen? Ich würde die Transistoren BC547C und BC557C nehmen, da ich diese noch in meinem Vorrat habe. Geht das? Schon mal DANKE im Vorraus! Gruß, DjElko!
Warum so kompliziert bei 90mA? Im Datenblatt des 547 finden sich IC=100mA, IB=5mA -> VCE max 500mV Einfach einen 547 mit 1kOhm Basiswiderstand sollte genügen.
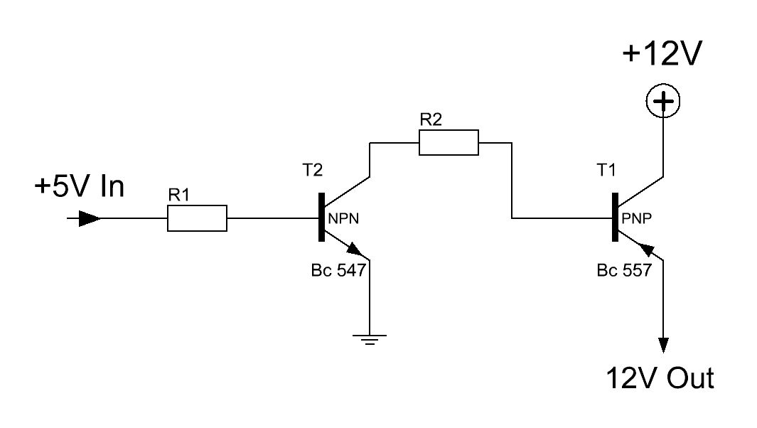
Du hast den PNP Transistor verkehrt eingezeichnet. Dimensionierung: R2=(12V-0.6V)/(IceT1/B1) R1=(5V-0.6V)/((IceT1/B1)/B2) Das wären die maximalen Werte für die Widerstände. B1,B2 siehe Datenblatt. Kannst ruhig mit Werten um die 50-100 rechnen.
Schau mal ins Datenblatt vom UDN2981 - da steht drin, wie die das machen. Gruß Jobst
Erstmal danke für die vielen Antworten! Den Transistor T1 habe ich jetzt im Schaltplan richtig eingesetzt. "Kein Name" sagte ja, dass ich auch einfach einen BC547C nehmen könnte. Das stimmt in diesem Fall allerdings nicht, da ich die Led´s +seitig ansteuern muss, da ich 10 Platinen habe, auf welchen jeweils 3 Led´s sitzen (Rot, Grün und Blau). Die Farben steuere ich -seitig mit einem RGB-Controller an. Ich bin also gezwungen, die Led´s +seitig anzusteuern... "Jobst M." hat geschrieben, dass in dem Datenblatt des UDN2981 ein Schaltplan ist. Das ist zwar richtig, aber bist du dir wirklich sicher, dass ich statt 2 Transistoren & Widerstände 5 Transistoren & Widerstände nehme? Trotzdem Danke, dafür, dass du dir die Mühe gemacht hast, das rauszusuchen! Gruß, DjElko!
Nach Sziklai genügen die beiden Transistoren und R1. Irgendwas hochohmiges so 10 kOhm. http://de.wikipedia.org/wiki/Sziklai-Paar
DjElko schrieb: > Ich brauche für meine Lichtanlage einen Pegelwandler (mit Transistoren), > welcher mir die 10 Ausgangspins vom ATmega32 (5V) nach 12V verstärkt, > damit ich die 10 Led-Platinen daran betreiben kann. Und die müssen High-Side geschaltet werden?
Bitte melde dich an um einen Beitrag zu schreiben. Anmeldung ist kostenlos und dauert nur eine Minute.
Bestehender Account
Schon ein Account bei Google/GoogleMail? Keine Anmeldung erforderlich!
Mit Google-Account einloggen
Mit Google-Account einloggen
Noch kein Account? Hier anmelden.

