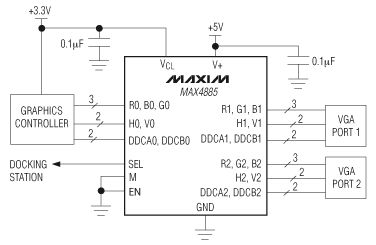
Hallo, ich baue mir momentan einen KVM Switch 2 Monitore auf 4 PC, und bin auf das IC MAX4885 von Maxim gestoßen. Eingentlich perfekt aber: Was ist mit den Masse Anschlüssen für RGB H,V und DDC? Welche Spannung soll am "SEL" Eingang angelegt werden? Wie kann ich das IC auf eine Euro Platine löten? Grüße
xilodynamit schrieb: > Was ist mit den Masse Anschlüssen für RGB H,V und DDC? Na, auf Masse legen, was sonst? > Wie kann ich das IC auf eine Euro Platine löten? Blöde Antwort: Mit einem Lötkolben. Dem ist die Größe der Platine egal -- auch wenn die Europakarte i.d.R. 160x100 mm groß ist. Oder meinst Du eine Lochrasterplatine? Dann verabschiede Dich ganz schnell von Deinem Vorhaben, weil Du die Signalqualität der VGA-Signale mit so einem fliegenden Aufbau verhunzen wirst. Damit das was bringt, brauchst Du eine Platine mit einem sauberen Layout mit Impedanzanpassung der 75Ohm-RGB-Anteile des VGA-Signales. > Welche Spannung soll am "SEL" Eingang angelegt werden? Logikpegel, Funktion siehe Datenblatt Seite 9. Zulässige Spannungspegel sind auf Seite 3 beschrieben. Ohne Dir zu nahe treten zu wollen: Einen KVM kauft man als Fertigprodukt, wenn man kein völlig matschiges Bild haben will, und vor allem, wenn die Umschaltung der Maus funktionieren soll. Die ist nämlich bei PS/2 alles andere als trivial.
Rufus Τ. Firefly schrieb: > xilodynamit schrieb: > >> Was ist mit den Masse Anschlüssen für RGB H,V und DDC? > > > > Na, auf Masse legen, was sonst? Also an die GND Eingänge des IC oder ? Hier eine Referenz aus dem Datenblatt: > >> Wie kann ich das IC auf eine Euro Platine löten? > Blöde Antwort: Mit einem Lötkolben. Dem ist die Größe der Platine egal Das Gehäuse ist aber folgende Art : http://de.wikipedia.org/wiki/Quad_Flat_No_Leads_Package ; Stichwort 5x5 TQFN. >> Welche Spannung soll am "SEL" Eingang angelegt werden? > > Logikpegel, Funktion siehe Datenblatt Seite 9. Zulässige Spannungspegel Und das wären? > > > > > Ohne Dir zu nahe treten zu wollen: Einen KVM kauft man als > > Fertigprodukt, wenn man kein völlig matschiges Bild haben will, und vor > > allem, wenn die Umschaltung der Maus funktionieren soll. Die ist > > nämlich bei PS/2 alles andere als trivial. Finde ich nicht man muss nur eine Maus emulieren. Grüße
xilodynamit schrieb: > Das Gehäuse ist aber folgende Art : > http://de.wikipedia.org/wiki/Quad_Flat_No_Leads_Package ; Stichwort 5x5 > TQFN. Anständiges Layout ist hier eine Voraussetzung, die Leiterbahnen müssen etwas unter dem Package herausgezogen werden, dann kommt Lötpaste drauf und dann das ganze in den Reflow-Ofen. Prinzipiell ist bei einer glanzverzinnt prodzuierten Platine aber auch eine Handlötung möglich. Für Prototypen wäre auch die "dead-bug"-Montage möglich (mit Lötpads nach oben aufkleben und mit kurzen(!) Drähten kontaktieren, aber das dürfte hier aufgrund der Frequenzanforderungen schon recht grenzwertig werden. >>> Welche Spannung soll am "SEL" Eingang angelegt werden? >> >> Logikpegel, Funktion siehe Datenblatt Seite 9. Zulässige Spannungspegel > Und das wären? Siehe Seite 3 des Datenblattes, wie ich schon geschrieben habe. Erste Tabelle, Abschnitt "Switch Logic (SEL, M, /EN /QP)". Bist Du Dir ganz sicher, daß Du Dich mit diesem Projekt nicht vielleicht ein bisschen übernimmst? Datenblätter sollte man lesen und verstehen können, bevor man sich da was zurechtbastelt. >> nämlich bei PS/2 alles andere als trivial. > Finde ich nicht man muss nur eine Maus emulieren. Reicht nicht. Du musst genau die Maus emulieren, die angeschlossen ist, und zwar allen angeschlossenen PCs gegenüber. Aber das ist im Gegensatz zu den Signalproblemen, die Du mit dem VGA-Signal bekommen wirst, wirklich zweitrangig. Warum willst Du ein Ding nachbauen, das man in sicher besser funktionierend für recht wenig Geld bekommt?
Naja, ich kann den Sinn des Eigenbaus schon verstehen, da 08/15 KVM immer nur einmal Maus,Tastatur,Monitor verarbeiten und nicht 2-n Monitore. Für den 2ten n-fach KVM bräuchte man meistens dann noch einmal wenigstens Tastatur und dann passend PS2 Adapter oder ähnliches, weil viele Umschalter ihren Strom eben da her beziehen. Nur sehe ich es eben auch so, dass man an so ein Projekt als Anfänger echt die Finger lassen sollte. Wenn man nicht einmal die simpelsten Signalpegel aus nem Datenblatt lesen kann, schon recht. Ohne jemanden da auf die Füße treten zu wollen, aber selbst Kollegen mit Ausbildung in dem Bereich tun sich gerne schwer mit Printed-Layouts für Video und Ton. Lochraster kannste da vollkommen knicken. Und zum Löten : Such dir eine FH/Uni in der Nähe und frag da mal im Fachbereich für Elektronik an, ob die das für dich löten können, wenn es nur ein paar wenige spezialchips sind und du es von der Ausrüstung nicht kannst. Sonst lieber Finger weg!! Das kostet dich nur Geld und frustriert dann deutlichst, wenn man nur murks raus bekommt...
Zu 90% ist es besser remote auf die Rechner zu gehen als mit sinnlos langen VGA-Kabeln ein vermatschtes Bild auszuwählen. Für die restlichen 10% brauchst Du nur bei Totalausfall einen Monitor anstecken (und wirst einen schwarzen Monitor sehen, wenn alle Netzteile kaputt sind).
Bitte melde dich an um einen Beitrag zu schreiben. Anmeldung ist kostenlos und dauert nur eine Minute.
Bestehender Account
Schon ein Account bei Google/GoogleMail? Keine Anmeldung erforderlich!
Mit Google-Account einloggen
Mit Google-Account einloggen
Noch kein Account? Hier anmelden.
