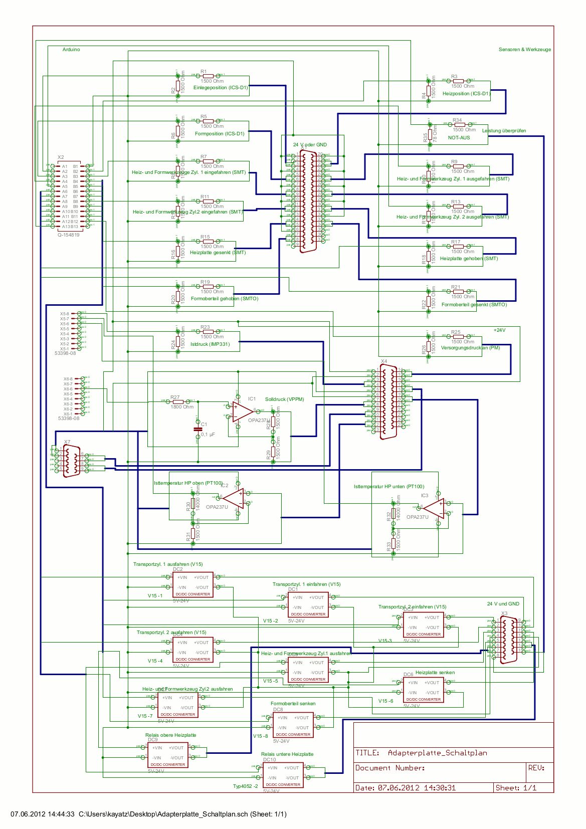
Hallo, im Anhang ist ein Schaltplan für eine Adapterplatte zwischen der Steuerkarte und den jeweiligen Sensoren und Werkzeugen darstellt. Aufgrund dessen, dass ich das erste mal einen Schaltplan erstelle und auch das erste mal mit Eagle arbeite, bitte ich euch mal drüber zu schauen. Möglichweise findet der ein oder andere von Euch Fehler, die mir als Laie verborgen geblieben sind. Insbesondere ist mir unklar inwieweit Widerstände benannt bzw. mit Werten versehen werden müssen. Im voraus schon einmal vielen Dank! Fabian
...und was wil uns der Künstler damit sagen?.... Es wäre schön, wenn du hier nicht nur einen kleinen Brocken abwirfst, sondern auch ein wenig Hintergundinfos gibst. Andernfalls gehe ich davon aus, daß wieder einmal eine Hausaufgabe oder Praktikumsaufgabe durch jemanden erledigt werden soll.
Dir geht es wohl nur darum, wie ein Schaltplan an sich auszusehen hat. Was sollen die komischen Kringel an den Bauteilen? Was sollen die ganzen unbeschrifteten Busse, die aus nur zwei Leitungen bestehen? Weniger Schlenker und Schnörkel in den Signalleitungen unterbringen, also z.B. links von R27, oder der Haken direkt am Ausgang von IC3. Nirgendwo sind Massen und Versorgungsspannungen zu erkennen -- die müssen nicht als Leitungszüge quer durch die ganze Zeichnung verteilt werden, das ist komplett unübersichtlich. So sind z.B. alle -VOut aller DC-DC-Wandler (bis auf die beiden mit den Bussen dran, V15-7 und Typ4052-2) miteinander verbunden, das scheint also Masse zu sein. Auch fast alle -VIn sind miteinander verbunden, scheint also ein Versorgungsspannunspotential zu sein. Nee, der Plan ist ein Fall für den Reißwolf.
Rufus Τ. Firefly schrieb: > Nirgendwo sind Massen und Versorgungsspannungen zu erkennen -- die > müssen nicht als Leitungszüge quer durch die ganze Zeichnung verteilt > werden, das ist komplett unübersichtlich. Ein Blick in die Bibliothek "Supply" hilft.
>Insbesondere ist mir unklar inwieweit Widerstände benannt bzw. mit Werten >versehen werden müssen. Was sagt mir das? Ist nicht Dein Schaltplan, Du willst ihn nicht realisieren? Du hast ihn irgendwo kopiert und willst ihn nur als Hausaufgabe abgeben? Oder wie oder was?
Christian F. schrieb: > Ein Blick in die Bibliothek "Supply" hilft. Mir willst Du das aber nicht mitteilen, oder?
Ah, danke. Mal sehen, ob der Threadstarter das noch liest und was dazu schreibt.
Vielen Dank für die zahlreichen Hinweise. Dann mal ein Punkt nach dem anderen: Rufus Τ. Firefly schrieb: > Was sollen die komischen Kringel an den Bauteilen? Wenn ich die Bauteile importiere, werden sie so dargestellt. Wie kann man denn die Kringel ausblenden. Rufus Τ. Firefly schrieb: > Was sollen die ganzen unbeschrifteten Busse, die aus nur zwei Leitungen > bestehen? Ab wann verwendet man überlicherweise Busse und wie sieht eine übliche Beschriftung aus? Rufus Τ. Firefly schrieb: > Nirgendwo sind Massen und Versorgungsspannungen zu erkennen -- die > müssen nicht als Leitungszüge quer durch die ganze Zeichnung verteilt > werden, das ist komplett unübersichtlich. Natürlich hast du recht, dass es nicht notwendig ist alle Massen bzw. Versorgungsspannungen miteinander zu verbinden. Allerdings ist diese Darstellung für mich hilfreicher, da dies eine Adapterplatte darstellt, d. h. die Masse wird über die Schnittstelle mit der Masse der Steuerkarte verbunden. Ähnlich Verhält es sich bei der Versorgungsspannung. Wie würdet ihr das darstellen? Übrigens Supply kenn ich schon. Viele Grüße Fabian
wieviele Leitungen Du zum Bus machst bleibt Dir überlassen. NUR, bei Bussen müssen die einzelnen Leitungen gekennzeichnet werden. Die Kringel kommen weil Du PINS an hast. Widerstände werden natürlich bezeichnet. Wert und Name. Masse und VCC werden immer eingezeichnet. so zum Beispiel:
Bitte melde dich an um einen Beitrag zu schreiben. Anmeldung ist kostenlos und dauert nur eine Minute.
Bestehender Account
Schon ein Account bei Google/GoogleMail? Keine Anmeldung erforderlich!
Mit Google-Account einloggen
Mit Google-Account einloggen
Noch kein Account? Hier anmelden.

