Hallo Forum, ich möchte mir einen RS232 Konverter machen der alles beschaltet hat und nicht nur RXD und TXD. Der Schaltplan ist natürlich noch lange nicht fertig - ich will nur eine erste Einschätzung von euch - bevor ich unendlich viel Zeit hineinstecke... Könnt ihr mal bitte einen blick darauf werfen ob das so funktionieren wird?
Halte Dich doch einfach an den Schaltplan im Datenblatt des FT232RL. Und dann noch einen Pegelwandler, schau dir auch mal den MAX3237 an, der ist mindestens doppelt so schnell wie der 3232, kann sogar bis zu 1Mbps.
tt2t schrieb: > Halte Dich doch einfach an den Schaltpla Das hilft mir natürlich! Danke! Glaubst du nicht dass ich das versucht habe?
In einen Schaltplan gehören auch immer Bauteilwerte. Und Leitungen sind waagerecht oder senkrecht.
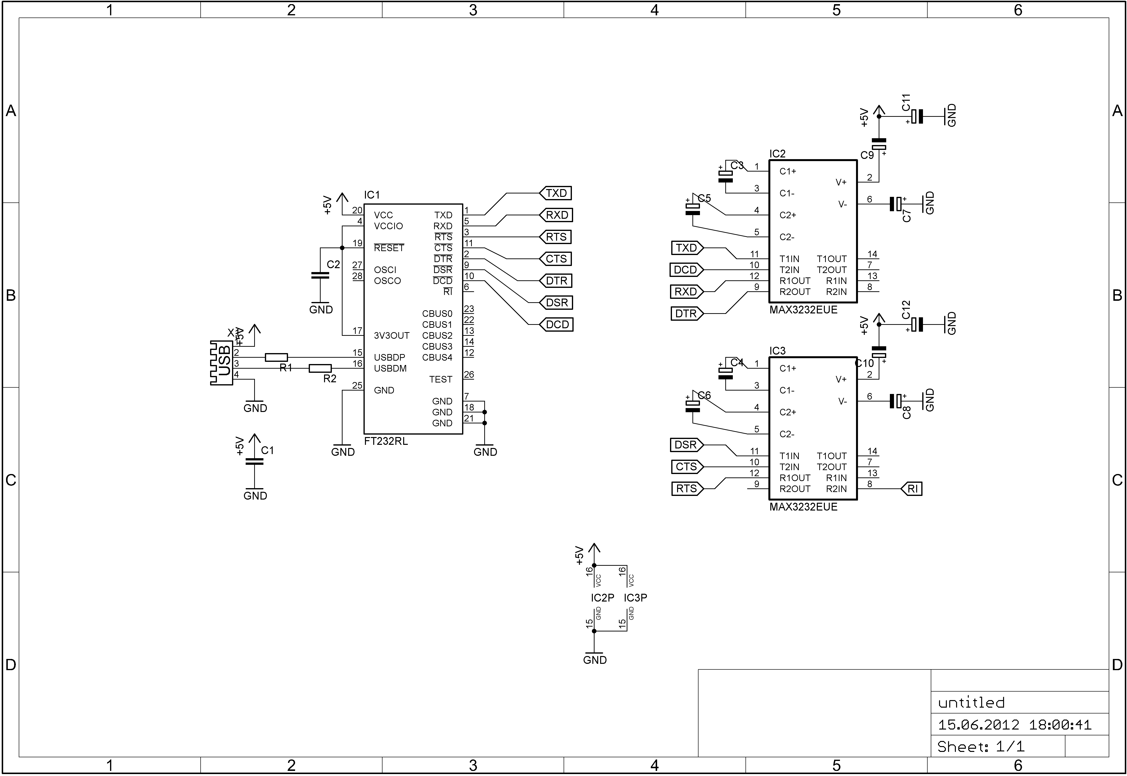
Für Deinen Schaltplan und Deinem Verständnis der Schaltung wäre es hilfreich, wenn die "Fähnchen", in die Du die Signalnamen geschrieben hast, die Richtung der Signale berücksichtigen würden, also z.B. das von TxD nach rechts zeigen würde. Dann hättest Du einen schnelleren Überblick darüber, wieviele RS232-Empfänger und wieviele RS232-Sender Du benötigst, und könntest erkennen, daß die Schnittstelle asymmetrisch aufgebaut ist - sie hat nämlich mehr Ein- als Ausgänge. Also: |TxD> <RxD| |RTS> <CTS| <DSR| |DTR> <DCD| <RI| 3 Ausgänge, 5 Eingänge. Und da haben wir auch schon den ersten Fehler. DCD ist ein Eingang (aus Sicht des FT232), und darf daher nicht mit T2IN des ersten MAX232 verbunden werden
Habe jetzt versucht ein paar Trips zu beherzigen. @Rufus Τ. Firefly Ist die Signalrichtung so richtig?
tt2t schrieb: > schau dir auch mal den MAX3237 an Der hat zu wenig ein Ausgänge. Für RS232 braucht man doch 4 Ausgang und 4 Eingang --- oder? Der 3237 hat aber nur 3 Eingänge?
Nein. Warum habe ich in meinem Beitrag diese kleine Tabelle da |TxD> <RxD| |RTS> <CTS| <DSR| |DTR> <DCD| <RI| hingeschrieben? Vergleich das mal mit dem, was Du da gemalt hast. Aufgrund der von mir auch erwähnten Asymmetrie kommst Du auch nicht mit zwei MAX232-Bausteinen aus, die haben 4 Ein- und 4 Ausgänge, Du aber brauchst 5 Ein- und 3 Ausgänge.
Ralf Liebau schrieb: > Glaubst du nicht dass ich das versucht habe? Schwer zu sagen. Dein Schaltplan hat eine so hohe Auflösung, dass in 100%-Auflösung nicht mal der FT232RL auf den Bildschirm paßt.
Rufus Τ. Firefly schrieb: > Vergleich das mal mit dem, was Du da gemalt hast. Sorry, das habe ich irgendwie übergangen, da du nur DCD erwähnt hattest... Dann stimmt es jetzt? :-)
Mario schrieb: > Hallo Ralf, > mit was hast du denn den Schaltplan erstellt? EAGLE 6.2.0 Warum denn?
Im Prinzip ja, nur ist der MAX3237 nicht der richtige Baustein; Du hast hier die RS232- und die Logikpegelseite miteinander vertauscht. Der '3237 hat 5 RS232-Treiberstufen und 3 Empfängerstufen, Du brauchst aber einen Baustein mit 3 Treiber- und 5 Empfängerstufen. Das ist der MAX3241.
tt2t schrieb: > schau dir auch mal den MAX3237 an Rufus Τ. Firefly schrieb: > Der '3237 hat 5 RS232-Treiberstufen und 3 Empfängerstufen, Du brauchst > aber einen Baustein mit 3 Treiber- und 5 Empfängerstufen. > > Das ist der MAX3241. Danke :-)
Habe eben gesehen dass ich den FT231X hier liegen habe und nicht den 232RL. Leider sind die nicht Pinkompatibel.... Hat mir jemand das SSOP 231 Pinning für EAGLE?
Ralf Liebau schrieb: > EAGLE 6.2.0 > > Warum denn? Das sollte ein dezenter Hinweis sein, aber du scheinst es ein wenig direkter zu brauchen. Also, dasselbe nochmal, aber diesmal mit der undiplomatischen Keule: Dein Stromlaufplan sieht zum Grausen misarabel aus und er ist auch zum Grausen miserabel. Versuche doch mal, einen richtigen Stromlaufplan zu verfassen. Bei den wenigen Bauteilen sollte es dir doch wohl gelingen, die Strippen auf dem Papier in voller Länge, also von Bauteil zu Bauteil zu malen. W.S.
Übrigens ist auf deinem "Schaltplan" der TEST Anschluss am FTDI offen. Der muss an Masse.
Hab nun noch einmal alles überarbeitet. Ich hoffe dass es jetzt so besser ist... Stimmt nun die Richtung der RS232 Signale? p.s. ich weiß dass der max232 noch nicht voll beschaltet ist...
http://www.avr-projekte.de/ftm-pics/usbser10.png Ist nur eine Teilschaltung, aber ich glaube der Max211 ist das was du suchst.
Du könntest, wenn Du diese Gedankenstütze der Richtung noch weiter benötigst, zwischen FT232 und dem RS232-Pegelwandler nicht einen Bus für alle Signale, sondern zwei Busse, je für Signalrichtung einen, verwenden. Dasselbe könntest Du zwischen dem 9poligen Stecker und dem RS232-Pegelwandler machen. Ist zwar für Leute, die die serielle Schnittstelle im Schlaf kennen, natürlich "overkill", sieht aber sicherlich besser aus als die jetzt völlig unmotiviert in der Luft hängenden "Signalfähnchen".
Rufus Τ. Firefly schrieb: > Du könntest, wenn Du diese Gedankenstütze der Richtung noch weiter > benötigst, zwischen FT232 und dem RS232-Pegelwandler nicht einen Bus für > alle Signale, sondern zwei Busse, je für Signalrichtung einen, > verwenden. Dasselbe könntest Du zwischen dem 9poligen Stecker und dem > RS232-Pegelwandler machen. Danke für den Tipp. Ich habe die Fähnchen im Moment dran gemacht, dass ihr seht, welche Leitung wo hin geht... sonst kann das 'Wunderwerk' ja keiner mehr nachvollziehen...
Ralf Liebau schrieb: > Ich habe die Fähnchen im Moment dran gemacht, dass > ihr seht, welche Leitung wo hin geht.. Dazu beschriftet man Signale, bevor man sie in einen Bus hineinführt, und natürlich an beiden Enden.
Ralf Liebau schrieb: > Könnt ihr mal bitte einen blick darauf werfen ob das so funktionieren > wird? Als X2 solltest Du einen Stecker (Männchen) nehmen - wie beim PC=DTE. Die Pinbelegung hast Du ja so gewählt. Dann passen auch die üblichen Kabel (Weibchen-Weibchen gekreuzt für Anschluss an PC=DTE oder Weibchen-Männchen ungekreuzt für Anschluss an Modem=DCE) und Du musst Dich nicht mit "Spezialkreuzungen" rumschlagen. Siehe hierzu auch: http://de.wikipedia.org/wiki/RS-232#Verkabelung_und_Stecker Gruß Dietrich
was mir zumindest bei den oberen entwüfen aufgefallen ist. IC2 und IC3 werden mit 5V betrieben, der FTDI mit 3.3V io Spannung. ob das so gut ist? Aktuell fehlen noch die Cs am pegelwandler und die spannungsversorgung. da bitte aufpassen ob 3.3 oder 5V und die IO Spannung vom FTDI entsprechend setzen.
Christian R. schrieb: > Übrigens ist auf deinem "Schaltplan" der TEST Anschluss am FTDI offen. > Der muss an Masse. Nee muss er nicht, denn der ft231x hat kein test
Ralf Liebau schrieb: > Nee muss er nicht, denn der ft231x hat kein test Das ist wahr. Aber als ich das geschrieben habe, war in seinem Schaltplan noch der FT232RL drin. Erst später hat er dann auf den x gewechselt.
Bitte melde dich an um einen Beitrag zu schreiben. Anmeldung ist kostenlos und dauert nur eine Minute.
Bestehender Account
Schon ein Account bei Google/GoogleMail? Keine Anmeldung erforderlich!
Mit Google-Account einloggen
Mit Google-Account einloggen
Noch kein Account? Hier anmelden.



