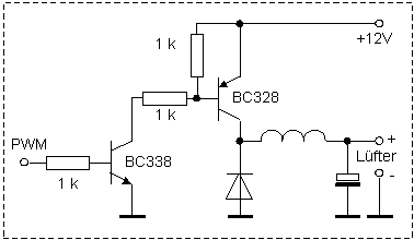
Hallo, kann mir Jemand bei der Berechnung des StepDown-Konverters von www.sprut.de behilflich sein? Ich habe einen 12V/1W Lüfter und will diesen per PWM steuern. Mir ist aber nicht klar wie ich die Spule und den Kondensator berechne! Danke für die Hilfe und Grüße, Nico
Nico ... schrieb: > Mir ist aber nicht klar wie ich die Spule und den Kondensator berechne! Woher kommt die PWM? Welche Frequenz hast du da?
Die PWM kommt von eine Tiny84 der mit 8MHz läuft, also hat meine PWM eine Frequenz von 31,25kHz.
Mir ist nicht ganz klar, was du mit der Schaltung machen willst. So wie sie jetzt ausgelegt ist, arbeitet sie als Step-Down. Je nach PWM DutyCycle stellt sich am Ausgang eine kleinere Spannung ein als die Versorgungsspannung. Was fehlt ist die Schaltung zum erzeugen des PWM - Signals. Was weiterhin nicht klar ist: Möchtest du deinen Lüfter mit einer variablen Spannung versorgen um dessen Drehzahl zu regeln, oder möchstest du ein PWM Signal an einen Lüfter mit PWM Eingang anlegen und darüber die Drehzahl regeln? Grüße A.
Nico ... schrieb: > Ich habe einen 12V/1W Lüfter und will diesen per PWM steuern. Kommt es dir auf die Geräuschentwicklung an? Nicht alle Lüfter verdauen PWM und von denen auch nicht alle ohne zusätzlichem Radau.
Ich möchte den Lüfter temperaturgeregelt steuern um die Geräuschentwicklung zu reduzieren. Da die meisten Lüfter bei direkter Ansteuerung mit PWM fiepen, möchte ich diesen StepDown-Konverter nutzen! Der Lüfter ist ein 2poliger PC-Gehäuselüfter ohne PWM-Eingang.
Nico ... schrieb: > Da die meisten Lüfter bei direkter Ansteuerung mit PWM fiepen, möchte > ich diesen StepDown-Konverter nutzen! Du brauchst dafür aber noch eine Anlauf-Logik, denn viele dieser Lüfter laufen nur sicher an mit einer recht hohen Spannung, während man sie danach reduzieren kann. Günstiger wäre ein 3poliger Lüfter mit einem Tacho-Signal, bei dem würdest du sofort merken, wenn er stehen bleibt. So musst du erst auf den nachfolgenden Temperaturanstieg warten.
Das ist ja kein Problem, ich kann den Lüfter ja per Software erstmal voll hochdrehen! Kann zur Berechnung von Spule und Kondensator Niemand etwas sagen?
Ich kenne die Schaltung in der Art für die Umwandlung eines 4pol. Mainboardanschlusses auf einen 3pol. Lüfter. Also um die 25 kHz normalerweise. Viel rechnen wirst Du nicht brauchen: 220 bis 470 µH und 100 bis 470 µF dürften passend sein.
Das ist doch mal ein Wort! :-) Wie kommt man auf die Werte, oder ist das einfach Erfahrung?
Erfahrung. Es gibt Sachen, wo es nicht auf Nachkommastellen ankommt. :)
Nico ... schrieb: > Kann zur Berechnung von Spule und Kondensator Niemand etwas sagen? Klar. 0µH und 0µF. Und die PWM-Frequenz auf ein paar 100Hz verringern. Ein Lüfter ist träge genug, um ungesiebte PWM zu bekommen. Ob er es verträgt, ist noch eine ganz andere Frage, weil Lüfter ja meistens elektronisch kommutierte Motoren enthalten. Betrieb mit gesiebter Gleichspannung muß übrigens genauso wenig funktionieren. Der Hinweis auf das Tachosignal kam ja bereits. Ohne Rückmeldung des Lüfters und idealerweise Regelung der Drehzahl ist das sowieso nur Pfusch. XL
Axel Schwenke schrieb: > Ein Lüfter ist träge genug, um ungesiebte PWM zu bekommen. Es gibt Lüfter, die bei keiner PWM-Frequenz leise arbeiten.
A. K. schrieb: > Es gibt Lüfter, die bei keiner PWM-Frequenz leise arbeiten. Die sind dann aber oft auch bei 0 Hz laut. :-)
@nico Kuck mal hier. http://schmidt-walter.eit.h-da.de/smps/abw_smps.html Da gibst du deine Daten ein. Habe mal mit Ue=12V, Ua=6V, Ia=0,4A und f=30kHz gerechnet. Da kommen dann 2600 uH bei einem RM4 Kern mit Luftspalt raus. Drahtdurchmesser 0,2 mm. Die Kerne gibt es bei den üblichen Verdächtige. Halt auf Luftspalt achten oder den erzeugen. ;-) Fraglich ist noch, ob das Wicklungsfenster die Wicklungen aufnehmen kann. Sonst auf RM6 gehen. Der Ausgangskondensator ist unkritisch. 470 uF könnte ein passender Wert sein. Wichtig ist die Spule. Regelkreis dann über Temperaturmessung. Und das Programm als milde Gabe an mich. ;-)
Sorry, Ia=0,1A bei vorherigen Post.Ich habe vorher den Lüfter etwas mehr Watt zugetraut. ;-)
Jörg Wunsch schrieb: > Die sind dann aber oft auch bei 0 Hz laut. :-) Nicht unbedingt. Hatte den Fall mal. Mit variabler Spannung statt PWM waren sie recht ruhig, nervten aber bei jeder beliebigen PWM-Frequenz.
Axel Schwenke schrieb: > Der Hinweis auf das Tachosignal kam ja bereits. Ohne Rückmeldung des > Lüfters und idealerweise Regelung der Drehzahl ist das sowieso nur > Pfusch. Die Rückmeldung ist ist indirekt die Temperatur!
Nico ... schrieb: > Die Rückmeldung ist ist indirekt die Temperatur! Ja, die hat nur leider eine verdammt lange Zeitkonstante, insbesondere, bis du einen stehengebliebenen Lüfter bemerkst. Dafür musst du danach dann "volle Pulle" lüften, um eine Überhitzung zu vermeiden, und schon hast du eine klassische Regelschwingung. Die dürfte von der Geräusch- entwicklung her deutlich mehr nerven als ein durchlaufender Lüfter. Warum hast du denn keine Chance, einen Lüfter mit Tachosignal zu verbauen? Sowas gibt's doch schon seit mehr als 10 Jahren auch im Consumer-Segment.
Das könnte ich machen und vielleicht werde ich auch einen Lüfter mit Tachosignal benutzen. Aber das war nicht die Problemstellung. Trotzdem danke für den Hinweis!
Nico ... schrieb: > Aber das war nicht die Problemstellung. Die ist ja aber mittlerweile auch ausreichend (denke ich) behandelt worden.
> Kommt es dir auf die Geräuschentwicklung an? Nicht alle Lüfter verdauen > PWM und von denen auch nicht alle ohne zusätzlichem Radau. Meine Fresse. Lest ihr eigentlich die Beiträge der Fragenden ? Er betreibt den Lüfter ja nicht mit PWM, sondern mit Step Down, also durch eine Spule geglättetem PWM. > Mir ist aber nicht klar wie ich die Spule und den Kondensator berechne! Wenn bei 32kHz PWM die Spule 330uH hat, dann beträgt der Stromriple nur noch 5%, ist also gering, und der Spannungsripple ergibt sich durch den Ausgangselko, nei 100uF unter 80mV also ebenfalls vernachlässigbar. Falls du leicht andere Spulen zu Hause hast geht auch 100uH bis 1mH, und 10uF bis 470uF, bei grösseren Werten wird zwar die Ausgereglgescheindigkeit deutch geringer (100 PWM-Zyklen bis der Regelbereich erreicht wird), aber das ist bei Temperaturregelungen eher ja egal. Falls dein Lüfter die PWM direkt aushält, geht natürlich auch Spule=0uH, Elko=0uF, allerdings legt man dann meist die PWM Frequentz viel niedriger aus, z.B. 32Hz, so ein Motor ist träge und brummen leichter zu ertragen als Pfeifen.
@MaWin Die allgemeine Schelte schmerzt etwas. Nur mit der Spule sind wir unseins. Ich würde eher eine große Spule nehmen. Nicht das Transistor noch den Stromtod erleidet. :-)
Ich hab sowas schon gemacht, und kann sagen, dass das für normale Lüfter ohne PWM-Eingang die einzige Möglichkeit ist, sie wirklich langsam und vor allem ruhig laufen zu lassen. Ungefilterte PWM-Ansteuerung macht immer Brummen/Fiepen oder (noch schlimmer) Fiepen ohne Antrieb... Dabei ist es piepegal, welche PWM-Frequenz man wählt. Das Ding knattert/brummt entweder ziemlich laut oder fiept. Bei zu hoher Frequenz dreht sich gar nichts mehr. Allerdings ist mit der StepDown-Methode ein Feedback über den Tachogenerator schon notwendig, wenn man reproduzierbar langsam laufen will. Bei grösseren Lüftern (10-12cm) kann man da auch noch im lückenden Betrieb sauber regeln, d.h. der Lüfter hat aktiven Antrieb nur noch mit ~0.5Hz. Das erlaubt Drehzahlen "zum Zuschauen". Es gibt aber ein paar Issues, auf die man aufpassen muss: 1) Bei langsamen Lauf rauscht zwar nix mehr, dafür knattert der Motor leise. Das bekommt man nicht mehr weg. 2) Bei zu niedriger Spannung kann es sein, dass der Lüfter nicht/kaum mehr aktiv läuft, der Tachogenerator aber massig Fakepulse produziert. Damit bekommt man eine scheinbar zu hohe Drahzahl und dreht noch weiter zu. Das kann zu heftigen Schwingungen in der Lüfterdrehzahl führen. BTW: Bei kleinen Lüftern (2-4cm) ist es meiner Erfahrung nach besser, wenn sie einen direkten PWM-Eingang haben. Damit kann man langsamere Drehzahlen erreichen als über eine Spannungsregelung. Viele Lüfter haben den Eingang übrigens schon auf der Platine, selbst wenn keine Leitung dafür angelötet ist. BTW2: 330uH/220uF bei einigen 10kHz PWM. Grund dafür: Lag grad rum... Hat sich auch in der Serie bewährt.
> 2) Bei zu niedriger Spannung kann es sein, dass der Lüfter nicht/kaum > mehr aktiv läuft, der Tachogenerator aber massig Fakepulse produziert. > Damit bekommt man eine scheinbar zu hohe Drahzahl und dreht noch weiter > zu. Das kann zu heftigen Schwingungen in der Lüfterdrehzahl führen. Ui, das klingt ja gar nicht gut. Ich hab mich bisher immer auf die Tachopulse verlassen. Von was für Spannungen sprichst Du da? Hast Du Dir so nen falsches Tachosignal mal auf nem Oszi angeschaut? Kann man da vielleicht ein Muster erkennen über das man echte und falsche Tachopulse unterscheiden kann?
> Von was für Spannungen sprichst Du da? Kurz vorm/beim Absterben, also so 3-4V. Hängt aber wohl vom Typ ab. > Hast Du Dir so nen falsches Tachosignal mal auf nem Oszi angeschaut? Ja. > Kann man da vielleicht ein Muster erkennen über das man echte und > falsche Tachopulse unterscheiden kann? Schwer, die Fakepulse liegen in der Gegend des oberen Drehzahlbereichs, tw. auch etwas drüber. Meine Lösungen dagegen waren: - Unterhalb einer bestimmten Drehzahl in regelmässigen Abständen immer mal wieder kurz die Spannung aufzudrehen (also langsame AM der PWM...). Damit kommt man bei grossen Lüftern noch weiter runter und seltener in den wirklich kritischen Bereich. - Steigt oder sinkt die Drehzahl zwischen zwei Messungen zu stark, wird kurzzeitig eine relativ grosse Spannung angelegt. Ist halt alles etwas Fummelei, ein 0815-PID ist es jedenfalls nicht ;)
Ich würde aber neben der Temperatur auch noch die Spannung nach der Spule mit dem Controller messen und als Regelsignal verwenden. Unter 5 Volt wird der Lüfter nicht mehr anlaufen wollen.
Die Spannung ist eigentlich eine uninteressante Zwischengrösse ;)
> Unter 5 Volt wird der Lüfter nicht mehr anlaufen wollen.
Hängt ziemlich vom Lüfter ab. Einige laufen dann aber bis knapp 2V
runter.
Bitte melde dich an um einen Beitrag zu schreiben. Anmeldung ist kostenlos und dauert nur eine Minute.
Bestehender Account
Schon ein Account bei Google/GoogleMail? Keine Anmeldung erforderlich!
Mit Google-Account einloggen
Mit Google-Account einloggen
Noch kein Account? Hier anmelden.
