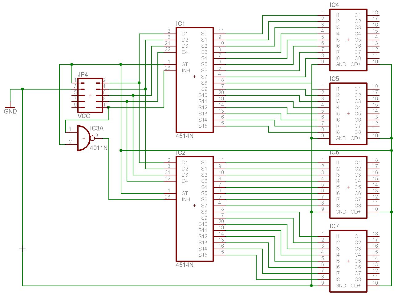
Hallo leute! ich habe eine frage: Ich muss min. 16 Relais schalten können, dazu habe ich mir Überlegt, dass ich die Schaltungen wie folgt aufbaue: |µC (4-6 PORTs zur Verfügung)|->| multiplexer (74HC4515N)| -> |Treiber |-> |Relais|.. Siehe auch Bild im Anhang Zu meinem Problem: Ein multiplexer kann jeweils nur einen Schalter schalten, ich bräuchte aber einen IC der verschiedene ausgänge Schaltet...beispielsweise wenn es 16 ausgänge hat, dass ich ausgang 0 1 und 2 schalte und die anderen alle aus sind oder alle ausgänge auf einmal schalte etc...Habt Ihr eine ahnung welchen IC ich nehmen könnte bzw. eine andere Methode anwenden kann?? Danke schonmal im vorraus!
Abudhabi schrieb: > Habt Ihr eine ahnung welchen IC ich nehmen könnte > bzw. eine andere Methode anwenden kann?? ja, es hat sich sogar jemand die arbeit gemacht es aufzuschreiben: http://www.mikrocontroller.net/articles/Porterweiterungen
Peter II schrieb: > http://www.mikrocontroller.net/articles/Porterweiterungen Und für Leute dies mit seriell nicht so haben gibts ja noch 74HC259.
Bitte melde dich an um einen Beitrag zu schreiben. Anmeldung ist kostenlos und dauert nur eine Minute.
Bestehender Account
Schon ein Account bei Google/GoogleMail? Keine Anmeldung erforderlich!
Mit Google-Account einloggen
Mit Google-Account einloggen
Noch kein Account? Hier anmelden.
