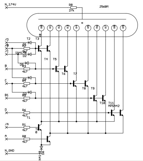
Hallo Experten, wenn ich meine Nixie Z560M mit der Schaltung im Anhang ansteuere, leuchten neben der angesteuerten Ziffer auch verschiedene andere Ziffern ganz leicht, sodass die angesteuerte Ziffer schlecht zu erkennen ist, wie von einem leuchtenden Nebel umgeben. Wenn ich die Röhre händisch mit 2 Drähten zum Leuchten bringe, leuchtet jede Ziffer kontrastreich auf, andere Ziffern nicht. Ist eine Ziffer mit der Schaltung angesteuert = auf GND gelegt, so kann ich an den übrigen Pins der Nixie ca. 10 Volt messen. Die Ansteuerspannung beträgt > 5 Volt. Wie kriege ich eine saubere Ansteuerung hin?
Was dekodierst du denn da mit den Dioden? Ist das nur ein Ausschlussverfahren wie z.B. "wenn die 3 an ist kann die 4 nicht" oder so? Ist deine Platine sauber, also Flussmittelreste etc entfernt? Wie steuerst du die Transistoren an? Wenn du zum Anschalten hart auf 5V ziehst, zum Ausschalten nur Hi-Z machst oder wenn die Platine dreckig ist könnten Leckströme ein Problem sein. mfg mf
Die Signale A, /A .. kommen von vier Transistor Flip-Flops, Versorgungsspannung ist 9 Volt, Kollektorwiderstand ist 1k8. Jedoch zeigt sich der Effekt auch auf einem Steckbrett, auf dem (natürlich) keine Flußmittelreste sind und die Transistoren-Basen über den Basiswiderstand 4k7 auf +9 Volt und Gnd gesteckt werden. Ich vermute irgendwelche Leckströme durch die Transistoren, die jedoch, mit ca. 1mA Basisstrom angesteuert, sperren müssten, der Emitter liegt ja auch über die Diode auf 0.7V. Kann es sein, dass die Transistoren nicht richtig sperren?
Charlie Plexing schrieb: > Kann es sein, dass die Transistoren nicht richtig sperren? Das denk' ich mir eben auch. Mach mal generell einen 10kΩ Pulldown von jeder Transistor-Basis zum jeweiligen -Emitter. Wenn noch Leckströme in den Transen von Kollektor zu Basis auftreten werden die z.T. abgeleitet. Im Datenblatt zum MPSA42 sehe ich eine Emitter-Basisspannung von maximal 6V. Das könnte das Problem sein, da du hier auch die Emitter mit wiederrum anderen Transistoren schaltest. Nehmen wir mal an, A ist Low und D ist High. Verfolg mal die Pegel zu den beteiligten Transistoren. Siehst du was passiert? Man könnte in die Basisleitungen Dioden reinmachen, damit eben kein so großes V_EB mehr ran kann. "Schöner" wäre natürlich, die fehlende Dekodierung durch ein bisschen mehr Logik zu erledigen, damit alle Transistoren mit Emitter fest an Masse hängen können. mfg mf
Der Sinn der Diode D6 (4148 gegen Masse) erschließt sich mir nicht auf den ersten Blick. In der oberen Schaltung tauchen keine negativen Potentiale auf und eine Logik ist an dieser Stelle auch nicht vorhanden. Warum also kein sauberer Massepegel? Zu den FlipFlops: Welche Zustände kennen deren Ausgänge? +9V und hochohmig, +9V und GND? GND wäre stabiler, würde zu teils negativen BE-Spannungen führen (durch D6, s.o.), offen macht die Schaltung anfällig für Leckströme, mögliche Lösung hat MF bereits erwähnt. Wenn B1 High-Pegel hat und alles "darüber" low/offen steuern die Transistoren T2-T9 jeweils etwas weniger durch, als T10/T11 (Basisspannung um ca. 0,7V verringert) So. gewollt? Abgesehen davon haben die Dioden kleine Rückwärts-Ströme (nA Bereich), evtl. reichen diese schon für ein leuchtes Glimmen (Kennlinien der Datenblätter vergleichen). Eventuelle Abhilfe auch wie oben. Schon über eine Logik z.B. mit 40xx Bausteinen nachgedacht (vertragen im Gegensatz zur 74xx Familie 9V) und hintendran nurnoch die Transistoren ?
Hallo! > Schon über eine Logik z.B. mit 40xx Bausteinen nachgedacht (vertragen im > Gegensatz zur 74xx Familie 9V) und hintendran nurnoch die Transistoren ? Das wäre der einzig sinnvolle Ansatz. Mit dem CD 4017 hat man Alles gleich in einem Stück: rücksetzbarer Dezimalzähler mit Decoder, H-aktive Ausgänge, CMOS bis 15 V.
Der Fehler sind fehlende Widerstände (~100k) von allen Kathoden nach ca. +80V (Spannungsteiler reicht, muß nicht stabil sein), gerne mit Dioden dazwischen damit keine Querströme fließen. Damit werden alle Kathoden so weit positiv vorgespannt dass sie nicht zünden können. Nur die an 0 liegende Kathode hat ausreichend Spannungsunterschied zur Anode das die Zündspannung überschritten wird. ...verlorengegangenes Wissen? Gruß, Holm PS: Faszinierend ist für mich die Mimik in einem russischen Tischrechner, die haben das mit Transistoren hingekriegt die schon ab 40V druchbrechen.
Vielen Dank an minifloat und Stefan K. Mini Float: deine Vorschläge haben leider alle nichts gebracht... ... ich habe die MPSA42 falsch herum eingebaut, Kollektor und Emitter vertauscht. Jetzt geht die Schaltung wie sie soll. Ich denke fast, dass meine Eagle-Library fehlerhaft ist. Stefan K.: D6 muss sein, denn wenn D1-D5 auf Gnd gezogen werden, würden ohne D6 die Transistoren nicht richtig sperren. Die Schaltung ist Teil einer Uhr nur aus Transistoren, Dioden, Widerständen und Kondensatoren, gut 700 Bauteile, um anschaulich zu machen, wieviele Bauteile eine simple Armbanduhr mit 32kHz-Quarz benötigt (Stand der Technik Ende der 1960er Jahre, die verbauten Bauteile stammen teilweise aus dieser Zeit.) Sie wird als Bild an die Wand gehängt werden. Nochmals vielen Dank für euere Mühe!
Holm Tiffe schrieb: >PS: Faszinierend ist für mich die Mimik in einem russischen >Tischrechner, die haben das mit Transistoren hingekriegt die schon ab >40V druchbrechen. wenn ich das noch richtig aus meiner "Quarzuhrzeit" in Erinnerung habe, muss man nur die Brennspannung (150V?)unterschreiten, damit abgeschaltet wird. MfG
Wolfgang-G schrieb: > muss man nur die Brennspannung (150V?)unterschreiten, damit abgeschaltet > wird. Ja, aber die Transistoren müssen die Differenz zwischen Brenn- und Zündspannung aushalten. Das ist mit 40 V schon arg knapp.
Jörg Wunsch schrieb: > Wolfgang-G schrieb: >> muss man nur die Brennspannung (150V?)unterschreiten, damit abgeschaltet >> wird. > > Ja, aber die Transistoren müssen die Differenz zwischen Brenn- und > Zündspannung aushalten. Das ist mit 40 V schon arg knapp. Mit den in den siebziger Jahren schon leicht erhältlichen 60V- Transistoren wie z.B. der 2N1613 waren die Schaltungen aber schon recht zuverlässig. Ich glaube in den ICs wie dem 74141 waren auch nur 60V-Transistoren verbaut. Gruss Harald
Bitte melde dich an um einen Beitrag zu schreiben. Anmeldung ist kostenlos und dauert nur eine Minute.
Bestehender Account
Schon ein Account bei Google/GoogleMail? Keine Anmeldung erforderlich!
Mit Google-Account einloggen
Mit Google-Account einloggen
Noch kein Account? Hier anmelden.
