Hi, ich suche ein elektrisch regelbares 50 KOhm Poti. Das Poti soll mit einer Spannung von 0-5V regelbar sein. Hab schon ein paar digitale Potis gefunden, aber die lassen sich nicht mit einer 0-5V Spannung regeln, oder? gruß chris
Das was du suchst ist ein so genannter VCA (voltage controlled amplifier).
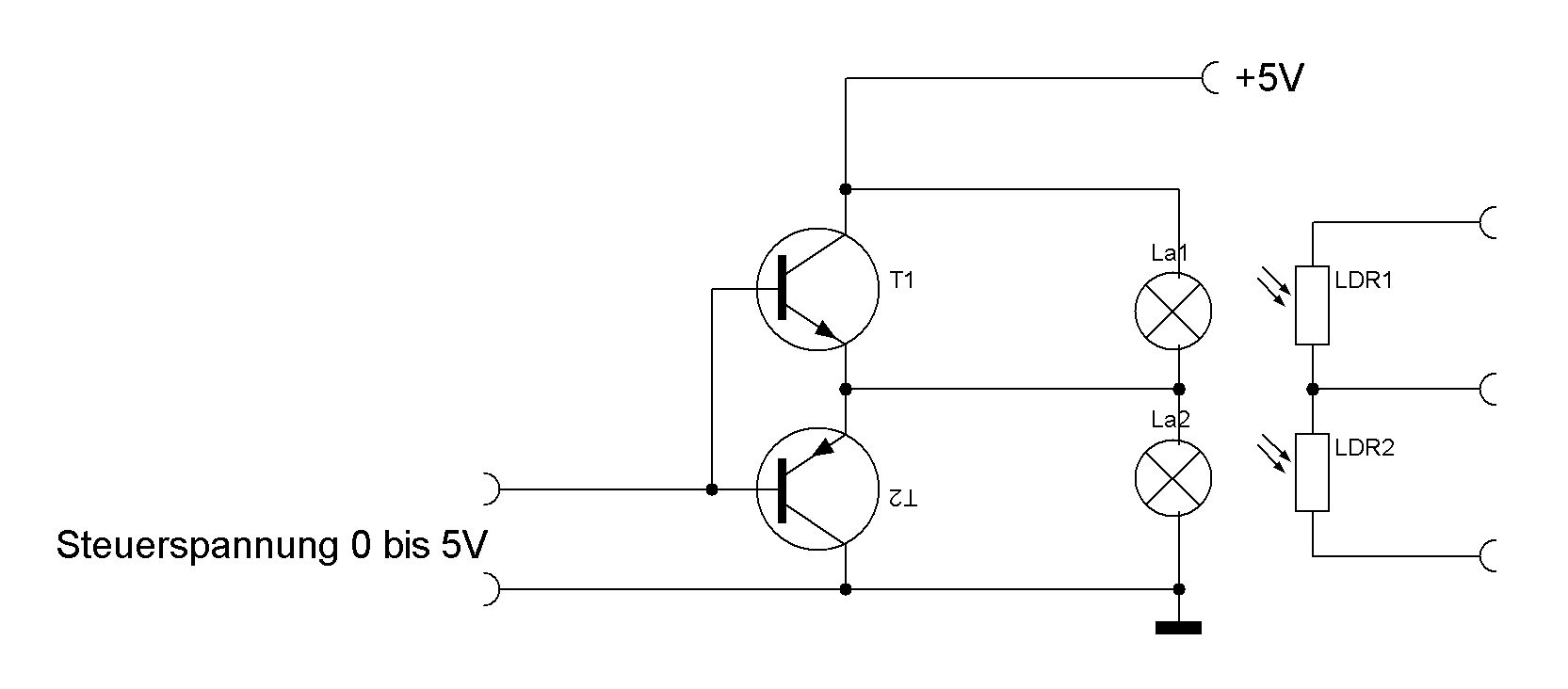
Ich hätte eine Ide: Zwei Fotowiderstände als Spannungsteiler zusammenschalten, und die mit je eine Glühbirne anleuchten. Wenn nun eine heller und die andere dunkler gesteuert wird, hat man praktisch ein Potentiometer. Aber was soll denn da eigentlich mit gemacht werden?
Es geht um die Regelung eines Expression Pedals für einen analogen Synthesizer. Der Wert des Potis im Pedal (Korg EXP-2) beträgt 50KOhm. Die Regelung soll ein anderes Gerät übernehmen mit einer Steuerspannung von 0-5V. gruß chris
Chris schrieb: > Es geht um die Regelung eines Expression Pedals für einen analogen > Synthesizer. Welcher Hersteller? Welches Modell?
Es handelt sich um einen alten Gitarrensynthesizer GR-300 von Roland. Der Filter kann mit einem Expression Pedal geregelt werden. Ziel des ganzen ist es den Filter über midi anzusteuern. Einen Midi to CV converter hab ich hier. Hab auch schon versucht die Steuerspannung von dem Converter direkt an zu schließen, aber da passiert leider gar nix. gruß chris
Hier ist ein Schaltungsvorschlag für die Verwendung von Fotowiderständen.
Falls es nützt: Im Anhang gibts technische Unterlagen zum GR-300. Noch eine interessante Seite zum GR-300: http://www.joness.com/gr300/GR-300.htm Muss jetzt unbedingt ins Bett.
Günter Lenz schrieb: > Zwei Fotowiderstände als Spannungsteiler zusammenschalten, > und die mit je eine Glühbirne anleuchten. Und wie soll man dabei die geforderten 50kΩ sicherstellen, ohne einen Affentanz zu veranstalten?
Das US-Patent 5208548 könnte genau das sein, was Du suchst. Dabei wird mittels einer Dummy-Zelle und Operationsverstärker die Kennlinie von einem Fotowiderstand+LED linearisiert und auch der maximale Widerstand eingestellt. Sowas wird in MIDI-gesteuerten Röhrenverstärkern eingesetzt.
Hallo! So, wie ich die Schaltung verstehe, sollte es eigentlich mit 0...5V am Eingang funktionieren! Das Pedal bildet mit einem internen Widerstand von 150 k einen Spannungsteiler zur positiven Betriebsspannung. Diese, jetzt per Pedal einstellbare Gleichspannung, gelangt über einen Summierverstärker zum eigentlichen VCF-Modul.
Erstmal vielen Dank an alle. wosnet schrieb: > Das US-Patent 5208548 könnte genau das sein, was Du suchst. Klingt schon mal ganz gut, aber bekomme ich das auch bei Reichelt oder Konrad? Route 66 schrieb: > So, wie ich die Schaltung verstehe, sollte es eigentlich mit 0...5V am > Eingang funktionieren! Hatte ich gleich als erstes Probiert, geht leider nicht. Der Filter regiert überhaupt nicht. Magnus Müller schrieb: > Noch eine interessante Seite zum GR-300: > http://www.joness.com/gr300/GR-300.htm vielen Dank, die Seite kenne ich gut :-) Gibt der VCA nicht auch nur eine Steuerspannung aus? Günter Lenz schrieb: > Ich hätte eine Ide: > Zwei Fotowiderstände als Spannungsteiler zusammenschalten, > und die mit je eine Glühbirne anleuchten. An sowas hatte ich auch gedacht, aber nur als IC und nicht als 40 Jahre alte Technik. Würde aber vom alter her gut passen 8-) gruß chris
Motor, der das Poti bewegt? Den Motor dann mit deinen 5V ansteuern?
Die Teile für genanntes US-Patent sind praktisch ein Operationsverstärker (Typ nahezu beliebig, kommt auf verfügbare Betriebsspannung an) und zwei Fotowiderstände, welche mit einer LED zusammen in einem lichtdichten Schrumpfschlauch stecken, dazu noch ein paar Widerstände. Also ja: gibts alles bei Conrad oder Reichelt. Habe das auch schon erfolgreich aufgebaut. Das wäre praktisch das funktionierende Äquivalent zur Glühbirnen-Lösung.
Bitte melde dich an um einen Beitrag zu schreiben. Anmeldung ist kostenlos und dauert nur eine Minute.
Bestehender Account
Schon ein Account bei Google/GoogleMail? Keine Anmeldung erforderlich!
Mit Google-Account einloggen
Mit Google-Account einloggen
Noch kein Account? Hier anmelden.
