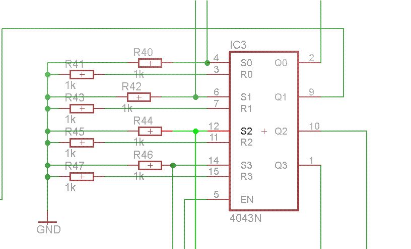
Guten Morgen, Ich habe da ein kleines Problemchen mit diesem Baustein :/ Ich habe den Baustein wie oben beschalten. EN is an 5 V. Gesetzt werden die FF's durch Komparatoren. Die Ausgänge sind auf die Basen von Transistoren geführt mit denen ich dann jeweils ein Relais schalte. Das theoretische geht schon mal nur bei der Ausführung scheiterts.... Obwohl mein Set-Eingang low is, hat mein Q 0,8 V also genug um den Transistor durchzuschalten. Wieso ist das so? Ich habe ehrlich gesagt keine Ahnung. Vielen Dank schon im Vorraus :)
Stefan H. schrieb: > Die Ausgänge sind auf die Basen von Transistoren geführt mit denen ich > dann jeweils ein Relais schalte. Ohne Basisvorwiderstand?
Stefan H. schrieb: > Die sind dran. > Aber was wäre wenn ich die nich dran wären? Dann gibt es undefiniertes Verhalten. Du solltest also nicht nur einen Basisvorwiderstand, sondern auch einen Widerstand zwischen Basis und Emitter schalten. Gruss Harald
Is ja Interessant. Ich schau mal ob es funktioniert und Dankeschön an der Stelle.
Stefan H. schrieb: > Obwohl mein Set-Eingang low is, hat mein Q 0,8 V also genug um den > Transistor durchzuschalten. Dann zeig mal auch die Transistorschaltung. Spekulationen: Schaltungsfehler? Falscher Transistor? CD4043 defekt? Schwingt da was (-> OSZI)? Hast Du mal ohne Transistor am Ausgang getestet? Harald Wilhelms schrieb: > Du solltest also nicht nur > einen Basisvorwiderstand, sondern auch einen Widerstand zwischen > Basis und Emitter schalten. Er hat den Enable doch fest auf "1", was soll da der Widerstand zwischen Basis und Emitter bewirken? Bei Ausgang=Low fließt doch kein Strom, der den Low-Pegel verschieben kann. Gruß Dietrich
Stefan H. schrieb: > HAbe ich den Vorwiderstand mit 1 k richtig dimensioniert? Ja, Nein, Vielleicht... Ohne nähere Angaben kann man nicht dimensionieren, oder wie hast Du denn gerechnet? Was willst Du denn mit welchem Transistor schalten? Mit welcher Spannung ist das IC versorgt? Gruß Dietrich
Ich versorge alles mit 5 V. Transistor: Standart npn bc847b (smd) Mein Rechenweg: erst sättigung ausrechenen ist hier ja 20. Ic/Ib=20 dann Ib= 100mA/20=5mA R=U/I =5/0,05 R=1k passt des so?
Bei einem HCMOS Ausgang sind 5mA bei 5V Versorgungsspannung schon eine unlösbare Aufgabe. Miss mal ohne Transistor und Du wirst sehen, dass das RS-FF im On-Zustand ist.
Stefan H. schrieb: > passt des so? Warum so viel? Meinst du der Transistor waere so schlecht? Es reicht wenn du ihn um den Faktor 3 .. 5 uebersteuerst bei deinem gewuenschten Kollektorstrom.
Ich hab jetzt einen etwas höheren Widerstand genommen und jetzt funktioniert es einwandfrei :D Vielen Dank für eure Hilfe!! Gruß Stefan
Du hast geschrieben, dass der Ausgang Q unerwartet 0,8V liefert (0 war erwartet) obwohl der Set Eingang Low ist. Ich denke, Deine Erwartung ist hier falsch. Das ist doch ein Flip-Flop. Wenn der Set eingang vor Deiner Kontrollmessung nur einmal kurz auf High stand, dann soll der Ausgang ein High liefern, was er wohl auch tut. Wie andere schon geschrieben haben, kann das IC allerdings keine 5mA liefern, daher verkümmert dein Hih Pegel zu jämmerlichen 0,8 Volt. Was für den Transistor wurscht ist, der der interessiert sich primär für die Stromstärke. Die dürfte irgendwo zwischen 2 und 5 milliampere liegen, weil das IC keine höheren Ströme liefern kann. Falls Du mal höhere Ströme brauchst, nimm stattdessen IC's aus der 74HCT Serie. Diese Chips liefern locker 20mA, oft auch mehr. Der Transistor BC847B hat einen Verstärkungsfaktor von 200-450 (wir rechnen mit HFE=200). Er verträgt einen Kollektor-Strom von maximal 100mA. 100mA/200=0,5mA Um den Vorwiderstand zu berechnen, gehen wir vereinfacht davon aus, dass das IC bei geringer Last ideale 5V liefert und subtrahieren die 0,7 Volt von der Basis-Emitter Strecke: (5V-0,7V)/0,5mA=8600 Ohm Als schalter angewendet arbeiten Transistoren verlustärmer, wenn man sie 2-3x übersteuert, also halbieren wir den Widerstand ungefähr auf 3900 Ohm. Ich würde 3900 Ohm als Vorwiderstand für die Transistoren verwenden.
Dann werd ich jetzt nochmal umlöten. Vielen Dank für deine aufklärenden Worte ;)
Bitte melde dich an um einen Beitrag zu schreiben. Anmeldung ist kostenlos und dauert nur eine Minute.
Bestehender Account
Schon ein Account bei Google/GoogleMail? Keine Anmeldung erforderlich!
Mit Google-Account einloggen
Mit Google-Account einloggen
Noch kein Account? Hier anmelden.
